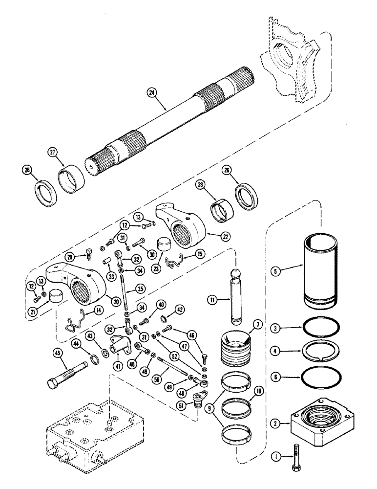
Запчасти Case IH 2590 (8-302) - HITCH SYSTEM, ROCKSHAFT, POWER ARMS AND PISTONS (08) - HYDRAULICS

Схема запчастей Case IH 2590 - (8-302) - HITCH SYSTEM, ROCKSHAFT, POWER ARMS AND PISTONS (08) - HYDRAULICS
50
31
11
28
12
47
26
24
31
23
49
34
22
45
41
51
9
40
35
30
27
52
4
3
46
7
21
15
48
33
44
29
43
5
32
20
32
34
12
13
2
10
49
42
26
1
13
6
14
48
FIT
1:1
100%

Артикул

Название

Примечание

Количество

1

113-628

BOLT,Hex, 5/8" - 11 x 3-1/2", Gr 5

Hex, 5/8"-11 x 3 1/2", G5

8шт.

2

A147764

CAP

- cylinder liner

2шт.

2

A141689

CAP

- cylinder liner

2шт.

Prior to transmission serial no. 10204074

1шт.

3

A23316

O-RING,0.139" Thk x 4.484" ID, -246, Cl 5, 75 Duro

- 4-1/2 x 4-3/4 x 1/8" (114.3 x 120.65 x 3.05 MM)

2шт.

4

A63389

SNAP RING,#450, 4.255, Ext

RING - snap, hydraulic lift cylinder (Replaces A141666)

2шт.

5

A147756

LINING

LINER - hydraulic lift cylinder

2шт.

2 Groove - 4.279/4.271 DIA Groove

1шт.

5

A161488

LINING

LINER - hydraulic lift cylinder

2шт.

1 Groove - 4.420/4.410 DIA Groove

1шт.

6

A27384

O-RING,0.139" Thk x 5.234" ID, -252, Cl 5, 75 Duro

- 5-1/4 x 5-1/2 x 1/8" (133.35 x 139.7 x 3.05 MM)

1шт.

7

A139459

PISTON

ASSEMBLY - rockshaft, with rings, Includes: Refs. 9 and 10

2шт.

9

A63393

RING

- wear

2шт.

10

A137343

SEAL

- U cup

1шт.

11

A147762

ROD

- connecting, piston to power arm

2шт.

Transmission serial no. 10204074 and after

1шт.

11

A63395

ROD

- connecting, piston to power arm

2шт.

Prior to transmission serial no. 10204074

1шт.

12

113-2

BOLT,Hex, 1/4" - 20 x 5/8", Gr 5

4шт.

13

195-18

WASHER,1/4"

- 9/32 x 5/8 x 1/16" (7.14 x 15.87 x 1.59 MM)

4шт.

14

A63386

CLIP

- power arm, R.H.

1шт.

15

A63387

CLIP

- power arm, L.H.

1шт.

20

A63380

ARM

ASSEMBLY - power, R.H., Includes: Ref. 21

1шт.

21

A63384

INSERT

- arm

1шт.

22

A63381

ARM

ASSEMBLY - power, L.H., Includes: Ref. 23

1шт.

23

A63384

INSERT

- arm

1шт.

24

A63376

ROCKSHAFT

1шт.

26

A63377

OIL SEAL

- oil, rockshaft

2шт.

27

A63378

BUSHING

- rockshaft, R.H. 3-1/8" (79.25 MM) ID

1шт.

28

A135848

BUSHING

- rockshaft, L.H. 2-7/8" (73.15 MM) ID

1шт.

29

A63385

SET SCREW,1/2" - 13 x 1 1/8"

- set

2шт.

30

113-257

BOLT,Hex, 3/8" - 16 x 2-1/2", Gr 5

1шт.

31

193-30

LOCK WASHER,Int Tooth, 3/8"

WASHER, LOCK, Int Tooth, 3/8"

2шт.

32

A32398

BALL JOINT

END - rod, follow up

2шт.

33

A135379

BUSHING

SPACER - upper follow up rod to power arm

1шт.

34

86585245

SPECIAL NUT,JAM, 5/8" - 18

- 3/8" NC hex jam

2шт.

35

A63452

ROD

- follow up, upper

1шт.

40

113-262

BOLT,Hex, 3/8" - 16 x 1-1/8", Gr 5, Full Thd

1шт.

41

A63449

CRANK

BELLCRANK - follow up linkage

1шт.

42

T25683

SNAP RING,#75, Ext

Ring, Snap, , follow up bellcrank to stud #75, Ext

1шт.

43

A26462

WASHER

- bellcrank

1шт.

44

A27366

GASKET

WASHER - follow up bellcrank stud (Copper)

1шт.

45

A135380

STUD

- follow up linkage bellcrank

1шт.

46

113-262

BOLT,Hex, 3/8" - 16 x 1-1/8", Gr 5, Full Thd

2шт.

47

193-30

LOCK WASHER,Int Tooth, 3/8"

WASHER, LOCK, Int Tooth, 3/8"

2шт.

48

A32398

BALL JOINT

END - rod, follow up

2шт.

49

86585245

SPECIAL NUT,JAM, 5/8" - 18

- 3/8" NC hex jam

2шт.

50

A63455

ROD

- follow up, lower

1шт.

51

A64430

LEVER

- draft control follow up (See Figure 8-304)

1шт.

52

A32395

WASHER

- lower rod to bellcrank and lever

2шт.

Выбрано товаров: 50