Запчасти Case IH 2590 (8-312) - HITCH VALVE (08) - HYDRAULICS

Схема запчастей Case IH 2590 - (8-312) - HITCH VALVE (08) - HYDRAULICS
13
28
5
31
15
16
6
5
24
8
1
10
17
32
36
7
23
29
6
25
26
18
9
3
20
4
27
2
12
37
33
21
35
34
30
11
FIT
1:1
100%

Артикул

Название

Примечание

Количество

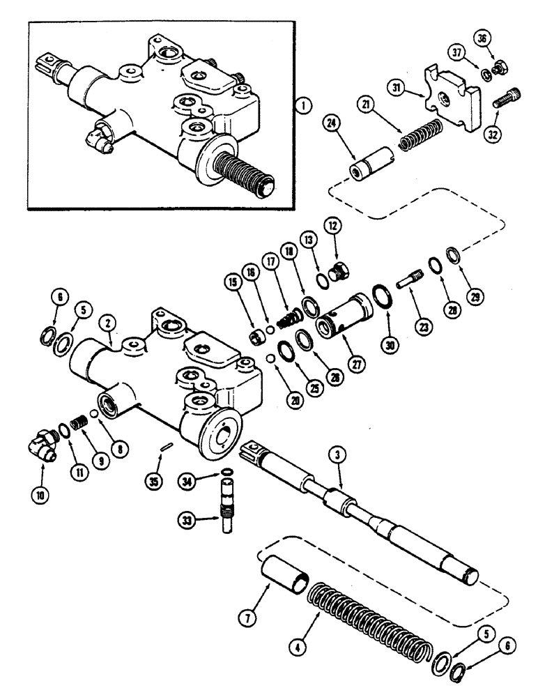
1

A143713

VALVE

ASSEMBLY - depth and position, Includes: Refs. 2 - 35

1шт.

2

NSS

NOT SOLD SEPARAT

BODY - control valve (Order A143713)

1шт.

3

NSS

NOT SOLD SEPARAT

SPOOL - control valve (Order A143713)

1шт.

4

A58366

SPRING

- spool return

1шт.

5

A58365

WASHER

- spring retaining

2шт.

6

A35094

SNAP RING,#81, Ext

Ring, Snap, , spool #81, Ext

2шт.

7

A160367

BUSHING

SPACER - spool stop

1шт.

8

211-12

BALL,7/16 Dia

- load check, 7/16" diameter (11.18 MM)

1шт.

9

A61510

SPRING

- pressure, check valve 21/32" free length (16.76 MM)

1шт.

10

218-5105

ELBOW,90 Degree Elbow, 9/16" - 18 Male JIC x 9/16" - 18 Male ORB

ASSEMBLY - 90 degree, Includes: Ref. 11

1шт.

11

218-5005

O-RING,0.078" Thk x 0.468" ID, -906, Cl 6, 90 Duro

6-1, 90 Duro, .468" ID x .078" Thk (11.94 x 15.75 x 2.03 mm)

1шт.

12

9625178

PLUG,9/16" - 18 ORB

Assy, Incl. Refs. 13 Hex Soc, 9/16"-18 ORB

1шт.

13

218-5005

O-RING,0.078" Thk x 0.468" ID, -906, Cl 6, 90 Duro

6-1, 90 Duro, .468" ID x .078" Thk (11.94 x 15.75 x 2.03 mm)

1шт.

15

L10120

SEAT

- load check

1шт.

16

211-12

BALL,7/16 Dia

- 7/16" diameter (11.18 MM)

1шт.

17

A35099

SPRING

- load check, 1-29/32" (26.31 MM) free length

1шт.

18

A35547

RING

- seal, rectangular

1шт.

20

211-13

BALL,1/2" Dia

(12.7 mm) 1/2" Dia

1шт.

21

A149794

SPRING

- lowering poppet

1шт.

A47582

KIT

- lowering piston, Includes: Refs. 23 - 30

1шт.

23

A149766

ADJUSTMENT SCREW,3/8" - 24 x 0.75"

SCREW - adjusting

1шт.

24

A149767

PISTON

- lowering poppet

1шт.

25

A15888

O-RING,0.801" ID x 0.941" OD x 0.07"

- 13/16 x 15/16 x 1/16" (20.64 x 23.81 x 1.59 MM)

1шт.

26

A149775

RING

WASHER - O-ring backup

1шт.

27

A149768

SLEEVE

- lowering poppet

1шт.

28

A17526

O-RING,0.614" ID x 0.754" OD x 0.7"

- 5/8 x 3/4 x 1/16" (15.98 x 19.05 x 1.59 MM)

1шт.

29

A34493

RING,16.33mm ID x 19.02mm OD x 1.25mm Thk

WASHER - O-ring back up

1шт.

30

A35104

O-RING,0.103" Thk x 0.862" ID, -118, Cl 5, 75 Duro

- 7/8 x 1-1/6 x 3/32" (22.22 x 26.99 x 2.38 MM)

1шт.

31

A162629

COVER

- control valve (Replaces A143712)

1шт.

32

166-26

12 PT SCREW,Flg, 5/16" - 18 x 1", Gr 8

BOLT - 5/16 x 1" NC Ferry head

4шт.

33

A161270

SCREW,5/8" - 11 x 2 3/16"

- throttle

1шт.

34

A40109

O-RING,0.07" Thk x 0.364" ID, -12, Cl 6, 90 Duro

- 3/8 x 1/2 x 1/16" (9.65 x 12.7 x 1.52 MM)

1шт.

35

138-39

LOCK PIN,3/32" x 5/8", Slotted

PIN, (2.38 x 15.87 mm) 3/32" x 5/8", Slotted

1шт.

36

86632547

PLUG,Hex, 5/16"-24 ORB

Valve Cover Hex Soc, 5/16"-24 ORB

1шт.

37

A148875

WASHER,8.2mm ID x 12.7mm OD x 0.86mm Thk

- cover plug, 5/16 x 1/2 x 1/32" (7.94 x 12.7 x 0.79 MM)

1шт.

Выбрано товаров: 35