Запчасти Case IH 2590 (9-368) - CAB, DOOR RETAINING PARTS (09) - CHASSIS/ATTACHMENTS

Схема запчастей Case IH 2590 - (9-368) - CAB, DOOR RETAINING PARTS (09) - CHASSIS/ATTACHMENTS
27
10
14
23
30
22
16
25
11
1
29
3
5
18
19
35
37
15
17
28
26
8
36
33
4
12
9
7
6
24
34
13
2
35
FIT
1:1
100%

Артикул

Название

Примечание

Количество

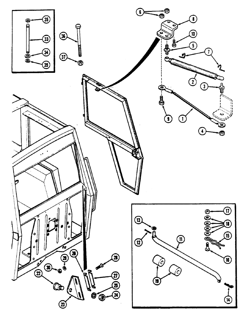
1

F64526

CABLE

- spring cylinder

1шт.

Cab serial no. 12050251 and after

1шт.

2

F64552

GAS STRUT

SPRING CYLINDER - door

1шт.

Cab serial no. 12050251 and after

1шт.

3

F64688

BALL

STUD - ball, 3/8" NC

1шт.

Cab serial no. 12050251 and after

1шт.

4

230-4216

LOCK NUT,3/8"-16, GA

NUT - 3/8" NC hex lock

1шт.

Cab serial no. 12050251 and after

1шт.

5

F44882

BALL

STUD - ball, 5/16" NC (Replaces F64555)

1шт.

Cab serial no. 12050251 and after

1шт.

6

131-176

LOCK NUT,Prev Torque, Hex, 5/16" - 18, Gr A

NUT - 5/16" NC hex lock

2шт.

Cab serial no. 12050251 and after

1шт.

7

F44883

CLIP,DIN 71805 - S10

- safety

2шт.

Cab serial no. 12050251 and after

1шт.

8

F64525

BRACKET

- spring cylinder retaining

1шт.

Cab serial no. 12050251 and after

1шт.

9

113-145

BOLT - 5/16 x 3/4" NC hex

1шт.

10

187-575

SELF-TAP SCREW,Hex Washer, 1/4" - 20 x 3/4"

BOLT - 1/4 x 3/4" NC hex

1шт.

11

F64407

ROD

- door holder, 18" long

1шт.

Prior to cab serial no. 12050251

1шт.

11a

F64406

ROD

12" long

1шт.

12

132-331

COTTER PIN,3/32" x 5/8"

PIN, SPLIT (COTTER), 3/32" x 5/8"

1шт.

Prior to cab serial no. 12050251

1шт.

13

195-525

WASHER,3/8", SAE

- 13/32 x 13/16 x 1/16" (10.32 x 20.64 x 1.59 MM)

1шт.

Prior to cab serial no. 12050251

1шт.

14

136-158

COTTER PIN,Int, 9/64" x .054"

PIN - hair, 1/16 x 9/64" (1.59 x 3.57 MM)

1шт.

Prior to cab serial no. 12050251

1шт.

15

F64470

COTTER PIN

- hair, rod lock (Replaces F63933)

1шт.

Prior to cab serial no. 12050251

1шт.

16

182-534

SCREW,Sl Pan Hd, 1/4" - 20 x 1"

- 1/4 x 1" NC round head

1шт.

17

86625061

NUT,1/4"-20, GB

NUT - 1/4" NC hex lock

1шт.

Prior to cab serial no. 12050251

1шт.

18

195-102

WASHER,1/4"

- 5/16 x 3/4 x 1/16" (7.94 x 19.05 x 1.59 mm)

4шт.

Prior to cab serial no. 12050251

1шт.

19

F64347

SEAL

BUMPER - door holder

2шт.

Prior to cab serial no. 12050251

1шт.

22

F64345

HARDWARE

STRIKER - door latch

1шт.

23

F64301

BRACKET

- striker mounting

1шт.

24

231-1447

NUT,7/16"-14, GB

NUT, LOCK, 7/16"-14, GB

1шт.

25

195-2018

WASHER,.469" x 3/4" x .065"

- flat

2шт.

26

F63785

SHIM

- striker bracket, 5/64" (2.03 MM)

2шт.

27

F63786

SHIM

- striker bracket, 3/64" (1.27 MM)

2шт.

28

171-248

SCREW,Cross Flat Hd, 1/4" - 20 x 1"

- 1/4 x 1" NC special

2шт.

29

195-518

WASHER,1/4", SAE

- 9/32 x 5/8 x 1/16" (7.14 x 15.87 x 1.59 mm)

2шт.

30

86625061

NUT,1/4"-20, GB

NUT - 1/4" NC lock special

2шт.

33

F63729

PIN

- door hinge (Order Refs. 26 and 27)

2шт.

34

F64046

WASHER,9.91mm ID x 19.05mm OD x 0.76mm Thk

- thrust, hinge pin 25/64 x 3/4 x 1/32" (9.91 x 19.05 x 0.76 MM)

1шт.

35

A42589

SNAP RING,#37, Ext

Ring, Snap, , hinge pin #37, Ext

4шт.

36

113-259

BOLT,Hex, 3/8" - 16 x 4-1/2", Gr 5

(Replaces F63729) Hex, 3/8"-16 x 4 1/2", G5

2шт.

37

131-52

NUT,3/8"-16, GC

NUT - 3/8" NC hex lock (Replaces F64046 and A42589)

2шт.

Выбрано товаров: 50