Запчасти Case IH 2590 (9-402) - CAB, WINDSHIELD WIPER, PRIOR TO CAB SERIAL NUMBER 12022944 (09) - CHASSIS/ATTACHMENTS

Схема запчастей Case IH 2590 - (9-402) - CAB, WINDSHIELD WIPER, PRIOR TO CAB SERIAL NUMBER 12022944 (09) - CHASSIS/ATTACHMENTS
21
6
20
26
28
10
19
8
1
3
25
17
12
7
13
4
2
15
14
11
16
5
9
2
18
FIT
1:1
100%

Артикул

Название

Примечание

Количество

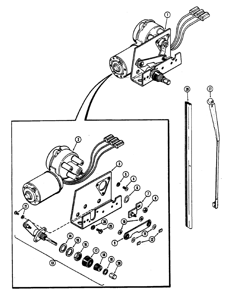
1

F98108

WIPER

MOTOR ASSEMBLY - wiper (Order F96764, F64530 and F64524), Includes: Refs. 2 - 21

1шт.

2

F96637

MOTOR, ELECTRIC

MOTOR - wiper (Order 1-F64530, 1-F96765 and 3-223-94)

1шт.

3

NSS

NOT SOLD SEPARAT

BRACKET - motor mounting

1шт.

4

D72849

SCREW

BOLT - bracket

3шт.

5

192-19

LOCK WASHER,Helical Spring, 0.256" ID, CST, ZND

WASHER, LOCK, 1/4"

3шт.

6

D71411

WASHER

- spring type, motor

1шт.

7

F64210

LEVER

ARM - drive

1шт.

8

F44452

LOCK NUT

- lock

1шт.

9

D71427

LINK,85.85mm L

- connector

1шт.

10

193-3

LOCK WASHER,Int Tooth, #5

WASHER - Shakeproof, 5/16" external tooth

1шт.

11

A22431

WASHER

- spacing, connecting link

2шт.

12

D71414

CLIP

- spring type

2шт.

13

D71415

SHAFT

ASSEMBLY - drive, Includes: Refs. 14 - 20

1шт.

14

D71417

SPECIAL WASHER

WASHER - seal, fiber

1шт.

15

D71418

WASHER

- seal, backup, steel

1шт.

16

D71419

NUT

- pivot shaft

1шт.

17

D71420

CAP

- outer seal

1шт.

18

D71421

TOOL

DRIVER - knurled

1шт.

19

193-9

LOCK WASHER,Ext Tooth, 5/16"

WASHER, LOCK, Ext Tooth, 5/16"

1шт.

20

D71422

NUT

- pivot shaft

1шт.

21

D71416

SCREW

- motor bracket to pivot arm

2шт.

25

182-548

SCREW,Slotted Pan Hd, 1/4"-28 x 3/8"

- 1/4 x 3/8" NF pan head slotted

2шт.

26

192-19

LOCK WASHER,Helical Spring, 0.256" ID, CST, ZND

WASHER, LOCK, 1/4"

2шт.

27

F43789

ARM

- wiper blade, 18" (457.2 MM)

1шт.

28

L35261

BLADE

- wiper, 20" (508 MM)

1шт.

Выбрано товаров: 25