Запчасти Case IH 2590 (9-418) - AIR CONDITIONING, AIR COMPRESSOR (09) - CHASSIS/ATTACHMENTS

Схема запчастей Case IH 2590 - (9-418) - AIR CONDITIONING, AIR COMPRESSOR (09) - CHASSIS/ATTACHMENTS
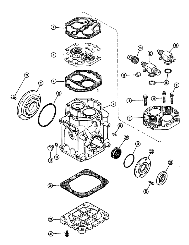
26
6
27
14
22
8
21
11
15
4
9
29
24
20
18
5
13
28
7
30
10
23
12
16
25
2
17
FIT
1:1
100%

Артикул

Название

Примечание

Количество

A141060

COMPRESSOR

ASSEMBLY - (York #ER210L-20126T), Includes: Refs. 2 - 30

1шт.

417888C93

AIRCOND. COMPRESSOR

Assy., A/C

1шт.

1924004C2

REMAN-A/C COMPRESSOR

Reman For New P/N 417888C93

1шт.

1924005C1

CORE-A/C COMPRESSOR

Return Number

1шт.

2

NSS

NOT SOLD SEPARAT

CRANKCASE - compressor

1шт.

A45420

VALVE

PLATE KIT, Includes: Refs. 4 - 6

1шт.

4

NSS

NOT SOLD SEPARAT

GASKET - valve plate to crankcase (See A42964)

1шт.

Part of Gasket Kit, overhaul complete, P/N A42964

1шт.

5

NSS

NOT SOLD SEPARAT

PLATE - valve (Order A45420)

1шт.

6

NSS

NOT SOLD SEPARAT

GASKET - cylinder head to valve plate (See A42964)

1шт.

Part of Gasket Kit, overhaul complete, P/N A42964

1шт.

7

NSS

NOT SOLD SEPARAT

CYLINDER HEAD

1шт.

8

A42949

FLANGE BOLT

BOLT - 5/16 x 1-3/8" NC hex washer head

8шт.

9

A42947

SCREW,5/16" - 18 x 1.375", Grade 6, Steel

- 5/16 x 1-3/8" NC Ferry head, 12 point cap

2шт.

10

A42948

12 PT SCREW,5/16" - 18 x 1.516", Gr 6

SCREW - 5/16 x 1-17/32" MC Ferry head, 12 point cap

2шт.

11

A42936

VALVE

ASSEMBLY - roto lock, discharge (1/2" port)

1шт.

12

A42937

VALVE

ASSEMBLY - roto lock, suction (5/8" port), Includes: Refs. 12 and 13

1шт.

13

A42944

CAP

- sleeve, valve stem

2шт.

14

222-981

TUBE NUT,Cap, 3/8"-24, 45 Degree Fl

CAP - valve stem

2шт.

15

A42938

GASKET

- roto lock to cylinder head

2шт.

16

A42939

KEY

- crankshaft, #6 non rok

1шт.

17

114-210

BOLT,Hex, 3/8" - 24 x 1/2", Gr 5, Full Thd

- 3/8 x 1/2" NF hex crankcase oil plug (Grade 5)

2шт.

18

NSS

NOT SOLD SEPARAT

O-RING - filter and level plug (Order A42964)

2шт.

Part of Gasket Kit, overhaul complete, P/N A42964

1шт.

A42960

SEAL

KIT - front crankcase, Includes: Refs. 20 - 22

1шт.

20

NSS

NOT SOLD SEPARAT

SEAL - crankcase

1шт.

21

NSS

NOT SOLD SEPARAT

O-RING - (See A42964)

1шт.

Part of Gasket Kit, overhaul complete, P/N A42964

1шт.

22

NSS

NOT SOLD SEPARAT

PLATE - seal retaining

1шт.

23

A42961

CAPTIVE WASHER SCREW,Hex, #10 - 24 x 0.469", Full Thd

BOLT - #10-24 x 7/16" hex washer head

6шт.

24

A42965

CAP

- dust, crankcase oil seal

1шт.

25

NSS

NOT SOLD SEPARAT

HOUSING - crankcase, rear

1шт.

26

NSS

NOT SOLD SEPARAT

GASKET - rear housing (Order A42964)

1шт.

Part of Gasket Kit, overhaul complete, P/N A42964

1шт.

27

NSS

NOT SOLD SEPARAT

SCREW - rear, Serial Range: housing-crankcase

4шт.

28

NSS

NOT SOLD SEPARAT

PLATE - crankcase base

1шт.

29

NSS

NOT SOLD SEPARAT

GASKET - base plate (Order A42964)

1шт.

Part of Gasket Kit, overhaul complete, P/N A42964

1шт.

30

NSS

NOT SOLD SEPARAT

BOLT - base, Serial Range: plate-crankcase

12шт.

A42964

GASKET

KIT - complete overhaul, Includes: Refs. 4, 6, 18, 21, 26, and 29

1шт.

Выбрано товаров: 40