Запчасти Case IH 2590 (4-072) - INSTRUMENT CLUSTER HARNESS, PRIOR TO P.I.N. 8841101 (04) - ELECTRICAL SYSTEMS

Схема запчастей Case IH 2590 - (4-072) - INSTRUMENT CLUSTER HARNESS, PRIOR TO P.I.N. 8841101 (04) - ELECTRICAL SYSTEMS
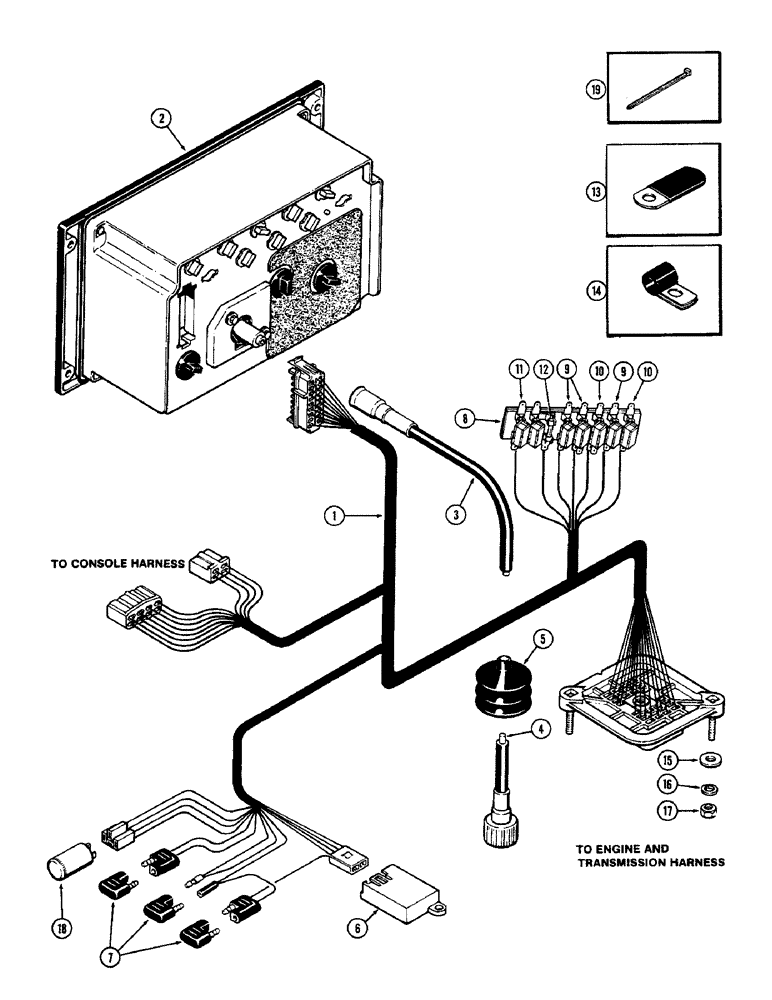
2
7
19
4
13
12
9
18
5
10
8
1
14
6
11
9
3
16
10
15
17
FIT
1:1
100%

Артикул

Название

Примечание

Количество

1

A147204

HARNESS

- instrument cluster

1шт.

2

REF

INSTRUCTION

CLUSTER - instrument (See Figure 4-102)

1шт.

3

A147207

CABLE

ASSEMBLY - tachometer, Includes: Ref. 4

1шт.

4

A24523

KIT

- tachometer cable repair

1шт.

5

A145931

BELLOWS

COVER - tachometer cable seal

1шт.

6

A162294

CONNECTOR, ELEC

MODULE - low coolant indicator (Replaces A147382) (See Figure 4-106)

1шт.

7

A147976

DIODE

- air filter and coolant level (See Figure 4-106)

3шт.

8

A147180

HOLDER

- fuse (See Figure 4-106)

1шт.

9

A141611

BREAKER

- circuit (15 ampere)

4шт.

10

A141612

BREAKER

- circuit (20 ampere)

2шт.

11

A141614

BREAKER

- circuit (30 ampere)

1шт.

12

223-26

FUSE,5 Amp, Type 3AG

- 5 ampere

1шт.

13

A37179

CLIP

- harness

1шт.

14

515-2295

CLAMP,3/8", Insul, 5/16" Bolt

- harness

1шт.

15

195-102

WASHER,1/4"

- 5/16 x 3/4 x 1/16" (7.94 x 19.05 x 1.59 mm)

2шт.

16

192-19

LOCK WASHER,Helical Spring, 0.256" ID, CST, ZND

WASHER, LOCK, 1/4"

2шт.

17

7770

NUT,Hex, 1/4 - 20, Cl 5

1/4"-20, G5

2шт.

18

A160116

RELAY

- time delay

1шт.

19

L18331

CABLE TIE,375.9mm L, Nylon, Black

STRAP - nylon, harness

1шт.

Выбрано товаров: 19