Запчасти Case IH 2590 (4-101A) - CAB HEADLINER WIRING, CAB SERIAL NUMBER 12050251 AND AFTER (04) - ELECTRICAL SYSTEMS

Схема запчастей Case IH 2590 - (4-101A) - CAB HEADLINER WIRING, CAB SERIAL NUMBER 12050251 AND AFTER (04) - ELECTRICAL SYSTEMS
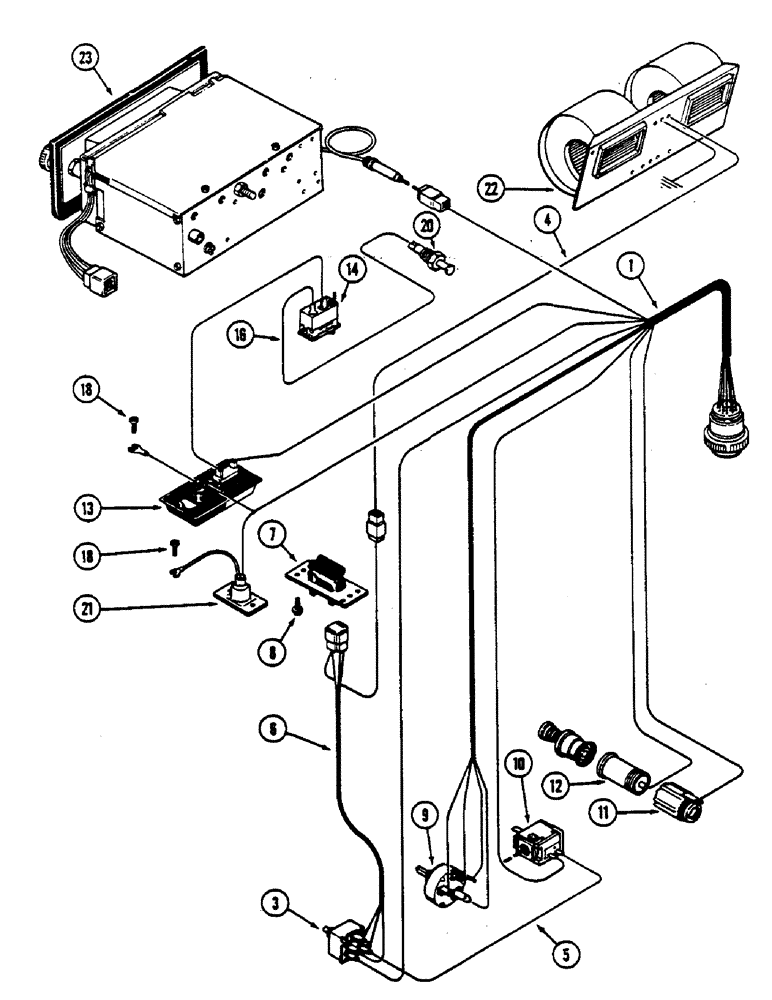
6
13
8
18
9
14
23
1
11
4
20
16
22
12
3
7
21
10
5
18
FIT
1:1
100%

Артикул

Название

Примечание

Количество

1

F98195

HARNESS

ASSEMBLY - headliner wiring

1шт.

3

REF

INSTRUCTION

SWITCH - blower (See Figure 9-400)

1шт.

4

F64443

ELECTRICAL WIRE

WIRE - switch to blower motor, red 88" (2235.2 MM)

1шт.

5

A42624

ELECTRICAL WIRE

WIRE - blower switch to air conditioning switch, black 6" (152.4 MM)

1шт.

6

F64222

HARNESS

- wire, blower switch resistor

1шт.

7

F44900

RESISTOR

- voltage

1шт.

8

187-579

SELF-TAP SCREW,Hex Wash Hd, #10 x 1/2"

SCREW - self-tapping, #10-16 x 1/2" washer head

1шт.

9

REF

INSTRUCTION

SWITCH - wiper (See Figure 9-400)

1шт.

10

REF

INSTRUCTION

SWITCH - air conditioning (See Figure 9-400)

1шт.

11

REF

INSTRUCTION

SHELL - lighter socket (See Figure 9-400)

1шт.

12

REF

INSTRUCTION

SOCKET - lighter (See Figure 9-400)

1шт.

13

REF

INSTRUCTION

LAMP - dome (See Figure 9-385A)

1шт.

14

REF

INSTRUCTION

SWITCH - dome lamp (See Figure 9-385A)

1шт.

16

F64127

ELECTRICAL WIRE

WIRE - switch to door switch, white 70" (1778 MM)

1шт.

18

187-579

SELF-TAP SCREW,Hex Wash Hd, #10 x 1/2"

SCREW - self-tapping, #10-16 x 1/2" Phillips pan head

1шт.

20

F63895

SWITCH

- lamp, door opening

1шт.

21

REF

INSTRUCTION

LAMP - console (See Figure 9-385A)

1шт.

22

REF

INSTRUCTION

BLOWER ASSEMBLY - (See Figure 9-388)

1шт.

23

REF

INSTRUCTION

RADIO - (See Figures 9-406 and 9-408)

1шт.

Выбрано товаров: 19