Запчасти Case IH 2590 (4-110) - SOLENOID AND CIRCUIT BREAKERS (04) - ELECTRICAL SYSTEMS

Схема запчастей Case IH 2590 - (4-110) - SOLENOID AND CIRCUIT BREAKERS (04) - ELECTRICAL SYSTEMS
10
4
13
7
1
26
21
25
8
9
5
15
20
15
6
3
14
8
22
14
18
23
19
12
7
2
FIT
1:1
100%

Артикул

Название

Примечание

Количество

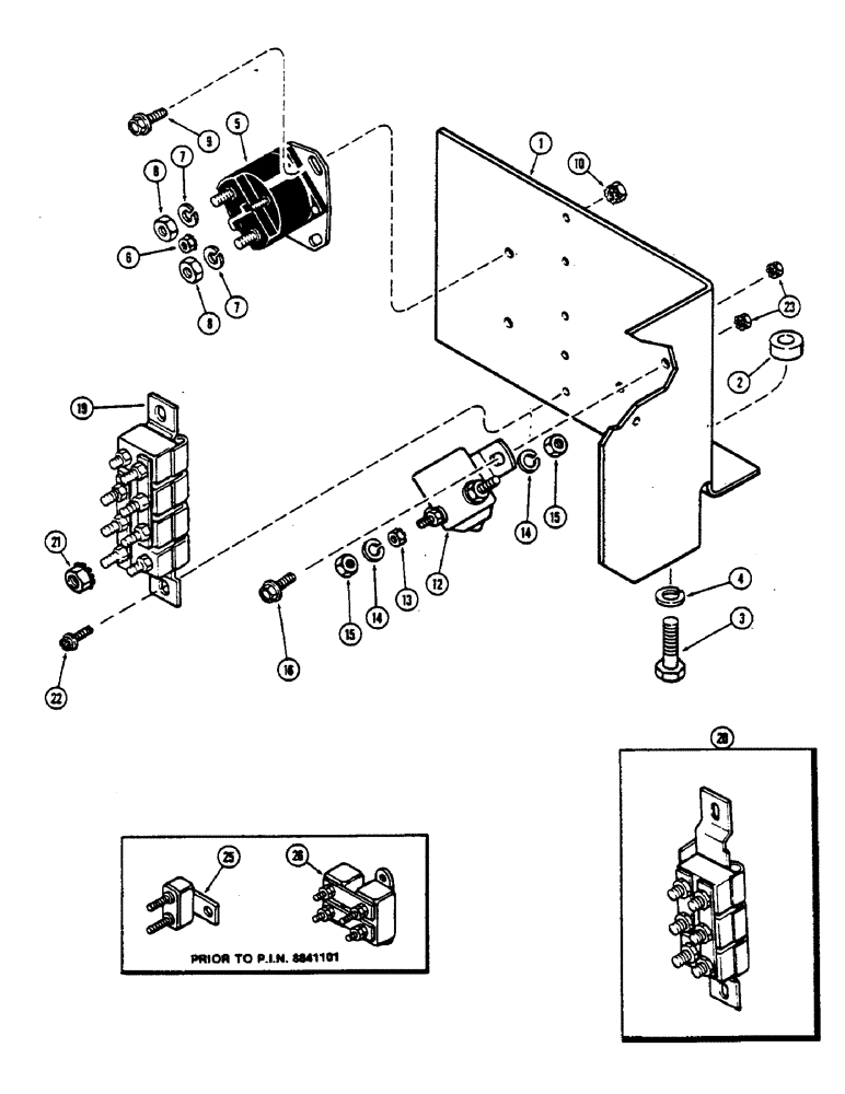
1

A161431

BRACKET

- mounting, solenoids and circuit breakers (Replaces A147773)

1шт.

2

A67289

BUSHING

SPACER - bracket mounting

2шт.

3

113-208

BOLT,Hex, 3/8" - 16 x 1-1/4", Gr 5

2шт.

4

192-21

LOCK WASHER,3/8"

WASHER, LOCK, 3/8"

2шт.

5

A39079

SOLENOID

SWITCH - solenoid, ignition

1шт.

6

193-1000

NUT,Keps, w/LW,#10-32

- terminal, #10-32 Keps

1шт.

7

192-20

LOCK WASHER,Helical Spring, 0.318" ID, CST, ZND

WASHER, LOCK, 5/16"

2шт.

8

9635082

NUT,5/16" - 18, Gr 5

2шт.

9

113-2

BOLT,Hex, 1/4" - 20 x 5/8", Gr 5

2шт.

10

193-1006

NUT,Keps, w/LW, 1/4"-20

- 1/4"-20 hex Keps

2шт.

12

A143500

SOLENOID SWITCH

SWITCH - solenoid, cab, Includes: Refs. 12 - 15

1шт.

13

193-1000

NUT,Keps, w/LW,#10-32

- terminal, #10-32 Keps

1шт.

14

192-21

LOCK WASHER,3/8"

WASHER, LOCK, 3/8"

2шт.

15

87016560

JAM NUT,Jam, 3/8"-16, G5

2шт.

16

187-1036

SELF-TAP SCREW,Hex Washer, 1/4" - 20 x 1/2"

SCREW - 1/4 x 1/2" hex self tapping

2шт.

19

A160983

BREAKER

- circuit, 20 and 150 ampere, Serial Range: -9950031

1шт.

20

A147549

BREAKER

- circuit, 20 and 100 ampere, Serial Range: 8841101-9950030

1шт.

21

193-1000

NUT,Keps, w/LW,#10-32

- #10-32 Keps

3шт.

22

113-2

BOLT,Hex, 1/4" - 20 x 5/8", Gr 5

2шт.

23

193-1006

NUT,Keps, w/LW, 1/4"-20

- 1/4" hex Keps

2шт.

25

A137775

BREAKER

- circuit, 20 ampere, Start Serial: 8841101

1шт.

26

A147004

BREAKER

- circuit, 100 ampere, Start Serial: 8841101

1шт.

Выбрано товаров: 22