Запчасти Case IH 2590 (4-124) - STARTER SOLENOID (04) - ELECTRICAL SYSTEMS

Схема запчастей Case IH 2590 - (4-124) - STARTER SOLENOID (04) - ELECTRICAL SYSTEMS
1
4
28
23
6
15
18
27
19
26
7
24
25
9
16
8
20
3
5
17
26
10
2
29
FIT
1:1
100%

Артикул

Название

Примечание

Количество

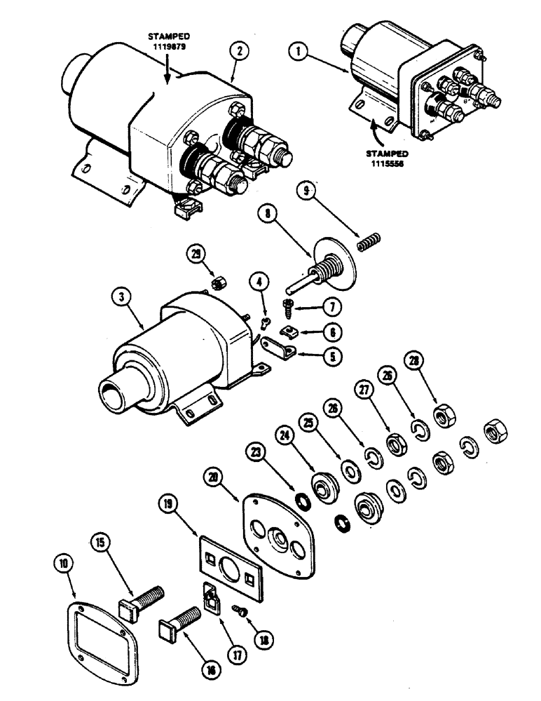
1

A47931

SOLENOID

ASSEMBLY - starter, stamped 1115556 (Serviced as complete assembly only), Includes: Refs. 3 - 29

1шт.

2

A25430

SOLENOID

ASSEMBLY - starter, stamped 1119879, Includes: Refs. 3 - 29

1шт.

3

NSS

NOT SOLD SEPARAT

CASE AND COIL ASSEMBLY - (Order A47931), Includes: Ref. 4

1шт.

4

NSS

NOT SOLD SEPARAT

CLIP - terminal, coil lead

1шт.

5

R15161

CONNECTOR, ELEC

CONNECTOR - ground

1шт.

6

R15182

CLIP

- terminal

2шт.

7

D32502

SCREW,Hex, #10 - 32 x 3/8"

- terminal clip

2шт.

8

D32498

CONTACT

DISC ASSEMBLY - contact

1шт.

9

D32499

SPRING

- contact disc return

1шт.

10

A42260

GASKET

- solenoid

1шт.

15

A41940

STUD

- battery terminal

1шт.

16

A41937

STUD

- starter terminal

1шт.

17

D29910

SUPPORT

- coil lead

1шт.

18

175-56

SCREW - coil lead, #6-32 x 3/16" truss head Slotted Truss Hd, #6-32 x 3/16"

1шт.

19

D32507

RUBBER INSULATOR

INSULATOR - plate

1шт.

20

D32504

COVER

PLATE - terminal

1шт.

23

D32508

INSULATOR

BUSHING - terminal studs, inside

2шт.

24

D32510

BUSHING

- terminal studs, outside

2шт.

25

D30006

WASHER

- terminal studs, 7/8" O.D.

2шт.

26

192-23

LOCK WASHER,1/2"

WASHER, LOCK, , Terminal studs 1/2"

4шт.

27

129-145

JAM NUT,Jam, 1/2"-13, G5

2шт.

28

129-105

NUT,Hex, 1/2" - 13, Gr 5

2шт.

29

D32500

NUT

ASSEMBLY - (Includes lock washer)

4шт.

Выбрано товаров: 23