Запчасти Case IH 2590 (4-144) - CAB MOUNTED LIGHTS AND WIRING, CAB SERIAL NUMBER 12013067 AND AFTER (04) - ELECTRICAL SYSTEMS

Схема запчастей Case IH 2590 - (4-144) - CAB MOUNTED LIGHTS AND WIRING, CAB SERIAL NUMBER 12013067 AND AFTER (04) - ELECTRICAL SYSTEMS
8
8
4
13
2
10
2
14
7
9
10
9
8
10
11
12
9
15
3
1
7
7
8
9
10
11
FIT
1:1
100%

Артикул

Название

Примечание

Количество

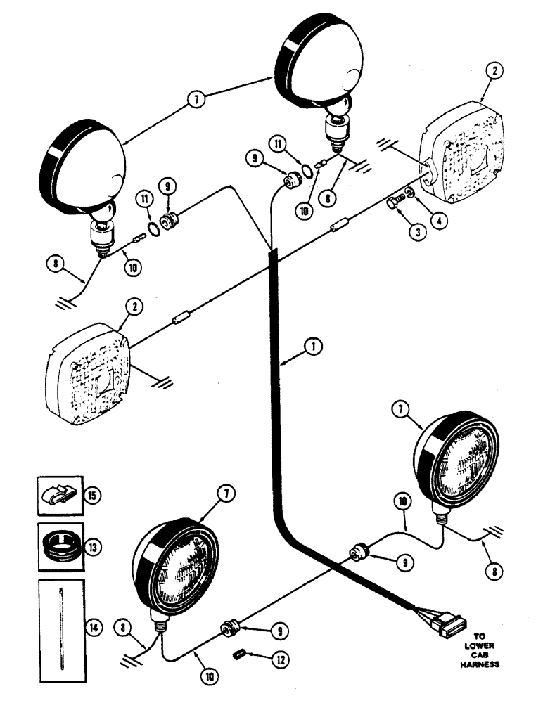
1

F64416

HARNESS

- wire, cab mounted upper lights

1шт.

2

REF

INSTRUCTION

LAMP - flasher warning (See Figure 4-136)

2шт.

3

113-38

BOLT,Hex, 1/4" - 20 x 5/8", Gr 2

- 1/4 x 5/8" NC hex (Grade 5)

4шт.

4

192-19

LOCK WASHER,Helical Spring, 0.256" ID, CST, ZND

WASHER, LOCK, 1/4"

4шт.

7

A145495

LAMP

- flood, front and rear (See Figure 4-142)

4шт.

8

A147344

ELECTRICAL WIRE

WIRE - ground, flood lamp, 8" black (203.2 MM)

4шт.

9

F64468

BUSHING

- terminal, flood lamp

4шт.

10

A160351

ELECTRICAL WIRE

WIRE - adapter 5" blue (127.0 MM)

4шт.

11

A61195

O-RING,0.364" ID x 0.5" OD

- terminal bushing, rear

2шт.

12

F64483

COVER

CAP - terminal

4шт.

13

353-701

BUSHING

- wire harness

1шт.

14

L18331

CABLE TIE,375.9mm L, Nylon, Black

STRAP - nylon, wire harness

1шт.

15

214-1104

CLAMP

- harness

2шт.

Выбрано товаров: 13