Запчасти Case IH 2594 (6-042) - TRANSMISSION, DUAL RANGE PLANETARY, 24 SPEED TRANSMISSION (06) - POWER TRAIN

Схема запчастей Case IH 2594 - (6-042) - TRANSMISSION, DUAL RANGE PLANETARY, 24 SPEED TRANSMISSION (06) - POWER TRAIN
23
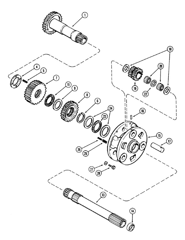
1
17
28
8
22
7
27
9
4
19
5
26
15
24
13
11
20
25
14
16
18
6
FIT
1:1
100%

Артикул

Название

Примечание

Количество

1

A168985

SHAFT

- planetary input drive, 9.91" long, 1.100" wide

1шт.

1

A153435

SHAFT

- planetary input drive, 9.105" long, .850" wide

1шт.

4

A154595

RETAINER

- gear spring

1шт.

5

A144795

SPRING

- gear retainer

4шт.

6

101-11200

SNAP RING,#200, 1.880", Ext

RING, SNAP, #200, 1.880", Ext

1шт.

7

A153779

GEAR

- sun, output

1шт.

8

A153778

GEAR

- sun, input

1шт.

9

H147785

BEARING WASHER

WASHER - thrust

1шт.

11

A154648

THRUST BEARING,44.5mm ID x 66.04mm OD x 2.69mm W

BEARING - needle, thrust, flanged

1шт.

13

A153441

SHAFT

ASSEMBLY - input drive, dual range, Includes: Ref. 14

1шт.

14

A144797

BUSHING

- input shaft

1шт.

15

A153781

CARRIER

- planetary

1шт.

16

135-339

GROOVED PIN,3/16" x 3/4", Type F

PIN grooved, 3/16" x 3/4", Type F

3шт.

17

A155278

PIN,26.5mm OD x 71.12mm L

- planet gear

3шт.

18

A153010

WASHER,26.57mm ID x 44.45mm OD x 0.81mm Thk

- thrust

6шт.

19

A153780

GEAR

- cluster

3шт.

20

A144856

ROLLER

BEARING - roller, planet gear

108шт.

22

A153783

SPACER

- roller bearing

3шт.

23

A66478

THRUST BEARING,2.007" ID x 2.74" OD x 0.0781"

BEARING - thrust

1шт.

24

D72372

WASHER,50.85mm ID x 69.6mm OD x 0.81mm Thk

- thrust

2шт.

25

A62606

SPRING

- return, (C5) clutch

3шт.

26

A62607

SPRING

- return, (C5) clutch

3шт.

27

A140282

WASHER,9.78mm ID x 19.66mm OD x 0.81mm Thk

- hardened

6шт.

28

326-620

BOLT,Hex, 3/8" - 16 x 1-1/4", Gr 8

6шт.

Выбрано товаров: 24