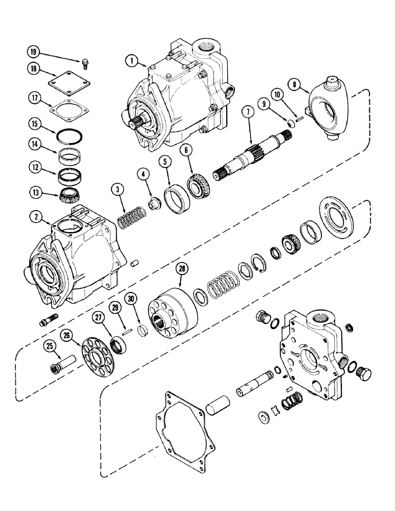
Запчасти Case IH 2594 (8-014) - GEAR AND PISTON PUMP ASSEMBLY (08) - HYDRAULICS

Схема запчастей Case IH 2594 - (8-014) - GEAR AND PISTON PUMP ASSEMBLY (08) - HYDRAULICS
15
29
5
3
10
18
14
25
8
26
27
19
28
7
17
30
9
2
4
1
13
12
6
FIT
1:1
100%

Артикул

Название

Примечание

Количество

1

A166505

PUMP, HYDRAULIC

PUMP ASSEMBLY - hydraulic, Includes: Ref. 2 - 30 and 31 - 59 on fig. 8-16

1шт.

2

A47278

HOUSING

- pump, piston

1шт.

3

A47281

SPRING

- piston pump housing

1шт.

4

A47282

PLUG

SEAT - spring

1шт.

5

D59595

TAPERED BEARING

CUP - bearing (Order 642954R1)

1шт.

6

A31272

ROLLER BEARING,1" ID x 0.8125"

CONE - bearing (Order 594446R1)

1шт.

7

A47289

SHAFT

- drive, piston pump

1шт.

8

A47284

YOKE

- swing

1шт.

9

A47283

SEAT

- spherical

1шт.

10

138-88

LOCK PIN,3/16" x 1/2", Slotted

PIN, 3/16" x 1/2", Slotted

1шт.

12

D29267

BEARING CUP,1.98" OD x 0.42"

CUP - bearing (Order 572564R1)

2шт.

13

D53168

TAPERED BEARING

CONE - bearing (Order 572563R1)

2шт.

14

A47286

SPACER

- bearing

2шт.

15

238-5137

O-RING,0.103" Thk x 2.05" ID, -137, Cl 5, 75 Duro

2шт.

A47287

KIT

- yoke bearing shim (Replaces A47287) (Order 145590C1), Includes: Ref. 17

1шт.

17

NSS

NOT SOLD SEPARAT

SHIM - 0.003 inch (3 in kit)

1шт.

17

NSS

NOT SOLD SEPARAT

SHIM - 0.005 inch (2 in kit)

1шт.

17

NSS

NOT SOLD SEPARAT

SHIM - 0.010 inch (2 in kit)

1шт.

18

A47288

COVER

- housing

2шт.

19

121-3

SERRATED BOLT,Hex, 1/4" - 20 x 1/2", Gr 5

8шт.

25

A47334

PACKAGE

KIT - piston (Includes 9 pistons and 9 shoes)

1шт.

26

A47292

PLATE

- shoe

1шт.

Part of Rotating Group Kit, P/N N8303

1шт.

27

A47293

WASHER

- spherical

1шт.

Part of Rotating Group Kit, P/N N8303

1шт.

28

A47295

BLOCK

- cylinder

1шт.

29

A47296

PIN

- block

3шт.

Part of Rotating Group Kit, P/N N8303

1шт.

30

A47297

SNAP RING,7.11mm Thk, Int

- pin

1шт.

Part of Rotating Group Kit, P/N N8303

1шт.

N8303

KIT

- rotating group, Includes: ref. nos. 26 - 30 on Figures: 8-14 & 8-16, Order 145592C91

1шт.

Выбрано товаров: 31