Запчасти Case IH 2594 (8-102) - REMOTE HYDRAULIC CYLINDER ATTACHING PARTS (08) - HYDRAULICS

Схема запчастей Case IH 2594 - (8-102) - REMOTE HYDRAULIC CYLINDER ATTACHING PARTS (08) - HYDRAULICS
19
4
23
6
21
17
15
20
8
2
10
10
1
4
24
12
3
9
11
14
33
5
5
22
18
2
32
3
30
31
25
7
16
FIT
1:1
100%

Артикул

Название

Примечание

Количество

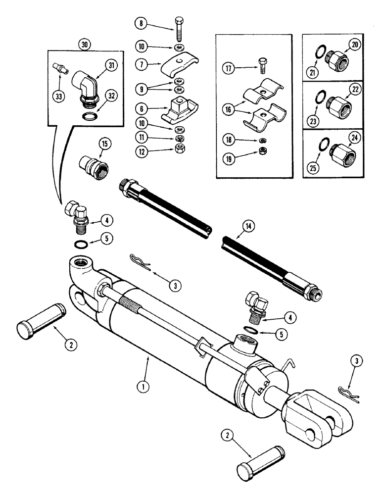
A149161

CYLINDER

ATTACHMENT - remote hydraulic cylinder (Machinery item), Includes: Ref. 1 - 15

1шт.

1

REF

INSTRUCTION

CYLINDER - hydraulic (See Figure: 8-106)

1шт.

2

A27347

PIN

- retaining

2шт.

3

A29054

HAIR PIN COTTER

- retaining, hair type

2шт.

4

218-5201

90 ELBOW,90 Degree, 7/8"-14 O-Ring x 1/2" NPSM Fem

- 90 deg, 7/8-14 adj o-ring x 1/2 inch swivel str pipe, Includes: Ref. 5

2шт.

5

237-6010

O-RING,0.097" Thk x 0.755" ID, -910, Cl 6, 90 Duro

10-1, 90 Duro, .755" ID x .097" Thk

1шт.

6

D124301

CLAMP,3/4" ID

- tube

1шт.

7

D120614

CLAMP,25mm W x 68mm L x 9mm Thk

- tube, cap

1шт.

8

413-636

BOLT,Hex, 3/8" - 16 x 2-1/4", Gr 5

1шт.

9

495-21038

WASHER,5/16"

(flat, 3/8 x 7/8 x 3/32") 5/16"

2шт.

10

495-21044

WASHER,3/8"

(flat, 7/16 x 1 x 5/64 inch) 3/8"

2шт.

11

492-11038

LOCK WASHER,3/8"

1шт.

12

425-106

NUT,3/8"-16, Cl 5

1шт.

14

A135006

HYDRAULIC HOSE,0.50" ID x 106.00", SAE 100R1 per SAE 100 R1

0.50" ID x 106.00", SAE 100R1 per SAE 100 R1

1шт.

14

A135007

HYDRAULIC HOSE,0.50" ID x 118.00", SAE 100R1 per SAE 100 R1

0.50" ID x 118.00", SAE 100R1 per SAE 100 R1

1шт.

15

REF

INSTRUCTION

COUPLING - male (See Fig. 8-104)

2шт.

16

A27440

CLAMP

- hose

2шт.

17

413-512

BOLT,Hex, 5/16" - 18 x 3/4", Gr 5

- hex, 5/16 NC x 3/4 inch

1шт.

18

492-11031

LOCK WASHER,5/16"

WASHER, LOCK, 5/16"

1шт.

19

425-105

NUT,5/16"-18, G5

1шт.

A135687

ADAPTER

KIT - adapter, coupling (JI Case implement hose), hydraulic hose, Includes: Ref. 20 and 21

1шт.

20

NSS

NOT SOLD SEPARAT

ADAPTER - 7/8 inch-14 male x 7/8 inch-18 female, hydraulic hose, Includes: Ref. 21

1шт.

21

237-6010

O-RING,0.097" Thk x 0.755" ID, -910, Cl 6, 90 Duro

10-1, 90 Duro, .755" ID x .097" Thk, Hydraulic hose adapters

1шт.

A135688

ADAPTER

KIT - adapter, coupling (John Deere implement hose), hydraulic hose, Includes: Ref. 22 and 23

1шт.

22

NSS

NOT SOLD SEPARAT

ADAPTER - 7/8 inch-14 male x 3/4 inch-16 female, hydraulic hose, Includes: Ref. 23

1шт.

23

237-6010

O-RING,0.097" Thk x 0.755" ID, -910, Cl 6, 90 Duro

10-1, 90 Duro, .755" ID x .097" Thk, Hydraulic hose adapters

1шт.

24

218-5095

ADAPTER,7/8" - 14 ORB x 1/2" NPT

- straight, 7/8-14 o-ring boss x 1/2 inch female PT (International Harvester implement hose), hydraulic hose, Includes: Ref. 25

1шт.

25

237-6010

O-RING,0.097" Thk x 0.755" ID, -910, Cl 6, 90 Duro

10-1, 90 Duro, .755" ID x .097" Thk, Hydraulic hose adapters

1шт.

30

A65954

REGULATOR

ASSEMBLY - oil return, cylinder return flow regulator, Includes: Ref. 31 - 33

1шт.

31

A65955

ELBOW,90 Degree, 7/8"-14" O-Ring x 1/2" NPT Fem

- 90 degree, regulator, cylinder return flow, Includes: Ref. 32

1шт.

32

237-6010

O-RING,0.097" Thk x 0.755" ID, -910, Cl 6, 90 Duro

10-1, 90 Duro, .755" ID x .097" Thk, Cylinder return flow regulator

1шт.

33

A57369

SPOOL

- regulator, cylinder return flow

1шт.

Выбрано товаров: 32