Запчасти Case IH 2594 (8-120) - HITCH VALVE (08) - HYDRAULICS

Схема запчастей Case IH 2594 - (8-120) - HITCH VALVE (08) - HYDRAULICS
6
28
16
26
24
33
31
20
15
37
29
13
21
3
12
25
36
5
27
7
1
2
23
32
38
5
18
10
8
4
17
34
30
35
11
6
9
FIT
1:1
100%

Артикул

Название

Примечание

Количество

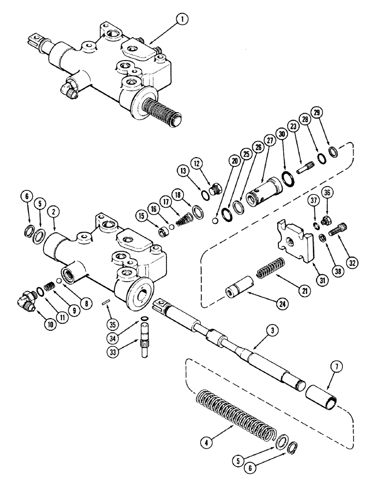
1

A143713

VALVE

ASSEMBLY - hitch control, Includes: Ref. 1 - 38

1шт.

2

NSS

NOT SOLD SEPARAT

BODY - control valve

1шт.

3

NSS

NOT SOLD SEPARAT

SPOOL - control valve

1шт.

4

A58366

SPRING

- return

1шт.

5

A58365

WASHER

- spring retainer

2шт.

6

A35094

SNAP RING,#81, Ext

RING snap, #81, Ext

2шт.

7

A160367

BUSHING

SPACER - spool stop

1шт.

8

211-212

BALL

- 7/16 inch, grade 200, chrome alloy steel

1шт.

9

A61510

SPRING

- check valve

1шт.

10

218-5105

ELBOW,90 Degree Elbow, 9/16" - 18 Male JIC x 9/16" - 18 Male ORB

- 90 degree, 9/16-18 inch flare x adj o-ring boss, Includes: Ref. 11

1шт.

12

9625178

PLUG,9/16" - 18 ORB

Incl. Ref. 13 Hex Soc, 9/16"-18 ORB

1шт.

15

L10120

SEAT

- ball, load check

1шт.

16

211-212

BALL

- 7/16 inch, grade 200, chrome alloy steel

1шт.

17

A35099

SPRING

- load check

1шт.

18

A35547

RING

- rectangular, sealing

1шт.

20

211-214

BALL,1/2" Dia

- 1/2 inch, grade 200, chrome alloy steel

1шт.

21

A149794

SPRING

- poppet

1шт.

23

A149766

ADJUSTMENT SCREW,3/8" - 24 x 0.75"

SCREW - adjusting

1шт.

24

A149767

PISTON

- poppet, lowering

1шт.

25

238-5019

O-RING,0.07" Thk x 0.801" ID, -19, Cl 5, 75 Duro

-019, 70 Duro, .801" ID x .070" Thk

1шт.

26

A149775

RING

WASHER - backup

1шт.

27

A149768

SLEEVE

- poppet, lowering

1шт.

28

238-5016

O-RING,0.07" Thk x 0.614" ID, -16, Cl 5, 75 Duro

-016, 70 Duro, .614" ID x .070" Thk

1шт.

29

A34493

RING,16.33mm ID x 19.02mm OD x 1.25mm Thk

- backup

1шт.

30

238-5118

O-RING,0.103" Thk x 0.862" ID, -118, Cl 5, 75 Duro

1шт.

31

A162629

COVER

- control valve

1шт.

32

27587R1

12 PT SCREW,Flg, 5/16"-18 x 1"

BOLT - 12 point, 5/16 NC x 1 inch, grade 8

4шт.

33

A161270

SCREW,5/8" - 11 x 2 3/16"

- throttle

1шт.

34

238-6012

O-RING,0.07" Thk x 0.364" ID, -12, Cl 6, 90 Duro

1шт.

35

138-39

LOCK PIN,3/32" x 5/8", Slotted

PIN, 3/32" x 5/8", Slotted

1шт.

36

86632547

PLUG,Hex, 5/16"-24 ORB

Includes Ref. 37 Hex Soc, 5/16"-24 ORB

1шт.

37

237-6002

O-RING,0.064" Thk x 0.239" ID, -902, Cl 6, 90 Duro

2-1, .239" ID x .064" Thk

1шт.

38

A148875

WASHER,8.2mm ID x 12.7mm OD x 0.86mm Thk

- cover bolt

4шт.

11

237-6006

O-RING,0.078" Thk x 0.468" ID, -906, Cl 6, 90 Duro

6-1, 90 Duro, .468" ID x .078" Thk

1шт.

13

237-6006

O-RING,0.078" Thk x 0.468" ID, -906, Cl 6, 90 Duro

6-1, 90 Duro, .468" ID x .078" Thk

1шт.

Выбрано товаров: 35