Запчасти Case IH 2594 (9-070) - CLOTH SEAT, AIR/OIL SUSPENSION, P.I.N. 9938101 AND AFTER (09) - CHASSIS/ATTACHMENTS

Схема запчастей Case IH 2594 - (9-070) - CLOTH SEAT, AIR/OIL SUSPENSION, P.I.N. 9938101 AND AFTER (09) - CHASSIS/ATTACHMENTS
37
3
28
33
22
9
39
11
4
13
35
46
41
31
14
7
6
19
30
20
42
1
4
23
45
39
24
8
44
18
26
38
21
5
4
40
12
34
25
7
27
8
11
10
32
FIT
1:1
100%

Артикул

Название

Примечание

Количество

A181028

SEAT

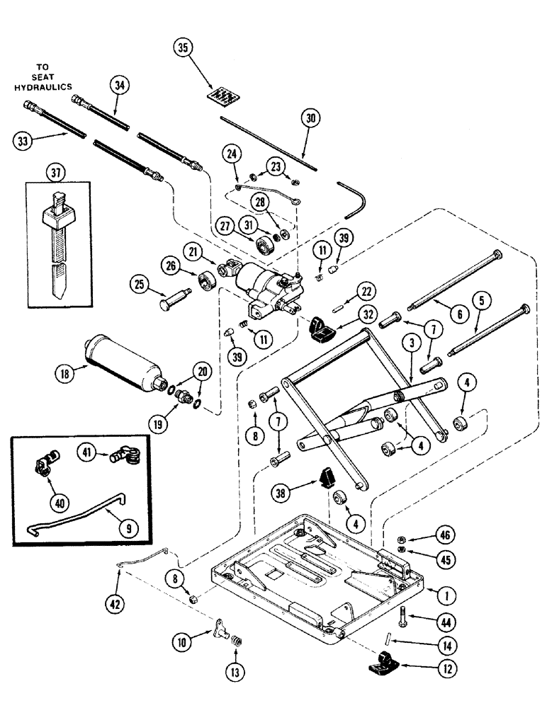
ASSEMBLY - air/oil suspension (Order seat 1340261C2 and channel 1975275C1) (See Figure: 9-74), Includes: Ref. 1 - 46

1шт.

1

A49524

HOUSING

ASSEMBLY - suspension, lower

1шт.

3

A49526

ARM

ASSEMBLY - suspension

1шт.

4

A49527

ROLLER

- suspension

4шт.

5

A49528

SHAFT

- torque tube

1шт.

6

A49529

SHAFT

- scissor arm

1шт.

7

A47760

BUSHING

- shaft

4шт.

8

230-4216

LOCK NUT,3/8"-16, GA

NUT - hex, self-locking, 3/8 inch NC

2шт.

9

49532

WIRE - control, suspension (Order 1971234C1)

1шт.

10

A49535

LEVER

CONTROL ASSEMBLY - height adjustment

1шт.

11

A49537

SPRING

- control

2шт.

12

A49829

HANDLE

- height adjustment

1шт.

13

A49538

SPRING

- control

1шт.

14

38-11016

LOCK PIN,5/32" x 1", Slotted

Pin, 5/32" x 1", Slotted

1шт.

A49611

GASKET

MODULE ASSEMBLY - hydraulic, final, Includes: Ref. 18 - 35

1шт.

18

A49617

ACCUMULATOR

- module

1шт.

19

A49620

FITTING

UNION - straight, Includes: Ref. 20

1шт.

20

237-6008

O-RING,0.087" Thk x 0.644" ID, -908, Cl 6, 90 Duro

8-1, 90 Duro, .644" ID x .087" Thk

2шт.

21

REF

INSTRUCTION

CYLINDER ASSEMBLY - module (See Figure 9-50)

1шт.

22

138-2057

PIN,5/32" x 5/8", Coiled

1шт.

23

A49623

RING, SNAP

RING - retaining

2шт.

24

A49615

ROD

- linkage, valve

1шт.

25

A49613

SHAFT

- cam roller

1шт.

26

A121727A1

BEARING - roller

2шт.

27

A49616

NEEDLE BEARING,16.99mm ID x 40mm OD x 20mm W

BEARING - follower, cam

1шт.

28

131-425

PUSH-ON NUT,Push, 1/2"

NUT, LOCK, Push, 1/2"

1шт.

30

A49609

HOSE,0.38" ID x 39.00"

- Drain (Order A167912)

1шт.

31

95-81077

WASHER,0.39" ID x 0.62" OD x 0.07" Thk

- flat, 25/64 x 5/8 x 1/16 inch

1шт.

32

A49827

BUTTON

KNOB - damper valve

1шт.

33

A176631

HOSE ASSY.,6.35 mm ID x 63.00 mm, SAE100R1

6.35 mm ID x 63.00 mm, SAE 100R1 - Pressure, Seat

1шт.

34

A176632

HOSE ASSY.

HOSE - return, seat

1шт.

35

A49621

DECAL

LABEL - supply, pressure

1шт.

37

L18337

CABLE TIE,9.95"-12.1" lg

STRAP - tie, 15 inch, nylon

1шт.

38

A49530

INSULATOR BLOCK

BUMPER - suspension

2шт.

39

A49531

PIN

- trunnion

2шт.

40

A49533

HOSE

CLIP - retaining, left hand (Order 1971234C1)

1шт.

41

A49534

CLIP

- retaining, right hand (Order 1971234C1)

1шт.

42

1971234C1

CLIP

WIRE - control, suspension

1шт.

44

413-528

BOLT,Hex, 5/16" - 18 x 1-3/4", Gr 5

- hex, 5/16 NC x 1-3/4 inch

4шт.

45

492-11031

LOCK WASHER,5/16"

WASHER, LOCK, 5/16"

4шт.

46

131-205

LOCK NUT,5/16"-18

NUT - heavy hex, self-locking, 5/16 inch NC

4шт.

Выбрано товаров: 41