Запчасти Case IH 2594 (9-108) - CAB, DOOR RETAINING PARTS (09) - CHASSIS/ATTACHMENTS

Схема запчастей Case IH 2594 - (9-108) - CAB, DOOR RETAINING PARTS (09) - CHASSIS/ATTACHMENTS
42
39
22
37
4
47
40
48
2
5
48
25
24
3
41
23
36
28
30
26
1
29
38
46
45
27
FIT
1:1
100%

Артикул

Название

Примечание

Количество

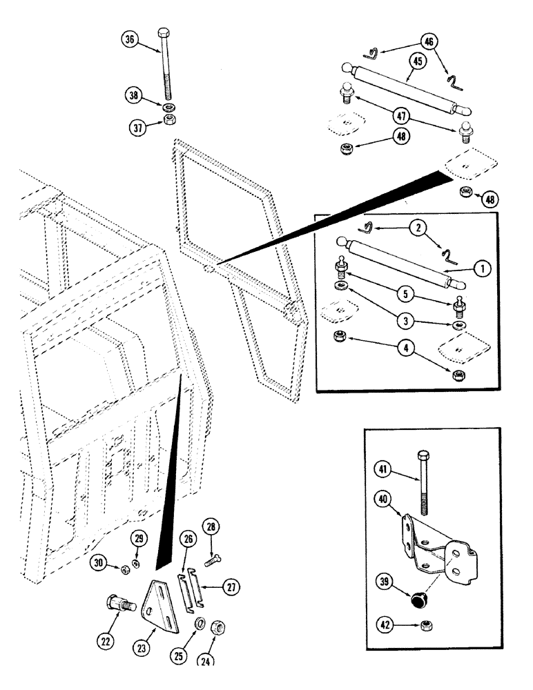
1

A181297

SPRING

CYLINDER ASSEMBLY - door (Order 98153C1)

1шт.

1

F64937

SHOCK ABSORBER

CYLINDER ASSEMBLY - door (Order 98153C1)

1шт.

2

F44883

CLIP,DIN 71805 - S10

- retainer (Replaces A177269)

2шт.

2

A177269

CLIP

- retainer (Used with cylinder F64937)

2шт.

3

495-21038

WASHER,5/16"

(flat, 3/8 x 7/8 x 3/32") 5/16"

2шт.

4

230-4215

NUT,5/16"-18, GA

NUT - hex, self-locking, 5/16 inch NC

2шт.

5

A180015

STUD

- ball (Order 98153C1)

2шт.

22

F66210

STRIKER PLATE

STRIKER - door latch

1шт.

23

F64301

BRACKET

- striker mounting

1шт.

24

231-1447

NUT,7/16"-14, GB

NUT, LOCK, 7/16"-14, GB

1шт.

25

195-2018

WASHER,.469" x 3/4" x .065"

- flat, 15/32 x 3/4 x 1/16 inch

2шт.

26

F63785

SHIM

- striker bracket, 5/64 inch

2шт.

27

F63786

SHIM

- striker bracket, 3/64 inch

2шт.

28

443-52516

SCREW,Cross Flat Hd, 1/4"-20 x 1", G5

- flat head, 1/4 NC x 1 inch

2шт.

29

495-11028

WASHER,1/4", SAE

(flat, 9/32 x 5/8 x 1/16") 1/4", SAE

2шт.

30

231-1444

NUT,1/4"-20, GB

NUT, LOCK, 1/4"-20, GB

2шт.

36

413-676

BOLT,Hex, 3/8" - 16 x 4-3/4", Gr 5

- hex, 3/8 NC x 4-3/4 inch

2шт.

37

131-1306

JAM NUT,Jam, 3/8"-16

NUT - hex, jam, self-locking, 3/8 inch NC

2шт.

38

F64046

WASHER,9.91mm ID x 19.05mm OD x 0.76mm Thk

- thrust

2шт.

A176168

STOP

KIT - door stop (Order components), Includes: Ref. 39 - 42

1шт.

39

L60224

BUMPER

BUMBER - door stop

8шт.

40

A176027

DOOR

STOP - door

2шт.

41

413-676

BOLT,Hex, 3/8" - 16 x 4-3/4", Gr 5

- hex, 3/8 NC x 4-3/4 inch

2шт.

42

230-4116

LOCK NUT,3/8"-16, GA

NUT - hex lock, 3/8 inch NC

2шт.

98153C1

KIT

- cylinder assembly, Includes: Ref. 45 - 48

1шт.

45

A185714

GAS STRUT

CYLINDER - door

1шт.

46

3233348R1

CLIP

- retaining

2шт.

47

3234063R1

BALL STUD,M10 x 1.5

STUD - ball, 13 mm diameter

2шт.

48

825-1410

NUT,M10, Cl 8

2шт.

Выбрано товаров: 29