Запчасти Case IH 2594 (9-148) - REAR WINDOW WIPER (09) - CHASSIS/ATTACHMENTS

Схема запчастей Case IH 2594 - (9-148) - REAR WINDOW WIPER (09) - CHASSIS/ATTACHMENTS
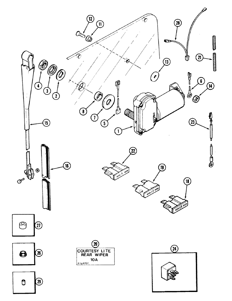
21
15
16
29
18
26
4
8
1
3
24
14
13
2
16
20
6
7
12
23
5
27
22
28
11
FIT
1:1
100%

Артикул

Название

Примечание

Количество

A164686

WIPER MOTOR

WIPER KIT - window, rear (Machinery item), Includes: Ref. 1 - 24

1шт.

1

F93209

WIPER MOTOR

MOTOR - wiper, Includes: Ref. 2 - 4

1шт.

2

NSS

NOT SOLD SEPARAT

WASHER - leather

1шт.

3

NSS

NOT SOLD SEPARAT

SPACER - wiper motor

1шт.

4

NSS

NOT SOLD SEPARAT

NUT - wiper motor

1шт.

5

A165311

ELECTRICAL WIRE

WIRE - power, wiper motor

1шт.

6

A165075

ELECTRICAL WIRE

WIRE - ground, wiper motor

1шт.

7

A165073

WASHER

- nylon, 5/8 x 1-1/2 x 7/64 inch

1шт.

8

A165074

SPACER

- nylon, 7/8 inch O.D.

1шт.

11

F64198

BUMPER,4.98mm ID x 7.92mm OD x 10.21mm L

- mounting, motor

1шт.

12

142-102

SCREW,Cross Oval Hd, #10 - 24 x 3/4"

- machine, oval head Phillips, No. 10 NC x 3/4 inch

1шт.

13

A165076

WASHER,7.87mm ID x 25.4mm OD x 3.05mm Thk

- nylon, 5/16 x 1 x 7/64 inch

1шт.

14

230-42409

NUT,#10-24, GA

NUT - hex, self-locking, No. 10 NC

1шт.

15

T41946

ARM

- wiper blade, 15 inch

1шт.

16

A42580

WIPER BLADE,203.2mm L

BLADE - wiper, 16 inch

1шт.

18

A149801

FUSE,Lt Blue, 15 Amp

- 15 ampere (Light blue)

1шт.

19

A149800

FUSE,10 Amp

- 10 ampere (Red)

1шт.

20

A164491

DECAL

- 10 ampere fuse

1шт.

21

L77320

CONDUIT

- convoluted (Order 824970C1)

1шт.

22

A149798

FUSE

- 5 ampere (Tan) (Not used this application)

1шт.

23

A181164

HARNESS

WIRE - power

1шт.

24

A147176

RELAY

- 30 amp

1шт.

26

F64468

BUSHING

- terminal

1шт.

27

353-701

BUSHING

- harness

1шт.

28

F64723

HARNESS

- rear wiper

1шт.

29

F64483

COVER

CAP - terminal

1шт.

Выбрано товаров: 26