Запчасти Case IH 2594 (9-150) - AIR CONDITIONING, COMPRESSOR MOUNTING AND DRIVE (09) - CHASSIS/ATTACHMENTS

Схема запчастей Case IH 2594 - (9-150) - AIR CONDITIONING, COMPRESSOR MOUNTING AND DRIVE (09) - CHASSIS/ATTACHMENTS
22
20
1
16
10
27
10
5
21
24
23
4
14
9
25
8
20
11
3
18
17
15
6
12
2
26
13
FIT
1:1
100%

Артикул

Название

Примечание

Количество

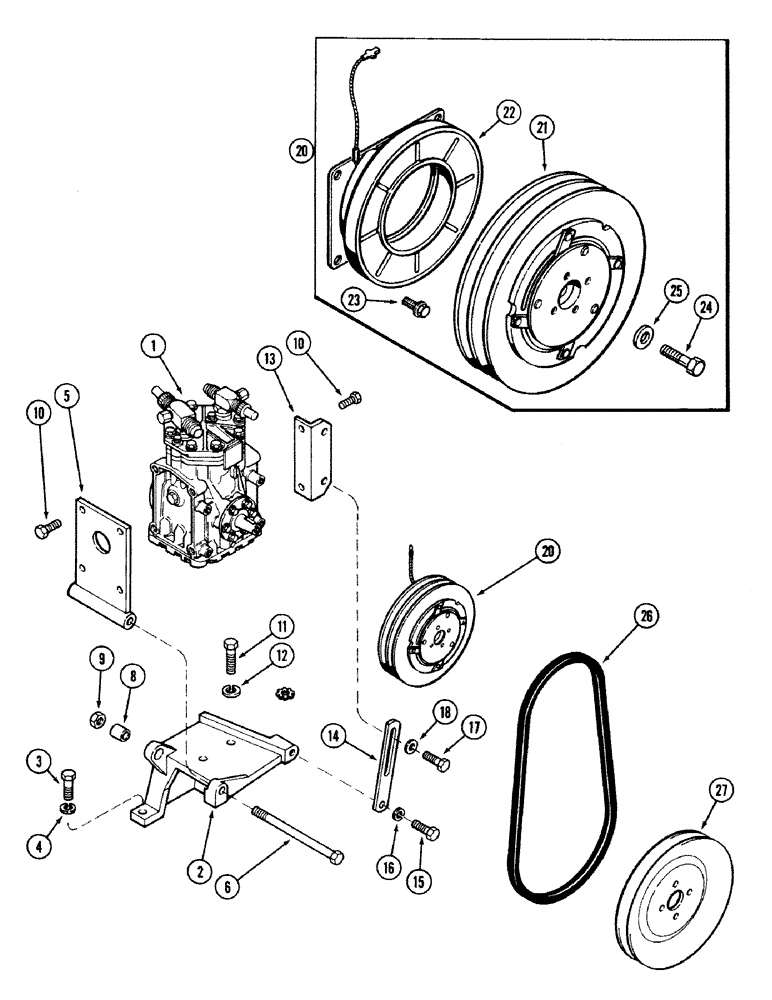
1

REF

INSTRUCTION

COMPRESSOR - air conditioning (See Figure: 9-154)

1шт.

2

A161525

SUPPORT

- compressor tilt mount

1шт.

3

413-822

BOLT,Hex, 1/2" - 13 x 1-3/8", Gr 5

- hex, 1/2 NC x 1-3/8 inch

2шт.

4

80679

LOCK WASHER,1/20.507 CST ZND

WASHER, LOCK, 1/2"

2шт.

5

A161611

SUPPORT

- compressor tilt

1шт.

6

413-8120

BOLT,Hex, 1/2" - 13 x 7-1/2", Gr 5

- hex, 1/2 NC x 7-1/2 inch

1шт.

8

A161610

SPACER

- mounting bolt

1шт.

9

230-4218

LOCK NUT,1/2"-13, GA

NUT - hex, self-locking, 1/2 inch NC

1шт.

10

409-7612

BOLT,3/8"-16 x 1.09" OAL

- hex flange, self-locking, 3/8 NC x 3/4 inch

6шт.

11

413-624

BOLT,Hex, 3/8" - 16 x 1-1/2", Gr 5

- hex, 3/8 NC x 1-1/2 inch

2шт.

12

92-11038

LOCK WASHER,3/8"

WASHER, LOCK, 3/8"

2шт.

13

A162406

ANGLE

- tilt adjusting

1шт.

14

A145521

STRAP

- tilt adusting

1шт.

15

413-616

BOLT,Hex, 3/8" - 16 x 1", Gr 5

- hex, 3/8 NC x 1 inch

1шт.

16

492-11038

LOCK WASHER,3/8"

1шт.

17

413-516

BOLT,Hex, 5/16" - 18 x 1", Gr 5

- hex, 5/16 NC x 1 inch

1шт.

18

495-21038

WASHER,5/16"

(flat, 3/8 x 7/8 x 3/32") 5/16"

1шт.

20

A162008

CLUTCH

ASSEMBLY - compressor, Includes: Ref. 21 - 25

1шт.

21

NSS

NOT SOLD SEPARAT

PULLEY - rotor

1шт.

22

NSS

NOT SOLD SEPARAT

FIELD - pulley

1шт.

23

121-3

SERRATED BOLT,Hex, 1/4" - 20 x 1/2", Gr 5

4шт.

24

114-100

BOLT,Hex, 5/16" - 24 x 1-1/4", Gr 5

- hex, 5/16 NF x 1-1/4 inch

1шт.

25

A27343

BUSHING

SPACER - clutch, 11/32 x 15/16 x 7/64 inch

1шт.

26

51200857

BELT,0.53" W x 44.55" L

Compressor drive 0.53" W x 44.55" L

1шт.

27

A145140

PULLEY

- compressor drive (On water pump)

1шт.

Выбрано товаров: 25