Запчасти Case IH 2594 (3-16) - FUEL TANK AND LINES (03) - FUEL SYSTEM

Схема запчастей Case IH 2594 - (3-16) - FUEL TANK AND LINES (03) - FUEL SYSTEM
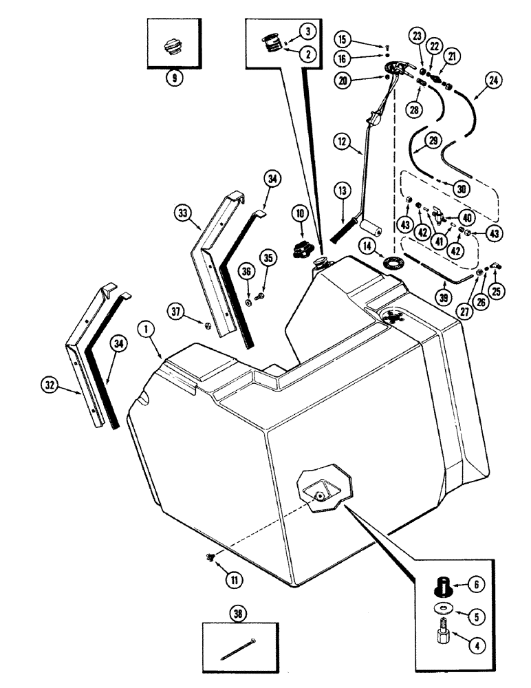
9
37
2
24
11
41
15
33
43
30
34
10
6
35
29
1
38
3
34
40
16
42
4
42
12
20
21
22
39
23
28
14
5
32
27
13
26
43
25
36
FIT
1:1
100%

Артикул

Название

Примечание

Количество

1

A162753

TANK

ASSEMBLY - fuel, 85 gallon, Includes: Refs. 2 - 6

1шт.

2

A147375

NECK FILLER

INSERT - filler neck

1шт.

3

A161306

LOCK

NUT - filler neck

1шт.

4

A65890

STUD,3/8" - 16 x 1/4" NPT

- drain valve

1шт.

5

A65892

WASHER

- stud

1шт.

6

A143035

NUT,31.75mm OD x 26.97mm L

FASTENER - stud

1шт.

9

A160226

CAP

- filler (Prior to P.I.N. 9937533)

1шт.

10

D133285

CAP

- filler (Replaces A180111) (P.I.N. 9937533 and after)

1шт.

11

217-103

COCK, DRAIN

VALVE - drain, 1/4 inch PT

1шт.

12

A161769

TRANSMITTER

SENDER ASSEMBLY - fuel level, Includes: Ref. 13

1шт.

13

A47706

STRAINER ELEMENT

STRAINER - fuel

1шт.

14

104812C3

GASKET,3.05mm Thk

- fuel sender

1шт.

15

470-1108

SCREW,Slotted Pan Hd, #10-24 x 1/2"

- machine, pan head slotted, No. 10 NC x 1/2 inch

5шт.

16

492-11010

LOCK WASHER,#10

WASHER, LOCK, #10

5шт.

20

193-1000

NUT,Keps, w/LW,#10-32

- hex, with external tooth lock washer, No. 10 NF

1шт.

21

222-2651

HYD CONNECTOR,17/32"-24

CONNECTOR - compression, 3/8 inch tube O.D., Includes: Refs. 22 and 23

1шт.

22

222-2611

SLEEVE

- flanged, 3/8 inch O.D. tube

2шт.

23

222-2601

NUT

NUT - hex, 3/8 tube O.D. x 17/32 inch NF

2шт.

24

A66118

TUBE

- fuel supply, 3/8 O.D. x 38 inch, nylon (Order A167912 and, Serial Range: cut-length)

1шт.

25

222-2726

ELBOW,45 Degree, 17/32"-24 x 1/4" NPT, Comp

- 45 deg, compression, 3/8 tube O.D. x 1/4 inch PT, Includes: Ref. 26

1шт.

26

222-5186

SLEEVE,3/8" Tube

- 3/8 inch tube O.D.

1шт.

27

222-5181

NUT,9/16"-24

NUT - hex, 3/8 tube O.D. x 17/32 inch NF

1шт.

28

222-2650

HYD CONNECTOR,7/16"-24

CONNECTOR - compression 1/4 inch tube O.D.

1шт.

29

A67322

TUBE

- fuel return, 1/4 O.D. x 126 inch, nylon (Order L108947 and, Serial Range: cut-length)

1шт.

30

A141160

INSERT

- nylon tube

1шт.

32

A139963

RETAINER

- fuel tank, right

1шт.

33

A139965

RETAINER

- fuel tank, left

1шт.

34

A139141

SEAL

- retainer

2шт.

35

413-614

BOLT,Hex, 3/8" - 16 x 7/8", Gr 5

8шт.

36

495-21044

WASHER,3/8"

(flat, 7/16 x 1 x 5/64 inch) 3/8"

8шт.

37

131-133

NUT,Ret, 3/8"-16

Speed grip Ret, 3/8"-16

8шт.

38

L18337

CABLE TIE,9.95"-12.1" lg

STRAP - tie, 15 inch, nylon

1шт.

39

A136891

TUBE

- fuel supply, 3/8 O.D. x 80 inch (Order A167912 and cut to, Serial Range: to-length)

1шт.

40

A181561

VALVE

- fuel shutoff

1шт.

40

A169790

LOCK VALVE

VALVE - fuel shutoff (If equipped) (See note)

1шт.

41

222-2446

INSERT,1/4" Tube

- 3/8 inch tube O.D.

2шт.

42

222-5186

SLEEVE,3/8" Tube

- 3/8 inch tube O.D.

2шт.

43

222-5181

NUT,9/16"-24

NUT - hex, 3/8 tube O.D. x 17/32 inch NF

2шт.

Выбрано товаров: 38