Запчасти Case IH 2594 (6-002) - TORQUE TUBE (06) - POWER TRAIN

Схема запчастей Case IH 2594 - (6-002) - TORQUE TUBE (06) - POWER TRAIN
20
11
29
26
31
24
5
3
10
37
6
27
14
32
9
33
6
25
22
9
40
1
21
6
17
41
4
8
36
30
19
15
28
38
2
35
16
39
6
18
4
8
FIT
1:1
100%

Артикул

Название

Примечание

Количество

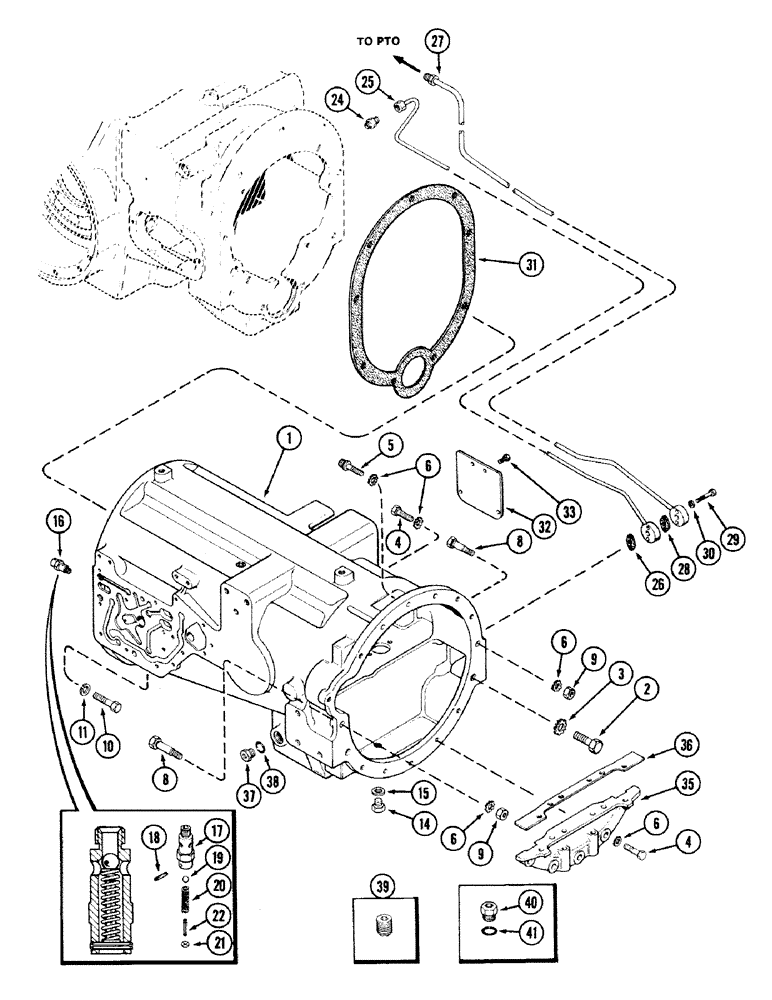
1

A158420

TUBE

- torque

1шт.

2

426-1240

BOLT,Hex, 3/4" - 10 x 2-1/2", Gr 8

- hex, 3/4 NC x 2-1/2 inch, grade 8

2шт.

3

A34651

LOCK WASHER

- external shakeproof, 3/4 inch

2шт.

4

326-832

BOLT,Hex, 1/2" - 13 x 2", Gr 8

3шт.

4

26-826

BOLT,Hex, 1/2" - 13 x 1-5/8", Gr 8

- hex, 1/2 NC x 1-5/8 inch, grade 8

5шт.

5

26044R1

12 PT SCREW,Flg, 1/2" - 13 x 2"

BOLT - 12 point, 1/2 NC x 2 inch, grade 8

3шт.

6

A34650

LOCK WASHER

- external shakeproof, 1/2 inch

13шт.

8

A149765

STEP BOLT

BOLT - hex dowel, 1/2 NC x 2-21/32 inch

1шт.

8

A149764

STEP BOLT

BOLT - hex dowel, 1/2 NC x 3-9/64 inch

1шт.

9

25-168

NUT,1/2"-13, G5, Hvy

- heavy hex, 1/2 inch NC

2шт.

10

413-1040

BOLT,Hex, 5/8" - 11 x 2-1/2", Gr 5

- hex, 5/8 NC x 2-1/2 inch (Park lock boss)

1шт.

10

413-1044

BOLT,Hex, 5/8" - 11 x 2-3/4", Gr 5

- hex, 5/8 NC x 2-3/4 inch

7шт.

11

492-11062

BEARING WASHER,5/8"

WASHER, LOCK, 5/8"

8шт.

14

A140222

PLUG

- drain

1шт.

15

A58608

GASKET

- drain plug

1шт.

16

A60890

VALVE

ASSEMBLY - relief, Includes: Refs. 17 - 22

1шт.

17

NSS

NOT SOLD SEPARAT

BODY - relief valve

1шт.

18

138-57

LOCK PIN,1/8" x 3/4", Slotted

PIN, 1/8" x 3/4", Slotted

1шт.

19

211-208

BALL,5/16" Dia

- 5/16 inch, grade 200, chrome alloy steel

1шт.

20

A60889

SPRING

- relief valve

1шт.

21

195-506

WASHER,#6

- flat, 5/32 x 5/16 x 1/32 inch

1шт.

22

138-96

LOCK PIN,3/16" x 1", Slotted

PIN, 3/16" x 1", Slotted

1шт.

24

218-443

HYD CONNECTOR,9/16" - 18 Male JIC x 1/4" - 18 Male NPTF

ADAPTER - straight, 9/16-18 flare x 1/4 inch PT

1шт.

25

A145224

TUBE

- (C1) lubrication

1шт.

26

1981250C1

GASKET

- (C1) lubrication tube (Replaces A66143)

1шт.

27

A160484

TUBE

- PTO lubrication (Front)

1шт.

28

1981250C1

GASKET

- PTO lubrication tube (Replaces A66143)

1шт.

29

413-532

BOLT,Hex, 5/16" - 18 x 2", Gr 5

(12 speed transmission) Hex, 5/16"-18 x 2", G5

2шт.

29

326-544

BOLT,Hex, 5/16" - 18 x 2-3/4", Gr 8

(24 speed transmission) Hex, 5/16"-18 x 2 3/4", G8

2шт.

30

92-11031

LOCK WASHER,5/16"

WASHER, LOCK, 5/16"

2шт.

31

1981253C1

GASKET

- torque tube to transmission housing (Replaces A150901)

1шт.

32

A168592

COVER

PLATE - valve opening (12 speed transmission)

1шт.

33

413-514

BOLT,Hex, 5/16" - 18 x 7/8", Gr 5

4шт.

35

A144906

PLATE

SHIELD - dust, flywheel

1шт.

36

A152424

GASKET

KIT - plate (Order A189540)

1шт.

37

76349

PLUG,9/16" - 18 ORB

Incl. Ref. 38 Hex Hd, 9/16"-18 ORB

1шт.

39

A153098

PLUG

- adapter

1шт.

40

9625178

PLUG,9/16" - 18 ORB

(12 speed transmission), Incl. Ref. 41 Hex Soc, 9/16"-18 ORB

1шт.

38

237-6006

O-RING,0.078" Thk x 0.468" ID, -906, Cl 6, 90 Duro

6-1, 90 Duro, .468" ID x .078" Thk

1шт.

41

237-6006

O-RING,0.078" Thk x 0.468" ID, -906, Cl 6, 90 Duro

6-1, 90 Duro, .468" ID x .078" Thk

1шт.

Выбрано товаров: 40