Запчасти Case IH 2594 (6-010) - TRANSMISSION HOUSING (06) - POWER TRAIN

Схема запчастей Case IH 2594 - (6-010) - TRANSMISSION HOUSING (06) - POWER TRAIN
11
36
19
13
26
10
30
4
23
38
37
7
16
6
22
38
25
9
24
14
21
34
25
15
36
18
1
31
20
2
3
35
5
32
29
33
3
41
8
4
12
37
40
FIT
1:1
100%

Артикул

Название

Примечание

Количество

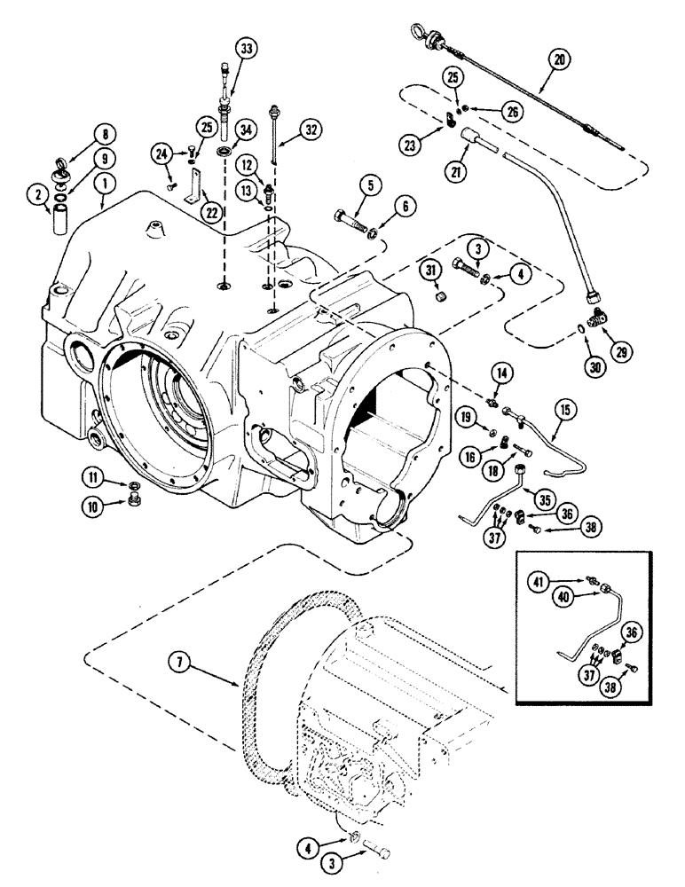
1

A156945

HOUSING

ASSEMBLY - transmission

1шт.

2

A64405

TUBE

- oil filler, Includes: Ref. 2

1шт.

3

413-1040

BOLT,Hex, 5/8" - 11 x 2-1/2", Gr 5

- hex, 5/8 NC x 2-1/2 inch

1шт.

3

413-1044

BOLT,Hex, 5/8" - 11 x 2-3/4", Gr 5

- hex, 5/8 NC x 2-3/4 inch

7шт.

4

492-11062

BEARING WASHER,5/8"

WASHER, LOCK, 5/8"

8шт.

5

A63086

STEP BOLT

BOLT - hex dowel, 5/8 NC x 3-7/16 inch

1шт.

6

92-11075

LOCK WASHER,3/4"

WASHER, LOCK, 3/4"

1шт.

7

1981253C1

GASKET

- torque tube to transmission housing (Replaces A150901)

1шт.

8

A64404

BREATHER

ASSEMBLY - oil filler, Includes: Ref. 9

1шт.

9

238-5214

O-RING,0.139" Thk x 0.984" ID, -214, Cl 5, 75 Duro

1шт.

10

A140222

PLUG

- drain, transmission housing

1шт.

11

A58608

GASKET

- drain plug

1шт.

12

A154119

FITTING

- bulkhead

1шт.

13

237-6004

O-RING,0.072" Thk x 0.351" ID, -904, Cl 6, 90 Duro

4-1, 90 Duro, .351" ID x .072" Thk

1шт.

14

218-443

HYD CONNECTOR,9/16" - 18 Male JIC x 1/4" - 18 Male NPTF

ADAPTER - straight, 9/16-18 flare x 1/4 inch PT (12 speed transmission)

1шт.

15

A150622

TUBE

- lub, (C1) clutch (12 speed transmission)

1шт.

16

49845

CLAMP

- tube

1шт.

18

413-640

BOLT,Hex, 3/8" - 16 x 2-1/2", Gr 5

- hex, 3/8 NC x 2-1/2 inch

1шт.

19

A136208

SPACER

- tube clamp

1шт.

20

A154642

DIPSTICK

- oil level

1шт.

21

A154641

TUBE

- dipstick

1шт.

22

A146252

BRACKET

- tube support

1шт.

23

49838

CLAMP

-, Serial Range: tube-support

1шт.

24

413-612

BOLT,Hex, 3/8" - 16 x 3/4", Gr 5

2шт.

25

92-11038

LOCK WASHER,3/8"

WASHER, LOCK, 3/8"

2шт.

26

425-106

NUT,3/8"-16, Cl 5

1шт.

29

A161145

FITTING

ELBOW ASSEMBLY - 90 degree, dipstick, Includes: Ref. 30

1шт.

30

237-6010

O-RING,0.097" Thk x 0.755" ID, -910, Cl 6, 90 Duro

10-1, 90 Duro, .755" ID x .097" Thk

1шт.

31

9841223

PLUG,1-1/16" - 12 ORB

(Without air/oil seat) Hex Soc, 1 1/16"-12 ORB

1шт.

32

A156819

TUBE ASSY.

TUBE - lube, bevel gear

1шт.

33

A156902

SENSOR

ASSEMBLY - speed

1шт.

34

A75995

SEAL

- speed sensor

1шт.

35

A150623

TUBE

- lube, countershaft (12 speed transmission)

1шт.

36

A20541

CLIP

CLAMP - tube

1шт.

37

95-81159

WASHER,3/8" x 7/8" x .083"

- flat, 3/8 x 7/8 x 5/64 inch

3шт.

38

413-512

BOLT,Hex, 5/16" - 18 x 3/4", Gr 5

- hex, 5/16 NC x 3/4 inch

1шт.

40

A150624

TUBE ASSY.

TUBE - lube, countershaft (24 speed transmission)

1шт.

41

218-1022

HYD CONNECTOR,7/16"-20, 37 Degree x 1/4"-18, NPTF

ADAPTER - straight, 7/16-20 flare x 1/4 inch PT

1шт.

Выбрано товаров: 38