Запчасти Case IH 3294 (6-200) - POWER TRAIN, CARRARO AXLE (06) - POWER TRAIN

Схема запчастей Case IH 3294 - (6-200) - POWER TRAIN, CARRARO AXLE (06) - POWER TRAIN
42
7
27
31
37
8
25
16
17
9
10
29
3
43
33
32
45
32
41
14
30
21
5
39
31
38
26
13
6
14
12
28
34
11
1
44
40
2
20
44
FIT
1:1
100%

Артикул

Название

Примечание

Количество

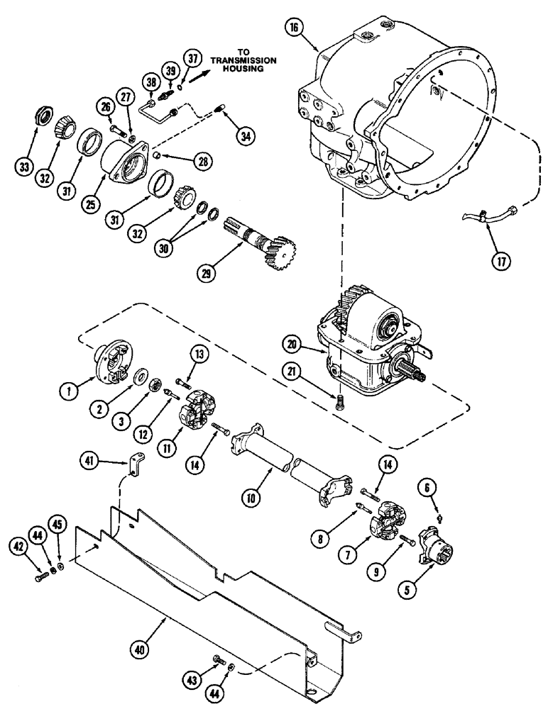
1

A156593

YOKE

- brake output shaft

1шт.

2

A75138

WASHER

- yoke retaining

1шт.

3

131-584

LOCK NUT,1 1/8"-12

NUT - hex lock, 1-1/8 inch NF

1шт.

5

A156670

YOKE

ASSEMBLY - front axle, Includes: Ref. 6

1шт.

6

219-1

LUBE NIPPLE,1/8" - 27 NPTF

FITTING - grease, 1/8 inch PT

1шт.

7

N6168

DRIVE

CROSS ASSEMBLY - drive shaft spider (Order A45595), Includes: Ref. 8 and 9

1шт.

8

219-417

LUBE NIPPLE,1/4" - 28 NPTF

FITTING - grease

1шт.

9

A17298

BOLT,Hex, 3/8" x 1 11/16"

-, Serial Range: cross-shaft

4шт.

10

A48173

SHAFT

- drive

1шт.

11

N6168

DRIVE

CROSS ASSEMBLY - drive shaft spider (Order A45595), Includes: Ref. 12 and 13

1шт.

12

219-417

LUBE NIPPLE,1/4" - 28 NPTF

FITTING - grease

1шт.

13

A17298

BOLT,Hex, 3/8" x 1 11/16"

-, Serial Range: cross-shaft

4шт.

14

114-219

BOLT,Hex, 3/8" - 24 x 2-1/2", Gr 5

- hex, 3/8 NF x 2-1/2 inch

8шт.

16

REF

INSTRUCTION

HOUSING - clutch, tractor (See Figure 6-164)

1шт.

17

A168053

TUBE

- clutch lubrication (Order A168594)

1шт.

20

REF

INSTRUCTION

GEARBOX - transfer (See Figure 6-204)

1шт.

21

813-14035

BOLT,Hex, M14 x 2 x 35mm, Cl 8.8, Full Thd

- M14 x 35 MM (Carraro no. 20967)

8шт.

25

A168057

HOUSING

- input shaft support

1шт.

26

826-14060

BOLT,Hex, M14 x 2 x 60mm, Cl 10.9

Hex, M14 x 60, 10.9

3шт.

27

196-20

WASHER,41/64" x 1.047" x .134", HDN

- hardened flat, 41/64 x 1-3/64 x 1/8 inch (16 x 27 x 3 MM)

3шт.

28

A156567

PIN

RING - dowel (Carraro no. 97191)

2шт.

29

A168846

SHAFT

- input (Carraro no. 112196) (Replaces A156563)

1шт.

30

A156564

RING

- seal (Carraro no. 112999)

2шт.

31

R10277

BEARING CUP,3.5" OD x 0.9063"

CUP - input shaft

2шт.

32

D71240

ROLLER BEARING,1.75" ID x 3.5" OD x 1.1875"

CONE - input shaft

2шт.

33

A156565

NUT

- adjusting (Carraro no. 112997)

1шт.

34

218-481

ELBOW,90 Degree Elbow, 7/16" - 20 Male JIC x 1/8" - 27 Male NPTF

CONNECTOR - support housing (Carraro no. 112998)

1шт.

37

218-5003

O-RING,0.072" Thk x 0.351" ID, -904, Cl 6, 90 Duro

- 11/32 x 1/2 x 5/64 inch (9 x 13 x 2 MM)

1шт.

38

A157297

TUBE

- countershaft lube, internal

1шт.

39

218-671

FITTING,Blkhd, 7/16"-20, 37 Degree x 7/16"-20, 37 Degree

CONNECTOR - straight, 1/4 inch tube x 7/16-20 inch

1шт.

40

A164305

GUARD

SHIELD - drive shaft

1шт.

41

A164266

BRACKET

- shield to transfer box (Carraro no. 113384)

2шт.

42

814-8020

BOLT,Hex, M8 x 1.25 x 20mm, Cl 8.8, Full Thd

2шт.

43

813-8016

BOLT,Hex, M8 x 1.25 x 16mm, Cl 8.8, Full Thd

- hex, M8 x 16 MM

2шт.

44

892-1108

LOCK WASHER,M8

4шт.

45

895-11008

WASHER,9mm ID x 16mm OD x 1.6mm Thk

2шт.

Выбрано товаров: 36