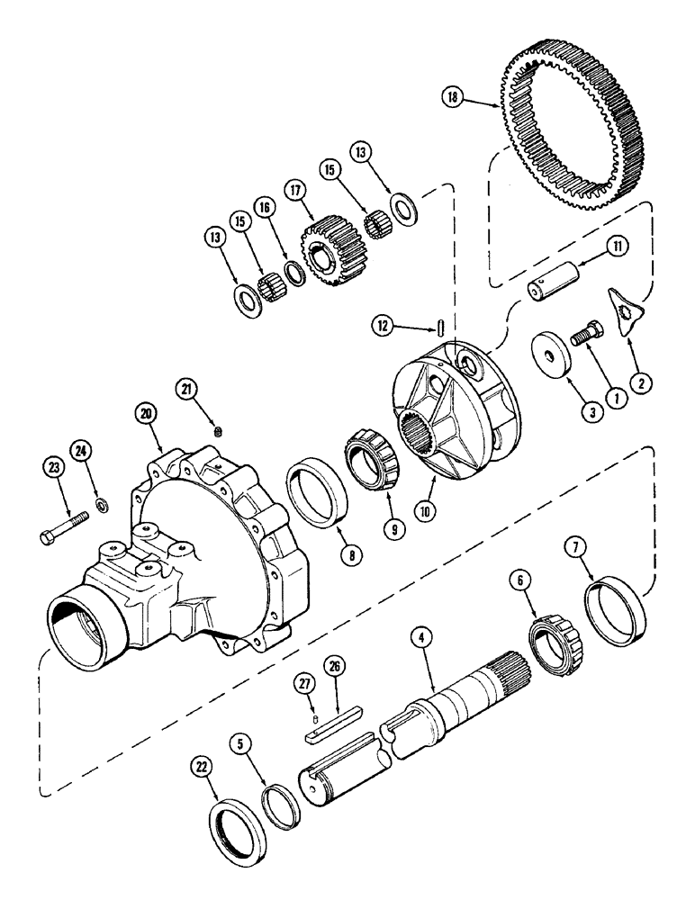
Запчасти Case IH 3294 (6-216) - REAR AXLE, HOUSING AND PLANETARY GEARS, LONG AXLE - 120" (3048 MM) 3-1/2" (89 MM) DIAMETER (06) - POWER TRAIN

Схема запчастей Case IH 3294 - (6-216) - REAR AXLE, HOUSING AND PLANETARY GEARS, LONG AXLE - 120" (3048 MM) 3-1/2" (89 MM) DIAMETER (06) - POWER TRAIN
7
24
20
10
27
17
5
13
13
11
8
6
26
22
16
4
21
2
15
23
12
1
3
15
18
9
FIT
1:1
100%

Артикул

Название

Примечание

Количество

1

26-1436

BOLT,Hex, 7/8" - 9 x 2-1/4", Gr 8

- hex, 7/8 NC x 2-1/4 inch (Grade 8)

2шт.

2

A63221

PLATE

- bearing lock

2шт.

3

A63220

PLATE

- retaining rear axle

2шт.

4

A155225

SHAFT

- rear axle, with identification groove, 44-9/16 inch (1 132 MM) long

2шт.

5

A67368

RING

- wear, outer oil seal

1шт.

6

A34340

ROLLER BEARING

CONE - bearing, outer, 3-11/32 inch (85 MM) ID

2шт.

7

A34343

BEARING CUP

CUP - bearing, outer, 5-57/64 inch (150 MM) OD

2шт.

8

A50324

BEARING CUP

CUP - bearing, inner, 5-1/4 inch (133 MM) OD

2шт.

9

A34339

BEARING

CONE - bearing, inner, 3-1/4 inch (83 MM) ID

2шт.

10

A168153

CARRIER

- planetary gear (Replaces A148732)

2шт.

11

A168244

PIN,41.94mm OD x 138.2mm L

- planetary gear (Replaces A151449)

6шт.

12

138-2066

PIN,3/8" x 1 1/2", Coiled

6шт.

13

A67116

WASHER

- planetary pin roller (Replaces A63228)

12шт.

15

A47252

ROLLER BEARING

BEARING KIT - roller, planetary gear (57 needles per kit)

4шт.

16

A67117

SPACER

- roller bearing separator (Replaces A63227)

6шт.

17

A168175

GEAR

- planetary, rear axle (Replaces A168174)

6шт.

18

A140811

GEAR

- planetary ring

2шт.

20

A179634

HOUSING

- rear axle (Replaces A154877)

2шт.

21

221-12

PLUG,Sq Hd, 1/4"-18

- square head, 1/4 PT

1шт.

22

A154957

OIL SEAL

- oil, rear axle

2шт.

23

26-1072

BOLT,Hex, 5/8" - 11 x 4-1/2", Gr 8

- hex, 5/8 NC x 4-1/2 inch (Grade 8)

24шт.

24

A64303

WASHER

- 1-1/16 inch (27 MM)

24шт.

26

A34890

BUCKET TOOTH KEY

KEY - wheel to shaft, 5/8 inch square x 6 inch long

2шт.

27

138-127

LOCK PIN,1/4" x 1/2", Slotted

PIN, 1/4" x 1/2", Slotted

2шт.

Выбрано товаров: 24