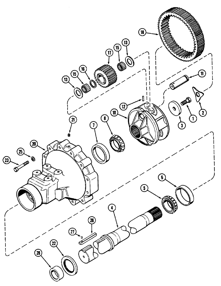
Запчасти Case IH 3294 (6-218) - REAR AXLE, HOUSING & PLANETARY GEARS, SHORT AXLE 96" (2438 MM) 3-1/2" (89 MM) DIA., LONG AXLE 120" (06) - POWER TRAIN

Схема запчастей Case IH 3294 - (6-218) - REAR AXLE, HOUSING & PLANETARY GEARS, SHORT AXLE 96" (2438 MM) 3-1/2" (89 MM) DIA., LONG AXLE 120" (06) - POWER TRAIN
16
11
8
21
5
20
23
18
1
4
22
25
15
12
26
27
10
13
7
6
13
15
17
28
3
2
FIT
1:1
100%

Артикул

Название

Примечание

Количество

1

26-1436

BOLT,Hex, 7/8" - 9 x 2-1/4", Gr 8

- hex, 7/8 NC x 2-1/4 inch (Grade 8)

2шт.

2

A63221

PLATE

- bearing lock

2шт.

3

A63220

PLATE

- retaining, rear axle

2шт.

4

A179760

SHAFT

- rear axle, 120 inch (3 048 MM) axle

2шт.

4

A179761

SHAFT

- rear axle, 96 inch (2 438 MM) axle

2шт.

5

A63216

ROLLER BEARING,89.98mm ID x 44mm W

CONE - bearing, outer

2шт.

6

A63214

CUP

- bearing, outer

2шт.

7

A50324

BEARING CUP

CUP - bearing, inner

2шт.

8

PA34339

NUT

CONE - bearing, inner

2шт.

10

A168153

CARRIER

- planetary gear

2шт.

11

A168244

PIN,41.94mm OD x 138.2mm L

- planetary gear

6шт.

12

138-2066

PIN,3/8" x 1 1/2", Coiled

6шт.

13

A67116

WASHER

- planetary pin roller

12шт.

15

A47252

ROLLER BEARING

BEARING KIT - roller, planetary gear (Pack of 57)

4шт.

16

A67117

SPACER

- roller bearing separator

6шт.

17

A168175

GEAR

- planetary, rear axle (Replaces A168174)

6шт.

18

A151934

GEAR

- planetary, ring

2шт.

20

A179983

HOUSING

- rear axle

2шт.

21

221-12

PLUG,Sq Hd, 1/4"-18

- square head, 1/4 inch PT

1шт.

22

A63218

OIL SEAL

- oil, rear axle

2шт.

23

26-1072

BOLT,Hex, 5/8" - 11 x 4-1/2", Gr 8

- hex, 5/8 NC x 4-1/2 inch (Grade 8)

24шт.

25

A64303

WASHER

BOLT - 1-1/16 inch (27 MM)

24шт.

26

A34890

BUCKET TOOTH KEY

KEY - rear wheel to axle shaft, 5/8 inch square x 6 inch long

2шт.

27

138-127

LOCK PIN,1/4" x 1/2", Slotted

PIN, 1/4" x 1/2", Slotted

2шт.

28

A177579

CAP

- end, axle

2шт.

Выбрано товаров: 25