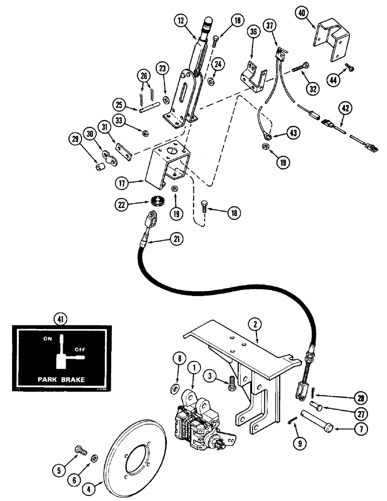
Запчасти Case IH 3294 (7-260) - PARKING HAND BRAKE (07) - BRAKES

Схема запчастей Case IH 3294 - (7-260) - PARKING HAND BRAKE (07) - BRAKES
40
32
3
24
43
1
31
7
41
36
44
33
6
29
5
42
18
4
8
22
25
26
9
2
21
37
12
18
17
19
19
28
27
30
23
FIT
1:1
100%

Артикул

Название

Примечание

Количество

1

REF

INSTRUCTION

BRAKE ASSEMBLY - mechanical caliper disc (See Figure 7-262)

1шт.

2

A158625

BRACKET

- disc brake

1шт.

3

113-417

BOLT,Hex, 1/2" - 13 x 1-1/4", Gr 5, Full Thd

3шт.

4

A156871

DISC

- parking brake

1шт.

5

114-200

BOLT,Hex, 3/8" - 24 x 1", Gr 5

Hex, 3/8"-24 x 1", G5, Full Thd

4шт.

6

A50820

WASHER

- mounting bolt

4шт.

7

A158671

PIN

- brake support clevis

2шт.

8

195-541

WASHER,5/8", SAE

- flat, 21/32 x 1-5/16 x 7/64 inch (17 x 33 x 3 MM)

2шт.

12

A75744

LEVER

- hand brake

1шт.

17

A176453

SUPPORT

- hand brake (Replaces A164548)

1шт.

18

113-113

BOLT,Hex, 5/16" - 18 x 7/8", Gr 5

8шт.

19

131-176

LOCK NUT,Prev Torque, Hex, 5/16" - 18, Gr A

NUT - hex lock, 5/16 inch NC

8шт.

21

A176991

CABLE

- hand brake

1шт.

22

L77821

GROMMET,1/2" ID x 1 1/4" Groove Dia, Str Cut

- control cable

1шт.

23

195-103

WASHER,5/16"

- flat, 3/8 x 7/8 x 5/64 inch (10 x 22 x 2 MM)

1шт.

24

195-521

WASHER,5/16", SAE

- flat, 11/32 x 11/16 x 1/16 inch (9 x 17 x 2 MM)

2шт.

25

A176410

PIN

- clevis (Replaces A161784)

1шт.

26

132-316

COTTER PIN,3/32" x 1 1/4"

PIN, SPLIT (COTTER), 3/32" x 1 1/4"

1шт.

27

141-54

CLEVIS PIN,3/8" x 1 1/16"

1шт.

28

132-320

COTTER PIN,3/32" x 3/4"

PIN, SPLIT (COTTER), 3/32" x 3/4"

1шт.

29

A31238

BUSHING

SPACER - cable clamp

2шт.

30

A76109

CLAMP

- cable

1шт.

31

A75745

BUSHING

SHIM - cable clamp

1шт.

32

113-122

BOLT,Hex, 5/16" - 18 x 1-1/2", Gr 5

2шт.

33

131-176

LOCK NUT,Prev Torque, Hex, 5/16" - 18, Gr A

NUT - hex lock, 5/16 inch NC

2шт.

36

A176408

BRACKET

- hand brake switch (Replaces A169261)

1шт.

37

A176460

IGNITION SWITCH

SWITCH - hand brake (Replaces A33977)

1шт.

40

A176409

COVER

- brake light switch (Replaces A139933)

1шт.

41

A167688

DECAL

- brake cover

1шт.

42

A176459

ELECTRICAL WIRE

WIRE - hand brake (Replaces A169285)

1шт.

43

A59711

ELECTRICAL WIRE

WIRE - ground, hand brake

1шт.

44

187-1333

SELF-TAP SCREW,Cross Pan Hd, #10 x 3/4"

SCREW - pan head Phillips, no. 10-16 x 3/4 inch

2шт.

9

132-49

COTTER PIN,1/8" x 1 1/8"

Pin, Split (Cotter), 1/8" x 1 1/8"

2шт.

Выбрано товаров: 33