Запчасти Case IH 3294 (8-306) - REMOTE HYDRAULICS, REMOTE ATTACHMENT - NO. 4 CIRCUIT (08) - HYDRAULICS

Схема запчастей Case IH 3294 - (8-306) - REMOTE HYDRAULICS, REMOTE ATTACHMENT - NO. 4 CIRCUIT (08) - HYDRAULICS
2
17
13
3
19
16
1
10
6
24
7
14
20
11
30
15
27
12
12
22
18
29
23
9
21
28
8
31
FIT
1:1
100%

Артикул

Название

Примечание

Количество

A180263

ATTACHMENT - remote hydraulics, no. 4 circuit (Machinery item) (Replaces A67589), Includes: Ref. 1 - 31 in this figure and parts in Figure 8-308

1шт.

A67536

ATTACHMENT - remote hydraulics, no. 4 circuit (Machinery item), Includes: Ref. 1 - 31 in this figure and parts in Figure 8-308

1шт.

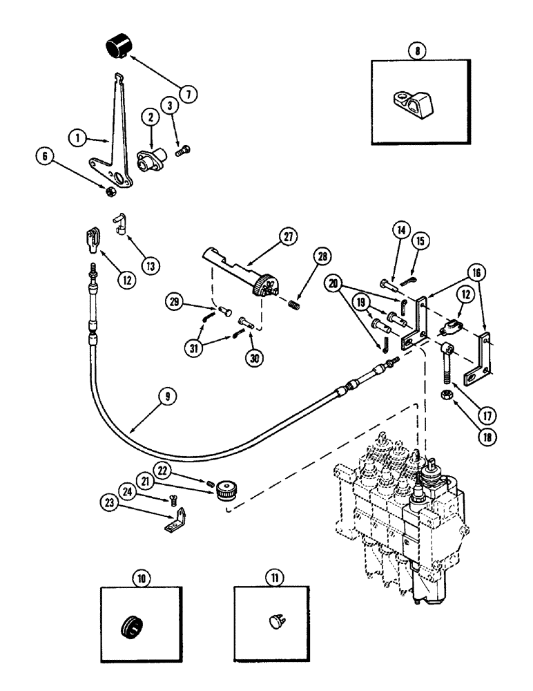
1

A141393

LEVER

- control, outer

1шт.

2

A160500

BUSHING,15.95mm ID x 25.4mm OD x 55.37mm L

BEARING - control lever

1шт.

3

113-3

BOLT,Hex, 1/4" - 20 x 3/4", Gr 5

2шт.

6

131-1180

LOCK NUT,1/4"-20, GA

NUT, LOCK, 1/4"-20, GA

2шт.

7

A177438

KNOB

- hand lever

1шт.

8

A141542

LEVER

TAB - float lockout

1шт.

9

A177635

CABLE

- control lever to bellcrank (Replaces: A141402)

1шт.

10

A141389

GROMMET

- control cable (In cab floor) (Order A145925)

1шт.

11

A67295

PLUG

- cable retainer (In mounting bracket)

2шт.

12

213-1

ADJUSTABLE CLEVIS,#10-32

YOKE - cable

2шт.

13

A149683

PIN

- yoke, spring

1шт.

14

A67313

PIN

- bellcrank

1шт.

15

132-329

COTTER PIN,1/16" x 3/4"

1/16" x 3/4"

1шт.

16

A145598

LEVER

- bellcrank

2шт.

17

A145597

EYE

- bellcrank pivot

1шт.

18

25-146

JAM NUT,Jam, 3/8"-16, G5

- hex, 3/8 inch NC

1шт.

19

141-54

CLEVIS PIN,3/8" x 1 1/16"

2шт.

20

132-320

COTTER PIN,3/32" x 3/4"

PIN, SPLIT (COTTER), 3/32" x 3/4"

2шт.

21

A160814

KNOB

- flow control

1шт.

22

178-1108

SET SCREW,Hex Soc, #10-32 x 5/8"

SCREW - socket head cone point, no. 10-32 x 5/8 inch

1шт.

23

A64179

INDEX

- flow control spring

1шт.

24

187-1037

SELF-TAP SCREW,Slotted Pan Hd, #8 x 3/8"

SCREW - round head self-tapping, no. 8 x 3/8 inch

2шт.

27

A162860

QUADRANT

- remote lockout outer

1шт.

28

A164976

SPRING

- remote lockout

1шт.

29

A67313

PIN

- remote lockout

1шт.

30

A167543

PIN,4.72mm OD x 19.99mm L

- clevis

1шт.

31

132-329

COTTER PIN,1/16" x 3/4"

1/16" x 3/4"

2шт.

Выбрано товаров: 29