Запчасти Case IH 3294 (8-308) - REMOTE HYDRAULICS, REMOTE ATTACHMENT - NO. 4 CIRCUIT (CONTD) (08) - HYDRAULICS

Схема запчастей Case IH 3294 - (8-308) - REMOTE HYDRAULICS, REMOTE ATTACHMENT - NO. 4 CIRCUIT (CONTD) (08) - HYDRAULICS
35
36
53
52
38
40
56
51
41
54
59
55
37
39
47
49
48
39
50
58
48
47
57
FIT
1:1
100%

Артикул

Название

Примечание

Количество

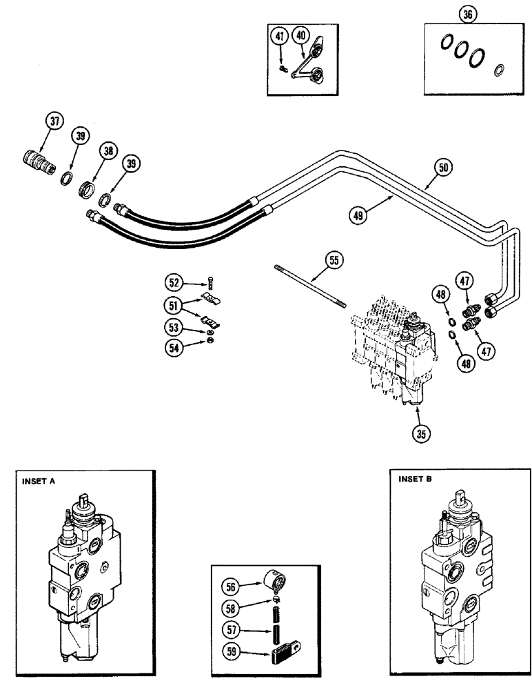
A180263

ATTACHMENT - remote hydraulics, no. 4 circuit, Includes: Ref. 35 - 59 in this figure and parts in Figure 8-306 (Replaces A67589)

1шт.

A67536

ATTACHMENT - remote hydraulics, no. 4 circuit, Includes: Ref. 35 - 59 in this figure and parts in Figure 8-306

1шт.

35

REF

INSTRUCTION

BODY - remote valve (See insert A) (See page 8-316)

1шт.

35

REF

INSTRUCTION

BODY - remote valve (See insert B) (See page 8-326)

1шт.

36

A47576

KIT

- seal, with shims (See Figure 8-310) (Order components)

1шт.

37

REF

INSTRUCTION

COUPLING - remote hydraulic, female (See Figure 8-338)

2шт.

38

A149221

RETAINER

- coupling

2шт.

39

A137976

SNAP RING,#150, 1.408", Ext

RING - snap, coupling to cab

4шт.

40

A145468

PLUG

- remote coupling dust (In A67536 attachment)

1шт.

41

A162364

FASTENER

- dust plug (In A67536 attachment)

1шт.

47

218-5062

HYD CONNECTOR,7/8"-14, 37 Degree x 7/8"-14, O-Ring

CONNECTOR ASSEMBLY - straight, 5/8 tube 1/8-17 inch thread, Includes: Ref. 48

2шт.

48

237-6010

O-RING,0.097" Thk x 0.755" ID, -910, Cl 6, 90 Duro

- 3/4 x 5/8 x 3/32 inch (19 x 16 x 2 MM)

1шт.

49

A145907

HOSE

- no. 7 remote coupling

1шт.

50

A145908

HOSE

- no. 8 remote coupling

1шт.

51

A63323

CLAMP

-, Serial Range: tube-tube

2шт.

52

113-103

BOLT,Hex, 5/16" - 18 x 1", Gr 5

1шт.

53

192-20

LOCK WASHER,Helical Spring, 0.318" ID, CST, ZND

WASHER, LOCK, 5/16"

1шт.

54

9635082

NUT,5/16" - 18, Gr 5

1шт.

55

A147508

STUD

- valve mounting, 11-3/4 inch

3шт.

56

A177479

CAP

- dust (In A180263 attachment)

2шт.

57

A180178

HOSE,7.90 mm ID x 914.40 mm, SAE J200

- drain (In A180263 attachment) 7.90 mm ID x 914.40 mm, SAE J200

2шт.

58

A180159

CLAMP,10.29mm - 12.32mm

- hose retaining (In A180263 attachment)

2шт.

59

A180154

CLAMP

- hose retaining (In A180263 attachment)

1шт.

Выбрано товаров: 23