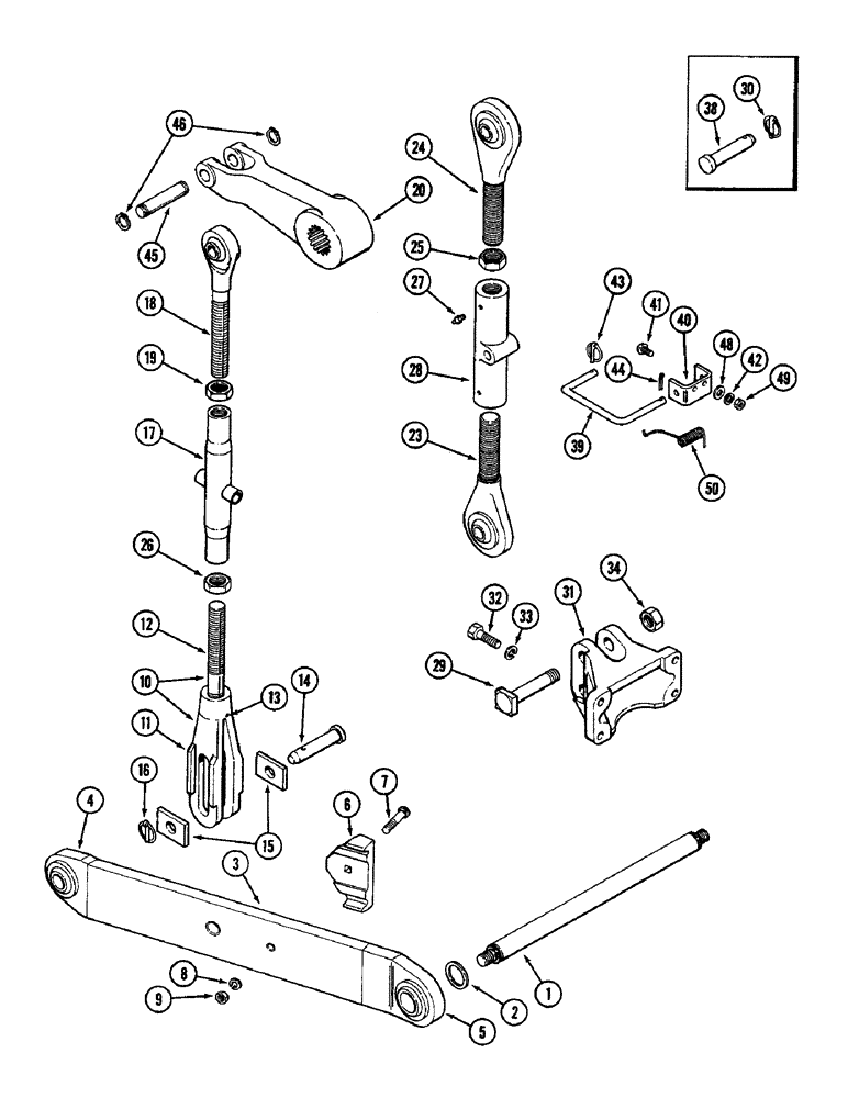
Запчасти Case IH 3294 (9-364) - HITCH DRAFT ARMS AND LIFT LINKS, P.I.N. 9939634 AND AFTER, NC THREAD (09) - CHASSIS/ATTACHMENTS

Схема запчастей Case IH 3294 - (9-364) - HITCH DRAFT ARMS AND LIFT LINKS, P.I.N. 9939634 AND AFTER, NC THREAD (09) - CHASSIS/ATTACHMENTS
12
44
38
40
6
19
34
13
45
14
10
26
41
48
11
31
28
32
17
4
18
16
3
8
49
20
46
30
1
9
15
7
39
29
24
33
2
50
5
43
27
25
42
23
FIT
1:1
100%

Артикул

Название

Примечание

Количество

1

REF

INSTRUCTION

BAR - cross (See Figure 9-360)

1шт.

2

A167661

WASHER

- spacer

1шт.

3

A167794

ARM

- draft, hitch, Includes: Ref. 4 and 5

2шт.

4

A167796

TRUNNION

END ASSEMBLY - draft arm, front

1шт.

5

A61922

ARM

END ASSEMBLY - draft arm, rear

1шт.

6

A162756

BLOCK

- sway, draft arm

2шт.

7

111-504

CARRIAGE BOLT,Short NK, 1/2"-13 x 2 1/2", G5

BOLT - round head square neck, 1/2 NC x 2-1/2 inch

2шт.

8

92-8

LOCK WASHER,1/2"

2шт.

9

129-105

NUT,Hex, 1/2" - 13, Gr 5

2шт.

10

A166365

CLEVIS

YOKE ASSEMBLY - draft arm, lift link, Includes: Ref. 11 - 13

2шт.

11

A137078

YOKE

- draft arm

1шт.

12

A166366

SCREW,Stud, 1 1/4" - 12 x 9.85"

PIN - draft arm

1шт.

13

138-160

LOCK PIN,5/16" x 2", Slotted

Pin, 5/16" x 2", Slotted

1шт.

14

A67342

PIN

- draft arm yoke

2шт.

15

A67343

PLATE

- stop, yoke pin

4шт.

16

A64204

PIN

- klik

2шт.

17

A166372

TURNBUCKLE

- adjusting, lift link

2шт.

18

A166367

END

SCREW - upper link

2шт.

19

129-352

NUT,Jam, 1 1/4"-7, G5, LH

- hex jam, 1-1/4 inch NC

2шт.

20

A177253

LIFT ARM

ARM - lift, rockshaft (Replaces A164592)

2шт.

23

A169844

ROD

ASSEMBLY - 3rd link front

1шт.

24

A166863

ROD

ASSEMBLY - 3rd link rear

1шт.

25

129-154

NUT,Jam, 1 1/2"-6, G5

- hex jam, 1-1/2 inch NC

1шт.

26

25-1420

JAM NUT,Jam, 1 1/4"-7, G5

- hex jam, 1-1/4 inch NC

2шт.

27

219-1

LUBE NIPPLE,1/8" - 27 NPTF

FITTINGS - lube, 1/8 inch

2шт.

28

A165965

TURNBUCKLE

- adjusting

1шт.

29

A164279

BOLT,1" - 8 x 5", Gr 8

- square head, 1 NC x 5 inch

1шт.

30

A64204

PIN

- klik (1 in tool box)

2шт.

31

A165800

BRACKET

- upper link mounting

1шт.

32

113-604

BOLT,Hex, 5/8" - 11 x 2", Gr 5

4шт.

33

192-25

LOCK WASHER,5/8"

WASHER, LOCK, 5/8"

4шт.

34

131-1184

LOCK NUT,1"-8, GA

NUT - lock, 1 inch NC

1шт.

38

A33432

PIN

- implement (In tool box)

1шт.

39

A163822

HOOK

- upper link storage

1шт.

40

A163821

BRACKET

- upper link storage

1шт.

41

187-1300

SELF-TAP SCREW,Hex, 3/8" - 18 x 1"

BOLT - round head, 3/8 NC x 1 inch

2шт.

42

192-21

LOCK WASHER,3/8"

WASHER, LOCK, 3/8"

2шт.

43

A33497

LINCH PIN,4.76mm OD Pin

PIN - klik

1шт.

44

132-312

COTTER PIN,3/16" x 1 1/4"

PIN, SPLIT (COTTER), 3/16" x 1 1/4"

1шт.

45

A177258

PIN

- link to lift arm

2шт.

46

A34428

SNAP RING,#98, Ext

Ring, Snap, #98, Ext

4шт.

48

195-525

WASHER,3/8", SAE

- flat, 13/32 x 3/16 x 1/16 inch (10 x 21 x 2 MM)

2шт.

49

129-103

NUT,Hex, 3/8" - 16, Gr 5

NUT, 3/8"-16, G5

2шт.

50

A177792

SPRING

- retaining

1шт.

Выбрано товаров: 44