Запчасти Case IH 3294 (9-386) - CONTROL CONSOLE (09) - CHASSIS/ATTACHMENTS

Схема запчастей Case IH 3294 - (9-386) - CONTROL CONSOLE (09) - CHASSIS/ATTACHMENTS
7
13
34
3
22
39
15
33
2
20
19
32
1
9
23
30
35
11
5
21
36
8
31
35
29
38
4
14
24
12
20
40
37
6
25
10
FIT
1:1
100%

Артикул

Название

Примечание

Количество

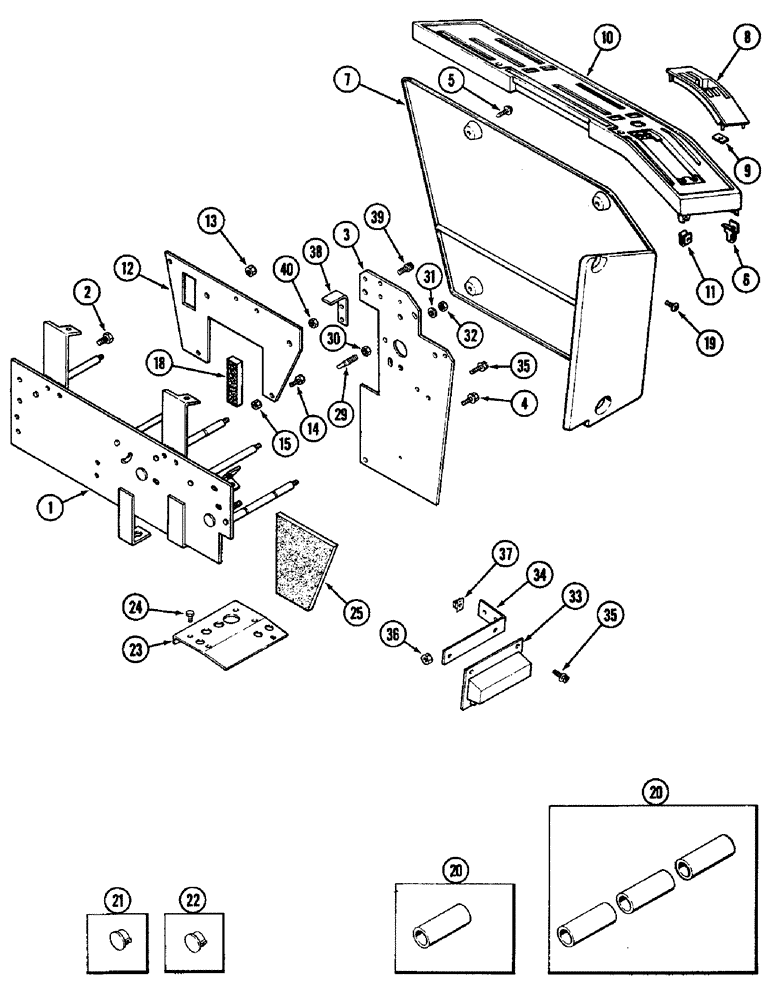
1

A177242

SUPPORT

- control console (Replaces A163004)

1шт.

2

187-1332

SELF-TAP SCREW,Hex Washer, 3/8" - 16 x 5/8"

BOLT - hex, 3/8 NC x 5/8 inch

5шт.

3

A176862

SUPPORT

- gear shift (Replaces A167226)

1шт.

4

187-1900

SELF-TAP SCREW,Hex Washer, 1/4" - 20 x 3/4"

BOLT - self-tapping hex, 1/4 x 3/4 inch

1шт.

5

F64519

SELF-TAP SCREW,Cross Wash Hd, #10-16 x 3/4"

SCREW - console side panel

5шт.

6

131-862

SPRING NUT,Tinn, U, #10

- Tinnerman, No. 10

2шт.

7

A169853

GUARD

SHROUD - console

1шт.

8

A167831

INSERT

- shifter cover

1шт.

9

131-437

LOCK NUT,Self-Threadin, 5/16"

NUT - insert to cover, hex self-threading, 5/32 inch

4шт.

10

A165283

COVER

- console (See Figures 9-424 or 9-426 for decal)

1шт.

11

131-627

NUT,Tinn, U, 1/4"-20

- Tinnerman, 1/4 inch NC

6шт.

12

A166534

SUPPORT

- remote shaft

1шт.

13

113-1306

NUT - hex jam, 3/8 inch NC

5шт.

14

113-3

BOLT,Hex, 1/4" - 20 x 3/4", Gr 5

2шт.

15

131-1180

LOCK NUT,1/4"-20, GA

NUT, LOCK, 1/4"-20, GA

2шт.

18

A169860

FOAM

RUBBER - console shroud

2шт.

19

187-1900

SELF-TAP SCREW,Hex Washer, 1/4" - 20 x 3/4"

SCREW - pan head, 1/4 x 3/4 inch

6шт.

20

A67318

BUSHING

SPACER - control lever (See insets)

1шт.

21

353-406

PLUG,Dome, .625" hole, Nylon

- nylon, 5/8 inch

2шт.

22

353-410

PLUG,Dome, .875" hole, Nylon

- nylon, 7/8 inch

2шт.

23

A145830

PLATE

- shift cable mounting

1шт.

24

187-1300

SELF-TAP SCREW,Hex, 3/8" - 18 x 1"

BOLT - hex, 3/8 NC x 1 inch

5шт.

25

A147799

FOAM

- console shift support

1шт.

29

A176565

STRUT

STUD - shift stop

1шт.

30

131-1281

LOCK NUT,Jam, 5/16"-18

NUT - hex lock, 5/16 inch NC

1шт.

31

195-521

WASHER,5/16", SAE

- flat, 11/32 x 11/16 x 1/16 inch (9 x 17 x 2 MM)

1шт.

32

9635082

NUT,5/16" - 18, Gr 5

1шт.

33

A164734

BOARD

ASSEMBLY - relay (JI Case installed) (Order A177703)

1шт.

33

A177703

RELAY

BOARD ASSEMBLY - relay (Service only)

1шт.

34

A162959

BRACKET

- relay board mounting

1шт.

35

113-2

BOLT,Hex, 1/4" - 20 x 5/8", Gr 5

2шт.

35

187-1082

SELF-TAP SCREW,Hex Washer, 1/4" - 20 x 1"

BOLT - 1/4 NC x 1 inch

2шт.

36

7770

NUT,Hex, 1/4 - 20, Cl 5

1/4"-20, G5

2шт.

37

131-627

NUT,Tinn, U, 1/4"-20

- Tinnerman, 1/4 inch

2шт.

38

A176860

BRACKET

- range lever stop

1шт.

39

187-1036

SELF-TAP SCREW,Hex Washer, 1/4" - 20 x 1/2"

SCREW - 1/4 NC x 1/2 inch

2шт.

40

7770

NUT,Hex, 1/4 - 20, Cl 5

1/4"-20, G5

2шт.

Выбрано товаров: 37