Запчасти Case IH 3294 (9-440) - CAB ASSEMBLY (09) - CHASSIS/ATTACHMENTS

Схема запчастей Case IH 3294 - (9-440) - CAB ASSEMBLY (09) - CHASSIS/ATTACHMENTS
9
2
18
30
23
33
8
6
35
10
20
5
25
24
31
19
1
32
17
34
3
FIT
1:1
100%

Артикул

Название

Примечание

Количество

F98349

CAB

- with heater, air conditioning and radio speaker and antenna (Machinery item) (Replaces F98258)

1шт.

F98352

CAB - with heater, air conditioning and radio speaker (Europe only)

1шт.

F98339

CAB

- with heater, air conditioning, radio speaker and antenna and air/oil seat supports (Machinery item)

1шт.

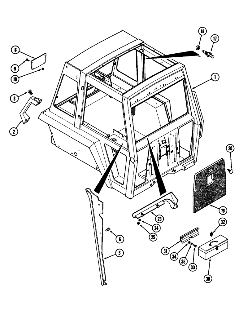
1

NSS

NOT SOLD SEPARAT

FRAME - cab

1шт.

2

F64547

HANDLE

- rear, frame

2шт.

3

182-586

SCREW,Cross Pan Hd, 1/4"-20 x 1 1/4"

BOLT - pan head, 1/4 NC x 1-1/2 inch, frame

4шт.

5

F64614

COVER ASSY

COVER - harness, frame

1шт.

6

F64646

PIN

- clinch, frame

2шт.

8

A149306

COVER

- rear, fuel tank water trap opening, frame

1шт.

9

182-516

SCREW,Sl Pan Hd, #10 - 24 x 1/2"

- slotted pan head, No. 10-24 x 1/2 inch, frame

4шт.

10

193-1004

NUT,Keps, #10 - 24, w/ Ext Tooth LW

NUT - Keps, No. 10-24, frame

4шт.

17

F63895

SWITCH

- dome light, door opening, frame

1шт.

18

9635082

NUT,5/16" - 18, Gr 5

Frame 5/16"-18, G5

1шт.

19

A167044

PAD

- firewall noise, frame

1шт.

20

A166346

FASTENER

- firewall pad, frame

6шт.

23

F64719

COVER

- wire harness, frame

1шт.

24

195-124

WASHER,5/16" x 3/4" x .065"

- flat, 5/16 x 3/4 x 1/16 inch (8 x 19 x 2 MM), frame

2шт.

25

7770

NUT,Hex, 1/4 - 20, Cl 5

1/4"-20, G5, Frame

2шт.

30

A181436

TOOL BOX

BOX ASSEMBLY tool (Available for cab serial No. 12107332 and after) (Machinery item), frame

1шт.

31

A181434

SUPPORT

BRACKET - mounting, tool box, frame

1шт.

32

A30338

PIN

- lock, klick, frame

1шт.

33

113-417

BOLT,Hex, 1/2" - 13 x 1-1/4", Gr 5, Full Thd

Frame Hex, 1/2"-13 x 1 1/4", G5, Full Thd

2шт.

34

195-533

WASHER,1/2", SAE

(17/32 x 1-1/6 x 3/32") (14 x 27 x 2 mm), frame 1/2", SAE

2шт.

35

192-63

LOCK WASHER,1/2"

frame 1/2"

2шт.

Выбрано товаров: 24