Запчасти Case IH 3294 (9-470) - CAB, HEATER, CAB S/N 12107380 AND AFTER (09) - CHASSIS/ATTACHMENTS

Схема запчастей Case IH 3294 - (9-470) - CAB, HEATER, CAB S/N 12107380 AND AFTER (09) - CHASSIS/ATTACHMENTS
8
24
6
7
8
6
8
26
21
8
15
8
23
18
8
3
14
1
4
5
22
25
16
28
FIT
1:1
100%

Артикул

Название

Примечание

Количество

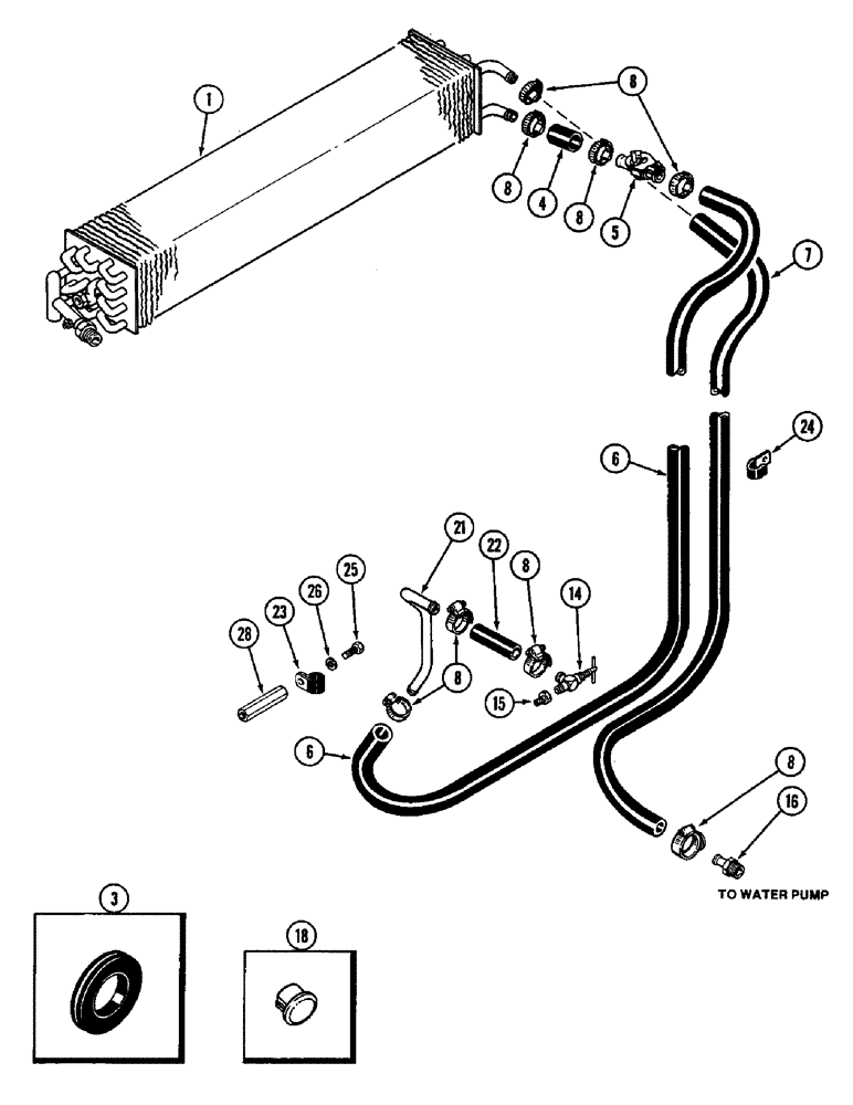
1

F66203

HEATER ASSY.

CORE - heater and air conditioner

1шт.

3

F64485

GROMMET

- hose

2шт.

4

NSS

NOT SOLD SEPARAT

HOSE - core to valve, black 2 inch (51 MM) (Order A42610) (Reference No. F64008)

1шт.

5

F66209

VALVE

- control, heater

1шт.

6

NSS

NOT SOLD SEPARAT

HOSE - valve outlet, black 134 inch (3403 MM) (Order A42610) (Referenco No. F64218)

1шт.

7

NSS

NOT SOLD SEPARAT

HOSE - core inlet, black with red, 104 inch (2641 MM) (Order A42610) (Reference No. F64219)

1шт.

8

214-253

HOSE CLAMP,#10, 0.56" - 1.06", Type F Worm

CLAMP - hose, 9/16 x 1-1/16 inch (14 x 27 MM)

8шт.

A42610

LARGE HOSE

HOSE - 5/8 inch (16 MM) ID x 1 inch (25 MM) OD x 50 feet (15 M) roll (Cut to desired length)

1шт.

14

A16764

VALVE

- shut off

1шт.

15

221-89

REDUCER,Hex, 1/2" x 3/8" NPT

BUSHING - reducer, 1/2 PT x 3/8 inch PT

1шт.

16

217-153

FITTING,5/8" Hose Barb x 1/2" Male NPTF

CONNECTOR - hose to water pump

1шт.

18

353-496

PLUG

BUSHING - heater hose (Order F64485)

2шт.

21

A149953

TUBE

- heater hose

1шт.

22

NSS

NOT SOLD SEPARAT

HOSE - tube to manifold, 3-1/2 inch (119 MM) (Order A42610) (Reference No. A135900)

1шт.

23

NLS

NO LONGER SERVICED

- hose to exhaust manifold

1шт.

24

A160691

CLAMP

- hose to throttle bracket

2шт.

25

113-206

BOLT,Hex, 3/8" - 16 x 3/4", Gr 5, Full Thd

1шт.

26

192-21

LOCK WASHER,3/8"

WASHER, LOCK, 3/8"

1шт.

28

A164486

NUT

- heater tube spacer

1шт.

Выбрано товаров: 19