Запчасти Case IH 3294 (9-480) - CAB, WINDSHIELD WIPER (09) - CHASSIS/ATTACHMENTS

Схема запчастей Case IH 3294 - (9-480) - CAB, WINDSHIELD WIPER (09) - CHASSIS/ATTACHMENTS
17
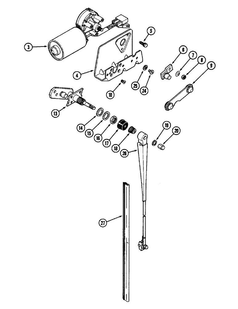
25
14
13
3
5
19
6
20
26
10
4
7
18
24
9
16
15
8
27
FIT
1:1
100%

Артикул

Название

Примечание

Количество

F96900

MOTOR HOUSING

WIPER ASSEMBLY - windshield, Includes: Robert Bosch windshield wiper assembly and Ref. 3 - 20 and parts in Figure 9-478

1шт.

F96891

WIPER ASSEMBLY - windshield (Order F96900) (Robert Bosch), Includes: Ref. 3 - 20

1шт.

3

F96890

WIPER MOTOR

MOTOR - wiper

1шт.

4

N8359

SUPPORT

BRACKET - wiper

1шт.

5

N8362

CAPTIVE WASHER SCREW,Hex, M6 x 18.50mm, Gr 10.9

SCREW AND WASHER ASSEMBLY - mounting

3шт.

6

N8360

SUPPORT

ARM - drive

1шт.

7

N8361

SPRING WASHER

- spring retaining

1шт.

8

L112090

NUT

- hex, 8 mm, retaining

1шт.

9

N8358

LINK

LINK - pivot (Order F45346)

1шт.

10

N8356

SCREW,Phillips Drive, Flat HD, M5 x 8mm

- bracket

4шт.

13

N9090

WIPER BLADE

SHAFT AND PIVOT - wiper

1шт.

14

N6479

HARNESS

WASHER - fiber, shaft pivot

1шт.

15

N6750

WASHER

- retaining

1шт.

16

N6751

NUT

- hex, retaining

1шт.

17

N6752

CAP

- wiper

1шт.

18

N6753

BLOCK DRIVER

DRIVER - knurled, wiper arm

1шт.

19

193-68

LOCK WASHER,Int Tooth, 3/8"

WASHER - external lock, 3/8 inch

1шт.

20

N6754

NUT

- arm retaining, 3/8 inch NF

1шт.

24

182-548

SCREW,Slotted Pan Hd, 1/4"-28 x 3/8"

- mounting, pan head slotted, 1/4 x 3/8 inch

2шт.

25

193-73

LOCK WASHER,Ext-Int Tooth, 1/4"

WASHER - external/internal lock, 1/4 inch

2шт.

26

A165060

WIPER ARM

ARM - wiper blade, 18 inch (457 MM) black

1шт.

27

A165059

WIPER

- 20 inch (508 MM) black

1шт.

Выбрано товаров: 22