Запчасти Case IH 3294 (2-016) - INTAKE MANIFOLD, 504BDT DIESEL ENGINE (02) - ENGINE

Схема запчастей Case IH 3294 - (2-016) - INTAKE MANIFOLD, 504BDT DIESEL ENGINE (02) - ENGINE
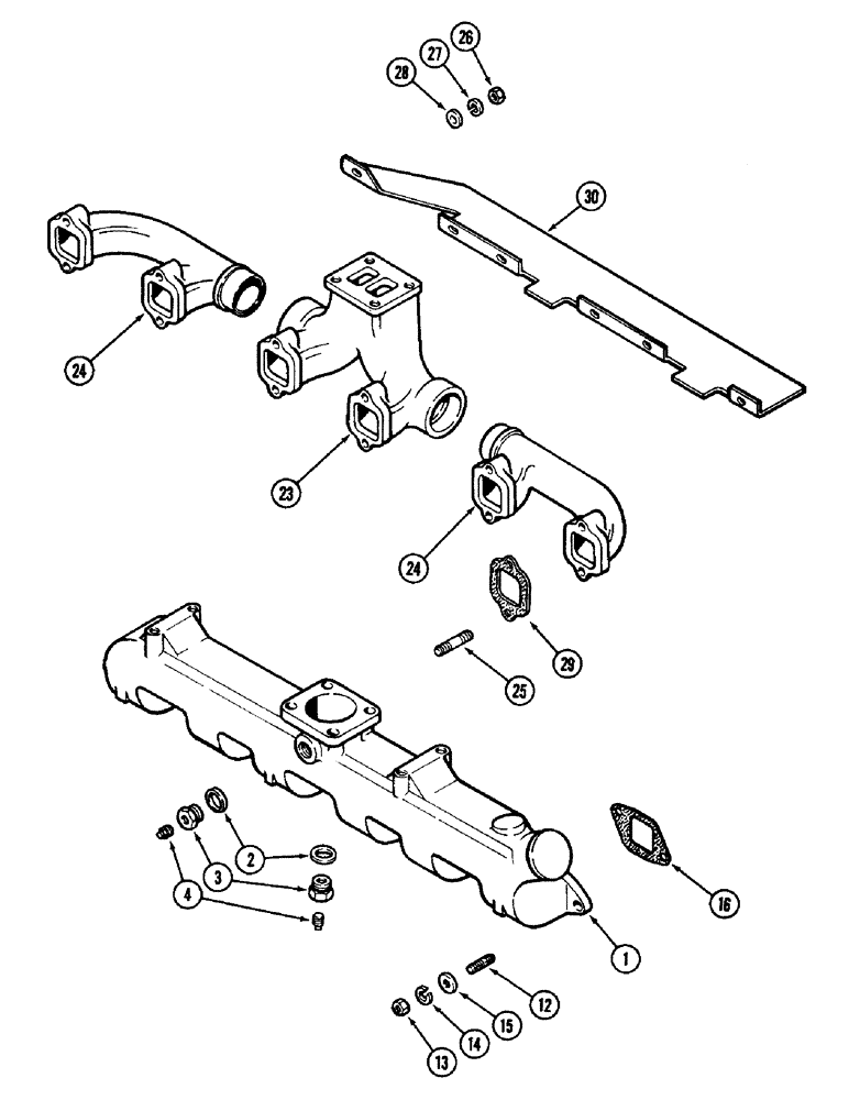
16
27
14
30
24
4
24
26
23
28
2
15
13
3
1
12
25
29
FIT
1:1
100%

Артикул

Название

Примечание

Количество

1

A154446

MANIFOLD

ASSEMBLY - intake, Includes: Ref. 2 - 4

1шт.

2

A20916

MANIFOLD GASKET

GASKET - plug

2шт.

3

L10283

PLUG

- heater hole

2шт.

4

221-1849

PLUG

- square head, 1/8 inch NC

2шт.

12

A59077

STUD

- intake manifold, 1-13/16 inch

12шт.

13

25-166

NUT,3/8"-16, G5, Hvy

- hex, 3/8 inch NC

12шт.

14

192-21

LOCK WASHER,3/8"

WASHER, LOCK, 3/8"

12шт.

15

195-525

WASHER,3/8", SAE

- flat 13/32 x 13/16 x 1/16 inch (10 x 21 x 2 MM)

12шт.

16

A58662

MANIFOLD GASKET

- intake manifold

6шт.

23

A76322

MANIFOLD

- exhaust, center section

1шт.

24

A65917

MANIFOLD

- exhaust, end section

2шт.

25

A140924

STUD

- exhaust manifold, 2-7/16 inch

12шт.

26

131-903

NUT,3/8"-16

NUT - hex Seez pruf, 3/8 inch NC, exhaust manifold

12шт.

27

192-21

LOCK WASHER,3/8"

WASHER, LOCK, , Exhaust manifold 3/8"

12шт.

28

195-525

WASHER,3/8", SAE

- flat, 13/32 x 13/16 x 1/16 inch (10 x 21 x 2 MM), exhaust manifold

6шт.

29

A58895

GASKET

- exhaust manifold

6шт.

30

A76351

GUARD

SHIELD - heat, exhaust manifold

1шт.

Выбрано товаров: 17