Запчасти Case IH 3294 (2-018) - TURBOCHARGER SYSTEM, 504BDT DIESEL ENGINE (02) - ENGINE

Схема запчастей Case IH 3294 - (2-018) - TURBOCHARGER SYSTEM, 504BDT DIESEL ENGINE (02) - ENGINE
35
9
19
10
11
47
49
38
18
15
8
4
5
7
22
50
37
23
39
8
48
45
2
16
40
24
50
21
20
6
46
17
24
13
1
3
41
12
51
FIT
1:1
100%

Артикул

Название

Примечание

Количество

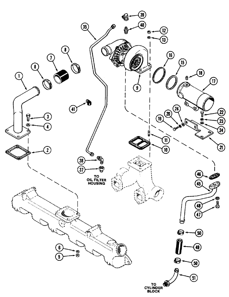
1

A150450

ELBOW

- air intake

1шт.

2

A58910

GASKET

-, Serial Range: elbow-manifold

1шт.

3

113-209

BOLT,Hex, 3/8" - 16 x 1-1/2", Gr 5

4шт.

4

95-6

WASHER,3/8"

- flat, 7/16 x 1 x 5/64 inch (11 x 25 x 2 mm)

4шт.

5

129-103

NUT,Hex, 3/8" - 16, Gr 5

NUT, 3/8"-16, G5

4шт.

6

192-21

LOCK WASHER,3/8"

WASHER, LOCK, 3/8"

4шт.

7

A150449

INTAKE AIR HOSE,2.00" ID x 2.88"

- Elbow to turbocharger 2.00" ID x 2.88"

1шт.

8

214-258

HOSE CLAMP,#28, 1.31" - 2.25", Type F Worm

(33 to 57 mm) #28, 1.31/2.25 Type F Worm

1шт.

9

REF

INSTRUCTION

TURBOCHARGER ASSEMBLY (See Figure 2-020)

1шт.

10

A58899

GASKET,0.45mm Thk

-, Serial Range: turbocharger-manifold

1шт.

11

G102128

BOLT

- turbocharger mounting, 1-17/32 inch

4шт.

12

131-903

NUT,3/8"-16

NUT - hex Seez pruf, 3/8 inch NC

4шт.

13

192-21

LOCK WASHER,3/8"

WASHER, LOCK, 3/8"

4шт.

15

A138817

RING,2.64mm Thk

- seal, turbocharger outlet

1шт.

16

A152831

SHIM,91.95mm ID x 101.6mm OD x 0.84mm Thk

- outlet elbow

1шт.

17

A166231

EXHAUST SYSTEM PIPE

ELBOW - exhaust outlet (Replaces A152392)

1шт.

18

221-12

PLUG,Sq Hd, 1/4"-18

- square head, 1/4 inch PT

1шт.

19

113-207

BOLT,Hex, 3/8" - 16 x 1", Gr 5

2шт.

20

192-21

LOCK WASHER,3/8"

WASHER, LOCK, 3/8"

2шт.

21

A152391

BRACKET

- mounting, outlet elbow

1шт.

22

113-207

BOLT,Hex, 3/8" - 16 x 1", Gr 5

3шт.

23

192-21

LOCK WASHER,3/8"

WASHER, LOCK, 3/8"

3шт.

24

95-6

WASHER,3/8"

- flat, 7/16 x 1 x 5/64 inch (11 x 25 x 2 mm)

5шт.

35

A166064

TUBE

- turbocharger oil supply

1шт.

37

221-86

REDUCER,Hex, 3/8" x 1/4" NPT

- bushing, 3/8 PT to 1/4 inch PT

1шт.

38

222-4095

ELBOW,45 Degree, 5/8"-24 x 1/4" NPT

- 45 degree, 3/8 PT x 1/4 inch

1шт.

39

217-19

ELBOW,90 Degree, 1/4"-18 NPTF, Fem x 1/4"-18 NPTF Male

- 90 degree, male and female, 1/4 inch PT

1шт.

40

222-4027

HYD CONNECTOR,5/8"-24 x 1/4" NPTF

CONNECTOR - straight, 1/4 PT x 3/8 inch

1шт.

41

49845

CLAMP

CLIP - tube to exhaust manifold

1шт.

45

A62518

TUBE

- drain, turbocharger oil

1шт.

46

A58892

GASKET,1.59mm Thk

- oil drain tube

1шт.

47

13-616

BOLT,Hex, 3/8" - 16 x 1", Gr 5, Full Thd

2шт.

48

192-21

LOCK WASHER,3/8"

WASHER, LOCK, 3/8"

2шт.

49

A156842

HOSE,22.2 mm ID x 88.90 mm, SAE 30R1 TYPE 1 PER SAE J30

0.90" ID x 3.50", SAE 30R1 type 1 per SAE J30 - Drain Tube

1шт.

50

214-258

HOSE CLAMP,#28, 1.31" - 2.25", Type F Worm

(30 to 57 mm) #28, 1.31/2.25 Type F Worm

2шт.

51

A58897

FITTING

- drain

1шт.

Выбрано товаров: 0