Запчасти Case IH 3294 (2-022) - EXHAUST MUFFLER, 504BDT DIESEL ENGINE (02) - ENGINE

Схема запчастей Case IH 3294 - (2-022) - EXHAUST MUFFLER, 504BDT DIESEL ENGINE (02) - ENGINE
9
5
17
4
12
11
16
15
6
8
2
18
19
3
7
1
FIT
1:1
100%

Артикул

Название

Примечание

Количество

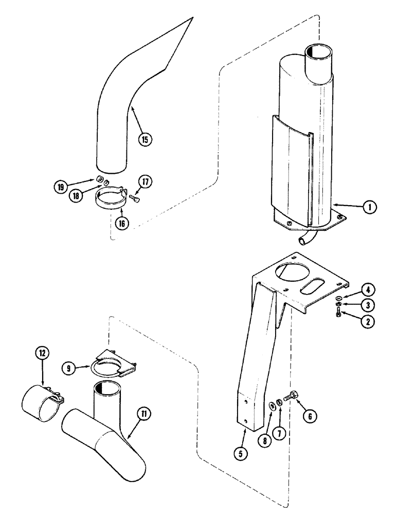
1

A181372

MUFFLER

- aspirated (Replaces A166448)

1шт.

2

113-207

BOLT,Hex, 3/8" - 16 x 1", Gr 5

3шт.

3

192-21

LOCK WASHER,3/8"

WASHER, LOCK, 3/8"

3шт.

4

195-525

WASHER,3/8", SAE

- flat, 13/32 x 13/16 x 1/16 inch (10 x 21 x 2 MM)

3шт.

5

A167634

SUPPORT

- muffler

1шт.

6

113-410

BOLT,Hex, 1/2" - 13 x 1-1/2", Gr 5, Full Thd

2шт.

7

192-23

LOCK WASHER,1/2"

WASHER, LOCK, 1/2"

2шт.

8

195-106

WASHER,1/2"

- flat, 9/16 x 1-3/8 x 5/64 inch (14 x 35 x 2 MM)

2шт.

9

A162896

CLAMP

- exhaust, Serial Range: pipe-muffler

1шт.

11

A181107

PIPE, EXHAUST SYSTEM

PIPE - exhaust, turbocharger to muffler (Replaces A177041)

1шт.

12

A149249

ASSEMBLY

SEAL- clamp, exhaust, Serial Range: pipe-turbocharger

1шт.

15

A180204

TUBE

EXTENSION - muffler exhaust (Replaces A147045)

1шт.

16

A162895

CLAMP

- extension

1шт.

17

113-208

BOLT,Hex, 3/8" - 16 x 1-1/4", Gr 5

1шт.

18

192-21

LOCK WASHER,3/8"

WASHER, LOCK, 3/8"

1шт.

19

129-770

NUT,3/8"-16, G5

- hex, 3/8 inch NC

1шт.

Выбрано товаров: 16