Запчасти Case IH 3294 (2-024) - VERTICAL MUFFLER, USED ON TRACTOR EQUIPPED WITH LOADER, 504BDT DIESEL ENGINE (02) - ENGINE

Схема запчастей Case IH 3294 - (2-024) - VERTICAL MUFFLER, USED ON TRACTOR EQUIPPED WITH LOADER, 504BDT DIESEL ENGINE (02) - ENGINE
23
10
19
3
12
6
9
15
14
5
18
13
11
7
21
1
20
17
22
13
16
4
2
8
FIT
1:1
100%

Артикул

Название

Примечание

Количество

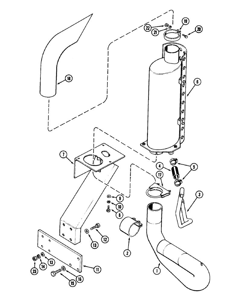
A176130

MUFFLER ATTACHMENT - vertical (Machinery item) (Replaces A162371), Includes: Ref. 1 - 23

1шт.

1

A181075

PIPE, EXHAUST SYSTEM

PIPE - exhaust (Replaces A162261)

1шт.

2

A149249

ASSEMBLY

CLAMP ASSEMBLY - sealing exhaust pipe

1шт.

3

A166716

TUBE

- aspirator (Replaces A162262)

1шт.

4

A161681

HOSE,31.80 mm ID x 95.20 mm, SAE 20R1 Class A per SAE J20E

- Aspirator tube, Lower (Order A19633) 31.80 mm ID x 95.20 mm, SAE 20R1 Class A per SAE J20E

1шт.

5

214-256

HOSE CLAMP,#20, 0.81" - 1.75", Type F Worm

CLAMP - hose, 1-3/16 to 1-3/4 inch (30 to 45 MM)

2шт.

6

A162977

MUFFLER

ASSEMBLY - exhaust

1шт.

7

A162590

BRACKET

- mounting, muffler

1шт.

8

113-208

BOLT,Hex, 3/8" - 16 x 1-1/4", Gr 5

3шт.

9

195-525

WASHER,3/8", SAE

- flat, 13/32 x 13/16 x 1/16 inch (10 x 21 x 2 MM)

3шт.

10

192-21

LOCK WASHER,3/8"

WASHER, LOCK, 3/8"

3шт.

11

A162592

BRACKET

PLATE - stiffener, side rail

2шт.

12

113-441

BOLT,Hex, 1/2" - 13 x 2-1/4", Gr 5

Hex, 1/2"-13 x 2 1/4", G5

4шт.

13

195-106

WASHER,1/2"

- flat, 9/16 x 1-3/8 x 7/64 inch (14 x 35 x 3 MM)

8шт.

14

192-23

LOCK WASHER,1/2"

WASHER, LOCK, 1/2"

4шт.

15

113-2617

BOLT,Hex, 5/8" - 11 x 2-1/4", Gr 8

Hex, 5/8"-11 x 2-1/4", G8

3шт.

16

A35147

WASHER

- stiffener plate bolt

3шт.

17

A162896

CLAMP

ASSEMBLY - exhaust, Serial Range: pipe-muffler

1шт.

18

A180204

TUBE

EXTENSION - exhaust pipe (Replaces A147045)

1шт.

19

A162895

CLAMP

- exhaust extension

1шт.

20

113-222

X

BOLT - hex, 3/8 NC x 1-1/4 inch

1шт.

21

192-46

LOCK WASHER,3/8"

WASHER, LOCK, 3/8"

1шт.

22

129-770

NUT,3/8"-16, G5

- hex, 3/8 inch NC

1шт.

23

129-105

NUT,Hex, 1/2" - 13, Gr 5

4шт.

Выбрано товаров: 24