Запчасти Case IH 3294 (2-028) - CYLINDER HEAD AND COVER, 504BDT DIESEL ENGINE (02) - ENGINE

Схема запчастей Case IH 3294 - (2-028) - CYLINDER HEAD AND COVER, 504BDT DIESEL ENGINE (02) - ENGINE
23
26
12
6
13
22
1
25
37
15
5
8
7
9
4
34
33
38
14
3
11
24
2
32
10
27
FIT
1:1
100%

Артикул

Название

Примечание

Количество

1

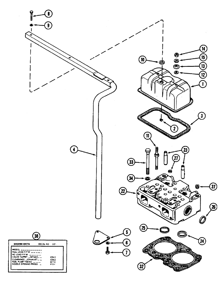
A166170

COVER

COVER ASSEMBLY - cylinder head, Includes: Ref. 2

3шт.

2

131-114

SPRING NUT,Rtnr, 1/4" - 20, 0.25" High

NUT - Tinnerman, 1/4 inch NC

1шт.

3

REF

INSTRUCTION

GASKET - cover (See Figure 2-044)

3шт.

4

A166157

TUBE

SPARE PART TUBE - breather

1шт.

5

A59054

BRACKET

BRACKET - breather tube to oil pan

1шт.

6

195-525

WASHER,3/8", SAE

WASHER - flat, 13/32 x 13/16 x 1/16 inch (10 x 21 x 2 MM)

1шт.

7

193-527

WASHER,Hex, 3/8" - 16 x 1 1/4"

BOLT - hex Sems, 3/8 NC x 1-1/4 inch

2шт.

8

182-587

SCREW,Cross Pan Hd, 1/4"-20 x 2 1/2"

SCREW - pan head, 1/4 NC x 2-1/2 inch

3шт.

9

A166102

WASHER,6.45mm ID x 12.7mm OD x 0.81mm Thk

WASHER - breather tube bolt

3шт.

10

A58635

GASKET,17.27mm ID x 32mm OD x 6.6mm Thk

GASKET -, Serial Range: tube-cover

3шт.

11

REF

INSTRUCTION

STUD - rocker arm bracket, special (See Figure 2-030)

6шт.

12

A142098

GROMMET

GROMMET - cover stud

6шт.

13

A156097

WASHER,11.94mm ID x 31.22mm OD x 1.32mm Thk

WASHER - cover stud

6шт.

14

129-104

NUT,7/16"-14, G5

NUT, 7/16"-14, G5

6шт.

15

195-529

WASHER,7/16", SAE

WASHER - flat, 15/32 x 59/64 x 1/16 inch (12 x 23 x 2 mm)

6шт.

22

A138261

HEAD (CYLINDER)

HEAD ASSEMBLY - cylinder (Casting no. A138261)

3шт.

22

AR152265

REMAN-CYLINDER HEAD

Cylinder Head

3шт.

22

AC152265

CORE-CYLINDER HEAD

Return Number

3шт.

23

A57448

GUIDE

GUIDES - intake and exhaust valves, Includes: Ref. 23 - 27

4шт.

24

A66192

INSERT

INSERT - exhaust valves

2шт.

25

A66191

INSERT

INSERT - intake valve

2шт.

26

A34124

PLUG,Cup, 1 5/8", Stainless

PLUG - cup, 1-5/8 inch (41 MM)

2шт.

27

A58620

PLUG,Cup, 3/4", Stainless

PLUG - cup, 3/4 inch (19 MM)

3шт.

32

REF

INSTRUCTION

GASKET - cylinder head (See Figure 2-044)

3шт.

33

A76638

BOLT

BOLT - hex, special, 5/8 NC x 6 inch

30шт.

34

A58629

BEARING WASHER,16.66mm ID x 25.4mm OD x 3.04mm Thk

WASHER - special

30шт.

37

221-1843

PLUG

PLUG - hex socket head, 3/8 inch PT

6шт.

38

321-3972

DECAL

DECAL - engine specification

1шт.

Выбрано товаров: 0