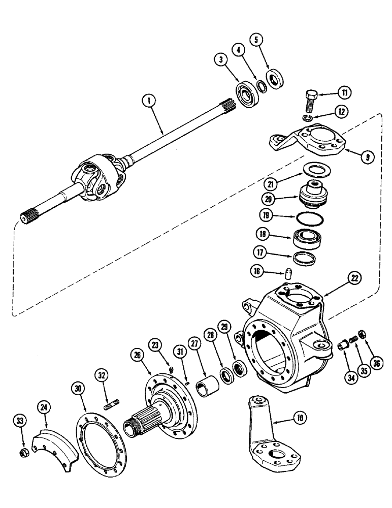
Запчасти Case IH 3294 (5-142) - FRONT AXLE, UNIVERSAL JOINT AND STUB AXLE, CARRARO AXLE (05) - STEERING

Схема запчастей Case IH 3294 - (5-142) - FRONT AXLE, UNIVERSAL JOINT AND STUB AXLE, CARRARO AXLE (05) - STEERING
23
1
12
31
10
19
18
29
20
16
30
26
24
11
36
27
34
3
28
21
32
4
17
33
22
9
5
35
FIT
1:1
100%

Артикул

Название

Примечание

Количество

A168841

SHAFT

AXLE ASSEMBLY - front, Includes: Ref. 1 - 36 in this figure and parts in Figures 5-134, 5-138, 5-140 and 5-144, Start Serial: 16239354

1шт.

A156672

SHAFT

AXLE ASSEMBLY - front (Order A168841), Includes: Ref. 1 - 36 in this figure and parts in Figures 5-134, 5-136, 5-140 and 5-144, Serial Range: -16239354

1шт.

1

REF

INSTRUCTION

UNIVERSAL JOINT - front axle (See Figure 5-146)

2шт.

3

S400372

BEARING ASSY

BEARING - ball, axle housing (Carraro no. 26032)

2шт.

4

A48041

CIRCLIP,41.5mm ID x 2.5mm Thk

RING - retaining, bearing to housing (Carraro no. 24800)

2шт.

5

A48040

OIL SEAL

- oil, axle housing (Carraro no. 25210)

2шт.

9

A48052

ARM

- steering, upper (Carraro no. 107742)

2шт.

10

REF

INSTRUCTION

ARM - steering, lower right (See Figure 5-134)

1шт.

10

REF

INSTRUCTION

ARM - steering, lower left (See Figure 5-134)

1шт.

11

A48165

BOLT

- steering arms, hex, M20 x 55 MM full thread (Carraro no. 21225)

16шт.

12

892-1120

LOCK WASHER,M20

WASHER - lock, (Carraro no. 22867) M20

16шт.

16

K260249

DOWEL

- steering arms (Carraro no. 88408)

8шт.

17

K956994

PLUG

CUP - axle pivot pin grease (Carraro no. 108541)

4шт.

18

A48046

TAPERED BEARING,110mm OD x 42.25mm

BEARING - axle pivot (Carraro no. 27376)

4шт.

19

S5747

O-RING,0.103" Thk x 3.737" ID, -154, Cl 5, 75 Duro

- bearing pivot pin (Carraro no. 28510)

4шт.

20

A48045

PIN

- axle bearing pivot (Carraro no. 107721)

4шт.

21

NLS

NO LONGER SERVICED

- bearing, 1.00 MM (Carraro no. 107722)

1шт.

21

A48048

SHIM

- bearing, 3.00 MM (Carraro no. 107723)

1шт.

21

A48049

SHIM

- bearing, 5.00 MM (Carraro no. 107724)

1шт.

22

A48050

CAP

- axle housing end, right (Carraro no. 107250)

1шт.

22

A48051

CAP

- axle housing end, left (Carraro no. 107251)

1шт.

23

A48146

BREATHER

- stub axle (Carraro no. 108045)

2шт.

24

A48100

GUARD

SHIELD - breather protective (Carraro no. 107716)

2шт.

26

A179899

AXLE

- stub (Carraro no. 118432) (Replaces A48097), Includes: Ref. 27

2шт.

27

A48157

BUSHING

- stub axle (Carraro no. 109979) (Order A156575)

1шт.

28

A48094

OIL SEAL

- oil, stub axle (Carraro no. 25355) (72 MM) OD (Two seal combination)

2шт.

28

A179897

OIL SEAL,48mm ID x 74mm OD x 13mm Thk

SEAL - oil, stub axle (Carraro no. 118433) (74 MM) OD (Single seal combination)

2шт.

29

A48095

SEAL

- dust, stub axle (Carraro no. 107754) (72 MM) OD (Two seal combination)

2шт.

30

A48099

RING

- deflector (Carraro no. 109421)

2шт.

31

A48101

PLUG

- stub axle drain (Carraro no. 97952)

2шт.

32

A48098

STUD

- stub axle to cap (Carraro no. 80576)

24шт.

33

A48147

NUT

- hex lock, M16 (Carraro no. 22418)

24шт.

34

K260154

STOP

- axle (Carraro no. 101040)

4шт.

35

K956931

BOLT

- axle stop (Carraro no. 21520)

4шт.

36

K956932

JAM NUT

- axle stop (Carraro no. 22132)

4шт.

Выбрано товаров: 35