Запчасти Case IH 3388 (13-06) - SUPERSTRUCTURE, STEERING AND GEAR SELECTOR SUPPORTS (05) - SUPERSTRUCTURE

Схема запчастей Case IH 3388 - (13-06) - SUPERSTRUCTURE, STEERING AND GEAR SELECTOR SUPPORTS (05) - SUPERSTRUCTURE
12
12
3
7
5
9
8
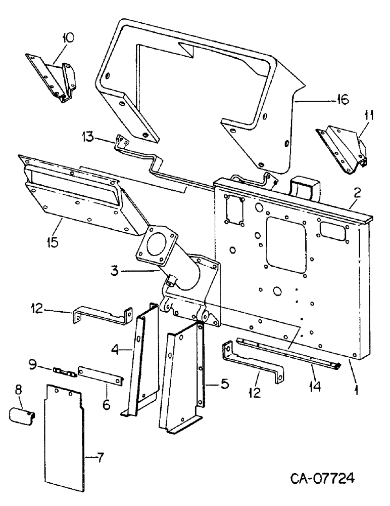
2
13
14
1
11
16
6
4
10
15
FIT
1:1
100%

Артикул

Название

Примечание

Количество

1

104010C3

PANEL

ASSY, firewall

1шт.

179835

BOLT,Hex, 3/8" - 16 x 5/8", Gr 5, Full Thd

6шт.

20285H

WASHER

.406 x .750 x .105 pln

6шт.

102635

NUT,3/8"-16, G5

4шт.

NLS

NO LONGER SERVICED

4шт.

2

109350C1

SEALING STRIP

cab & firewall top, seal

1шт.

3

103929C1

SUPPORT

inst. panel & steering wheel

1шт.

179835

BOLT,Hex, 3/8" - 16 x 5/8", Gr 5, Full Thd

2шт.

4

104023C1

SUPPORT

ASSY, firewall LH

1шт.

24839R1

BOLT,Hex, 3/8" - 16 x 3/4", Gr 8

2шт.

142619H

WASHER

.406 x .750 x .105

2шт.

5

104024C1

SUPPORT

ASSY, firewall RH

1шт.

24839R1

BOLT,Hex, 3/8" - 16 x 3/4", Gr 8

2шт.

142619H

WASHER

.406 x .750 x .105

2шт.

6

104027C1

SUPPORT

ASSY, supp cover mtg, plate

1шт.

1276073C1

SELF-TAP SCREW,Cross Flat Hd, 1/46" x 1/2"

SCREW, 1/4 x 1/2 polyseal

2шт.

7

120441C91

SUPPORT

ASSY, firewall

1шт.

8

104030C1

SUPPORT

firewall cover, handle

1шт.

9

104031C1

SUPPORT

firewall cover, retainer

1шт.

436525C1

RIVET,Pop, 1/4" x 1/2"

pop

2шт.

10

104016C1

SUPPORT

ASSY, inst. panel LH

1шт.

179833

BOLT,Hex, 3/8" - 16 x 1/2", Gr 5, Full Thd

3шт.

104036C1

NUT

instrument housing mounting

2шт.

11

104017C1

SUPPORT

ASSY, inst. panel RH

1шт.

179835

BOLT,Hex, 3/8" - 16 x 5/8", Gr 5, Full Thd

3шт.

104036C1

NUT

instrument housing mounting

2шт.

12

104021C1

SUPPORT

pedal stop, bracket

2шт.

179839

BOLT,Hex, 3/8" - 16 x 1", Gr 5

2шт.

13

104020C2

SUPPORT

inst. housing lower

1шт.

104036C1

NUT

instrument housing mounting

2шт.

179833

BOLT,Hex, 3/8" - 16 x 1/2", Gr 5, Full Thd

2шт.

930140R1

BOLT,Hex, M10 x 1.5 x 30mm, Cl 8.8, Full Thd

M10 x 30 pln class 8.8

2шт.

30176R1

WASHER,M10 x 21.5 x 2.5, HT

10.8 x 21 x 2.5MM phc

2шт.

30284R1

NUT,M10, Cl 10

M10 class 10

2шт.

14

104022C4

SUPPORT

pedal return spring mtg, angle

1шт.

541313R1

BOLT,Hex Serr Flg, 3/8" - 16 x 3/4"

SCREW, 3/8 x 3/4 hex-hd flange

2шт.

102635

NUT,3/8"-16, G5

2шт.

179835

BOLT,Hex, 3/8" - 16 x 5/8", Gr 5, Full Thd

1шт.

Q1504

WASHER

.406 x .875 x .054

1шт.

15

104032C3

HOUSING

lower instrument

1шт.

104033C2

SELF-TAP SCREW,Truss HD, #10 - 16 x 3/4"

SCREW, inst. housing mounting, NSS

9шт.

120355C1

PAD

SHEET, polyurethane foam insulation

1шт.

16

1251804C2

HOUSING

upper instrument, Replaces 104034C1

1шт.

104033C2

SELF-TAP SCREW,Truss HD, #10 - 16 x 3/4"

SCREW, inst. housing mounting, No. 10 x 3/4

11шт.

120354C1

PAD

STRIP, polyurethane foam insulation

1шт.

120356C1

PAD

SHEET, polyurethane foam insulation

1шт.

Выбрано товаров: 46