Запчасти Case IH 3394 (6-74) - MFD DRIVE TRAIN (06) - POWER TRAIN

Схема запчастей Case IH 3394 - (6-74) - MFD DRIVE TRAIN (06) - POWER TRAIN
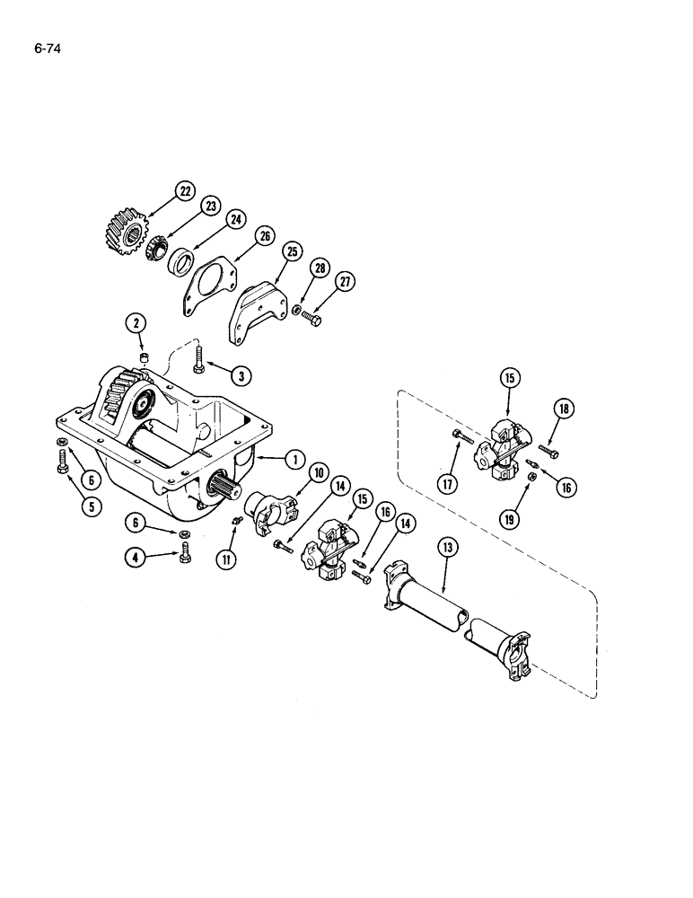
4
24
19
18
14
13
17
1
15
2
5
3
11
6
26
14
27
16
16
28
25
6
10
23
15
22
FIT
1:1
100%

Артикул

Название

Примечание

Количество

1

REF

INSTRUCTION

GEARBOX ASSEMBLY - transfer (See Figure 6-78)

1шт.

2

A188330

SLEEVE

- dowel, gearbox to torque tube

2шт.

3

413-836

BOLT,Hex, 1/2" - 13 x 2-1/4", Gr 5

- hex, 1/2 NC x 2-1/4 inch

1шт.

4

413-824

BOLT,Hex, 1/2" - 13 x 1-1/2", Gr 5

1шт.

5

413-828

BOLT,Hex, 1/2" - 13 x 1-3/4", Gr 5

10шт.

6

A30061

WASHER

- hardened

12шт.

10

A168470

ASSEMBLY

YOKE, gearbox, Includes: Ref. 11

1шт.

11

219-1

LUBE NIPPLE,1/8" - 27 NPTF

FITTING - grease, straight, 1/8 PT x 21/32 inch

1шт.

A179384

YOKE

SHAFT ASSEMBLY - drive, Includes: Ref. 13 - 16

1шт.

13

A52284

TUBE ASSY.

TUBE ASSEMBLY - drive shaft

1шт.

14

A17298

BOLT,Hex, 3/8" x 1 11/16"

-, Serial Range: bearing-yoke

8шт.

15

A45595

SPIDER ,U-JOINT

UNIVERSAL JOINT ASSEMBLY - drive shaft, Includes: Ref. 16

2шт.

16

219-417

LUBE NIPPLE,1/4" - 28 NPTF

FITTING - grease, straight, 1/4 inch NPT

1шт.

17

25774R1

BOLT,Hex, 3/8" - 24 x 2", Gr 8

- hex, 3/8 NF x 2 inch, grade 8

4шт.

18

28-628

BOLT,Hex, 3/8" - 24 x 1-3/4", Gr 8

- hex, 3/8 NF x 1-3/4 inch, grade 8

4шт.

19

129-524

NUT,3/8"-24, G8

4шт.

22

A168429

GEAR SHAFT

GEAR - input

1шт.

23

671032R1

TAPERED BEARING,33.34mm ID x 22.33mm W

CONE - bearing

1шт.

24

671033R1

BEARING, CUP

CUP - bearing

1шт.

25

A168438

CARRIER

- bearing input gear

1шт.

26

A168439

SHIM

- bearing carrier, 0.003 inch

1шт.

26

A168440

SHIM

- bearing carrier, 0.005 inch

1шт.

26

A168441

SHIM

- bearing carrier, 0.010 inch

1шт.

27

26-826

BOLT,Hex, 1/2" - 13 x 1-5/8", Gr 8

- hex, 1/2 NC x 1-5/8 inch, Grade 8

4шт.

28

A30061

WASHER

- hardened

4шт.

Выбрано товаров: 25