Запчасти Case IH 3394 (2-06) - WATER FILTER (02) - ENGINE

Схема запчастей Case IH 3394 - (2-06) - WATER FILTER (02) - ENGINE
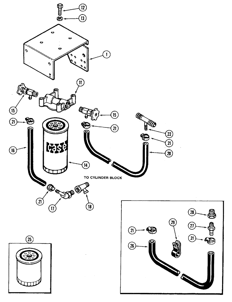
29
20
21
11
21
12
22
18
25
14
21
15
21
13
28
16
1
15
17
21
21
26
27
FIT
1:1
100%

Артикул

Название

Примечание

Количество

1

REF

INSTRUCTION

SUPPORT - throttle cable and filter head (See Figure 3-15)

1шт.

A46400

KIT

- water filter and conditioner, Includes: Ref. 11 - 22

1шт.

11

A152821

HEAD

- water filter

1шт.

12

413-620

BOLT,Hex, 3/8" - 16 x 1-1/4", Gr 5

- hex, 3/8 NC x 1-1/4 inch

4шт.

13

492-11038

LOCK WASHER,3/8"

4шт.

14

A152819

FILTER

CARTRIDGE - water filter (Precharged) (See Ref 25)

1шт.

15

A154051

COCK, DRAIN

VALVE - shutoff

2шт.

16

A154770

HOSE,0.38" ID x 6.10", SAE 20R3 PER SAE J20

9.60 mm ID x 154.90 mm, SAE 20R3 - Valve to Block

1шт.

17

217-142

ELBOW,45 Degree Elbow, 3/8" Hose Barb x 1/4" Male NPTF

- 45 degree, 3/8 stem end x 1/4 inch PT

1шт.

18

221-1691

TEE,Street, 1/4" NPT

- street, 1/4 inch PT

1шт.

20

A161557

HOSE,9.60 mm ID x 558.80 mm, SAE 20R3

- Valve to heater hose 9.60 mm ID x 558.80 mm, SAE 20R3

1шт.

21

214-1406

HOSE CLAMP,#06, 0.44" - 0.78", Type F Worm

CLAMP, HOSE, , Adj. #06, .44/.78 Type F Worm

4шт.

22

A154014

CONNECTOR, ELEC

TEE - branch, heater hose

1шт.

25

A151931

FILTER

AND GASKET KIT - coolant (Order for service)

1шт.

26

A154065

HOSE,0.38" ID x 36.00", SAE 20R3 PER SAE J20

0.38" ID x 36.00", SAE 20R3 - Filter to Water Pump (For Use on Tractors Without Cab Heater)

1шт.

27

217-151

FITTING,3/8" Hose Barb x 1/4" Male NPTF

stem - straight 3/8" Hose X 1/4" NPTF Beaded

1шт.

28

221-88

REDUCER,Hex, 1/2" x 1/4" NPT

- pipe, 1/2 male x 1/4 inch female

1шт.

29

NLS

NO LONGER SERVICED

- tube 5/8 inch

1шт.

Выбрано товаров: 18