Запчасти Case IH 3394 (9-074) - 4 POST ROPS (09) - CHASSIS/ATTACHMENTS

Схема запчастей Case IH 3394 - (9-074) - 4 POST ROPS (09) - CHASSIS/ATTACHMENTS
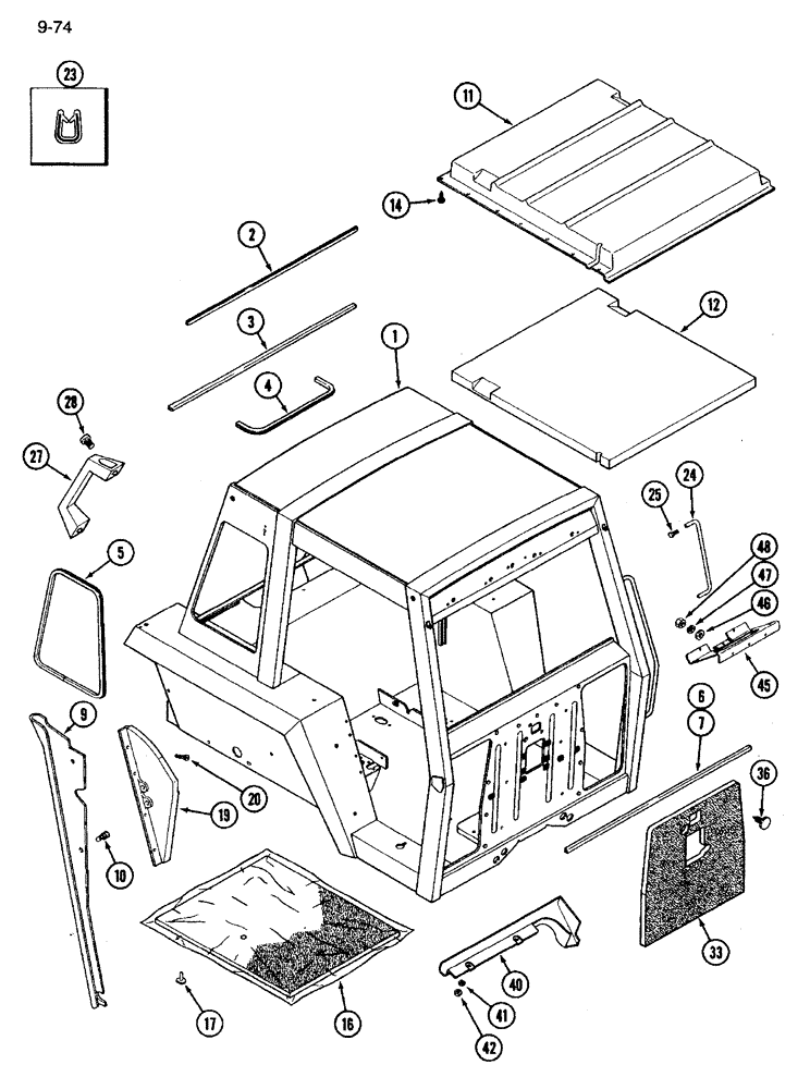
28
20
23
2
41
9
40
47
42
1
11
19
5
33
16
24
46
12
14
45
3
7
10
36
17
27
48
6
25
4
FIT
1:1
100%

Артикул

Название

Примечание

Количество

F98324

FUNNEL

FRAME FRAME ASSEMBLY - ROPS (Machinery Item), Includes: Ref. 1 - 17

1шт.

1

NSS

NOT SOLD SEPARAT

FRAME - ROPS (Order F98252)

1шт.

2

NSS

NOT SOLD SEPARAT

MOULDING - rear window upper (Order F64277)

1шт.

3

NSS

NOT SOLD SEPARAT

MOULDING - rear window lower (Order F64277)

1шт.

4

NSS

NOT SOLD SEPARAT

MOULDING - horizontal window (Order F64277)

1шт.

5

NSS

NOT SOLD SEPARAT

MOULDING - rear side window (Order F64277)

2шт.

6

NSS

NOT SOLD SEPARAT

MOULDING - front window (Order F64277)

1шт.

7

NSS

NOT SOLD SEPARAT

MOULDING - lower front (Order F64277)

2шт.

9

F64614

COVER ASSY

COVER - harness

1шт.

10

R53048

CLIP

PIN - speed, clinch

2шт.

11

F64803

PADDING

HEADLINDER ASSEMBLY - frame

1шт.

12

F64804

FOAM

FOAM - headliner

1шт.

14

F64519

SELF-TAP SCREW,Cross Wash Hd, #10-16 x 3/4"

SCREW - 10-16 x 3/4 inch (Order 1 washer F64315 and 1 screw 265-16512)

19шт.

16

F64802

FLOOR MAT

MAT - under floor (Order F66049)

1шт.

17

F64518

RETAINER

RETAINER - mat

15шт.

19

NSS

NOT SOLD SEPARAT

PLATE - console support

1шт.

20

280-16516

SELF-TAP SCREW,Hex Wash Hd, #10 x 1"

SCREW - self-tapping, hex washer head, No. 10-16 x 1 inch

4шт.

23

F64277

SEAL

MOULDING - window, 50 foot, Serial Range: (Cut-length)

1шт.

24

A143834

HANDLE

HANDLE - mounting

1шт.

25

409-7512

BOLT,Hex Flg, 5/16" - 18 x 3/4", Spcl

2шт.

27

F64547

HANDLE

HANDLE - grab

2шт.

28

140-116

SCREW,Cross Pan Hd, 1/4" - 20 x 1 1/4"

4шт.

33

A167044

PAD

PAD - firewall

1шт.

36

A166346

FASTENER

FASTENER - pad, firewall

6шт.

40

F64719

COVER

COVER - harness

1шт.

41

195-81009

WASHER,5/16" x 3/4" x .065"

WASHER - flat, 5/16 x 3/4 x 1/16 inch

2шт.

42

129-119

NUT,1/4"-20, G5

2шт.

45

F66067

PANEL

PANEL - column support

1шт.

46

495-21031

WASHER,1/4"

WASHER - flat, 5/16 x 47/64 x 1/16 inch

3шт.

47

492-11025

LOCK WASHER,1/4"

3шт.

48

425-104

NUT,1/4"-20, Cl 5

3шт.

Выбрано товаров: 31