Запчасти Case IH 3394 (9-110) - CAB, WINDSHIELD WIPER, AMERICAN BOSCH (09) - CHASSIS/ATTACHMENTS

Схема запчастей Case IH 3394 - (9-110) - CAB, WINDSHIELD WIPER, AMERICAN BOSCH (09) - CHASSIS/ATTACHMENTS
3
12
6
7
10
5
15
8
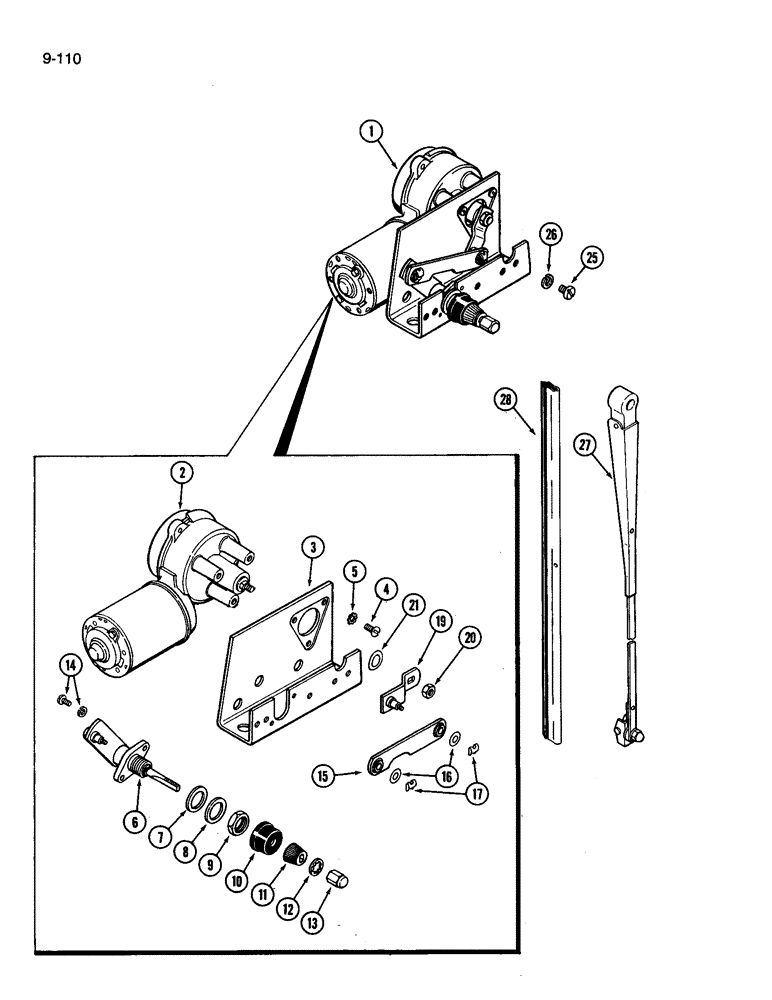
2
28
16
11
14
19
21
27
9
17
26
1
13
4
25
20
FIT
1:1
100%

Артикул

Название

Примечание

Количество

F96900

MOTOR HOUSING

WIPER ASSEMBLY - windshield, Includes: Ref. 1 - 21

1шт.

1

F96764

WIPER

ASSEMBLY - windshield (American Bosch)(Order F96900), Includes: Ref. 2 - 13

1шт.

2

NSS

NOT SOLD SEPARAT

MOTOR - wiper (Order F96900)

1шт.

3

NSS

NOT SOLD SEPARAT

BRACKET - motor (Order F96900)

1шт.

4

174-214

SCREW,Sl Rnd Hd, 1/4" - 28 x 5/8"

- machine, round head slotted, 1/4 NF x 5/8 inch

3шт.

5

493-41026

LOCK WASHER,Ext Tooth, 1/4"

WASHER - external tooth lock, 1/4 inch

3шт.

D71415

SHAFT

ASSEMBLY - wiper arm, Includes: Ref. 6 - 13

1шт.

6

NSS

NOT SOLD SEPARAT

SHAFT AND PIVOT - wiper arm

1шт.

7

D71417

SPECIAL WASHER

WASHER - fiber

1шт.

8

D71418

WASHER

- steel

1шт.

9

D71419

NUT

- hex jam

1шт.

10

D71420

CAP

BOOT - rubber

1шт.

11

1267556C1

BUTTON

DRIVER - knurled

1шт.

12

193-87

LOCK WASHER,Ext-Int Tooth, 1/2"

WASHER, LOCK, Ext-Int Tooth, 1/2"

1шт.

13

D71422

NUT

- hex, cap

1шт.

14

D71416

SCREW

- shaft assembly

2шт.

15

D71427

LINK,85.85mm L

- connecting

1шт.

16

A22431

WASHER

- link clip

2шт.

17

D71414

CLIP

RETAINER - spring clip

2шт.

19

F64210

LEVER

ARM - drive

1шт.

20

F44452

LOCK NUT

- hex, keps

1шт.

21

D71411

WASHER

- wave

1шт.

25

459-1256

SCREW,Slotted Pan Hd, 1/4"-28 x 3/8"

- machine, pan head slotted, 1/4 NF x 3/8 inch

2шт.

26

492-11025

LOCK WASHER,1/4"

WASHER, LOCK, 1/4"

2шт.

27

A165060

WIPER ARM

ARM - wiper blade, 18 inch black

1шт.

28

A165059

WIPER

BLADE - wiper, 20 inch black

1шт.

Выбрано товаров: 26