Запчасти Case IH 3394 (9-118) - AIR CONDITIONING, CONDENSER AND RECEIVER DRIER (09) - CHASSIS/ATTACHMENTS

Схема запчастей Case IH 3394 - (9-118) - AIR CONDITIONING, CONDENSER AND RECEIVER DRIER (09) - CHASSIS/ATTACHMENTS
FIT
1:1
100%

Артикул

Название

Примечание

Количество

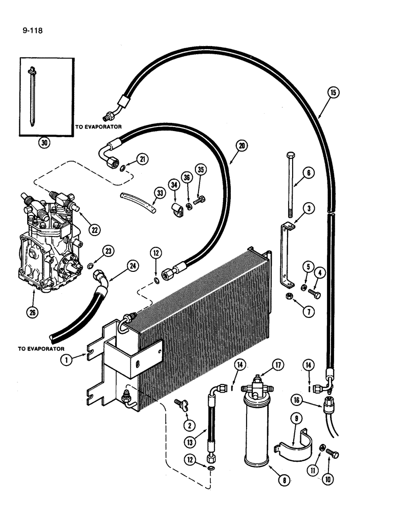
1

A145695

COIL

- condenser

1шт.

2

A141485

THUMB SCREW,5/16" - 18 x 5/8"

- thumb, 5/16 NC x 5/8 inch

2шт.

3

A141489

SUPPORT

BRACKET - pivot, condenser

1шт.

4

413-510

BOLT,Hex, 5/16" - 18 x 5/8", Gr 5

- hex, 5/16 NC x 5/8 inch

2шт.

5

492-11031

LOCK WASHER,5/16"

WASHER, LOCK, 5/16"

2шт.

6

117-2

SQUARE BOLT,1/4" - 20 x 8 1/2", Gr 2

- square head, 1/4 NC x 8-1/2 inch

1шт.

7

131-1180

LOCK NUT,1/4"-20, GA

NUT, LOCK, 1/4"-20, GA

1шт.

8

A76312

RECEIVER-DRYER

RECEIVER-DRIER - air conditioner

1шт.

9

A61193

CLAMP

-, Serial Range: receiver-drier-coil

1шт.

10

413-512

BOLT,Hex, 5/16" - 18 x 3/4", Gr 5

- hex, 5/16 NC x 3/4 inch

1шт.

11

492-11031

LOCK WASHER,5/16"

WASHER, LOCK, 5/16"

1шт.

12

222-993

GASKET,3/8 Tube, Fl, Copper

2шт.

13

A145697

TUBE

HOSE -, Serial Range: condenser-receiver-drier

1шт.

14

238-5011

O-RING,0.07" Thk x 0.301" ID, -11, Cl 5, 75 Duro

-011, 70 Duro, .301" ID x .070" Thk

2шт.

15

A145698

HOSE

-, Serial Range: cab-receiver-drier

1шт.

16

A65779

SWITCH

- high pressure cut out

1шт.

17

A47717

SWITCH

- low pressure

1шт.

20

A145696

HOSE

-, Serial Range: condenser-compressor

1шт.

21

A62227

GASKET

- copper (Order A42920)

1шт.

22

A145699

VALVE

- roto lock, discharge

1шт.

23

222-995

SEALING WASHER,15.88mm ID

- copper, 5/8 inch

1шт.

24

F64305

HOSE

HOSE -, Serial Range: cab-compressor

1шт.

26

REF

INSTRUCTION

COMPRESSOR - air conditioning (See Figure 9-116)

1шт.

30

L18337

CABLE TIE,9.95"-12.1" lg

STRAP - tie, 15 inch, nylon

1шт.

33

A62053

HARNESS

LOOM - wire, clutch (Order A59680 and, Serial Range: cut-lenght)

1шт.

34

A7922

CLIP

- clutch wire

1шт.

35

413-612

BOLT,Hex, 3/8" - 16 x 3/4", Gr 5

1шт.

36

92-11038

LOCK WASHER,3/8"

WASHER, LOCK, 3/8"

1шт.

Выбрано товаров: 28