Запчасти Case IH 3394 (6-04) - HYDRAULIC MANIFOLD MOUNTING (06) - POWER TRAIN

Схема запчастей Case IH 3394 - (6-04) - HYDRAULIC MANIFOLD MOUNTING (06) - POWER TRAIN
8
30
26
10
1
24
15
7
5
25
4
3
16
9
2
23
7
27
19
7
17
18
28
29
11
FIT
1:1
100%

Артикул

Название

Примечание

Количество

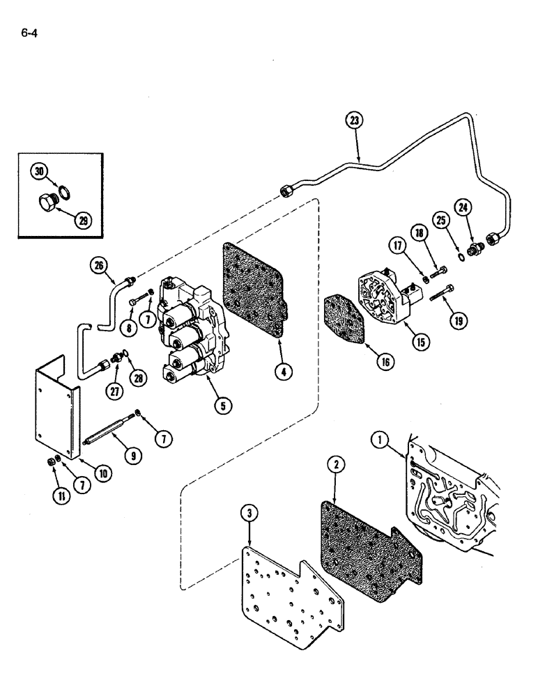
1

REF

INSTRUCTION

TUBE - torque (See Figure 6-02), electric shift

1шт.

2

1342414C1

MANIFOLD GASKET

- plate (Replaces A158395), electric shift

1шт.

3

A158396

PLATE

- manifold, electric shift

1шт.

4

1342415C1

MANIFOLD GASKET

- manifold (Replaces A158498), electric shift

1шт.

5

REF

INSTRUCTION

MANIFOLD ASSEMBLY - electric shift (See Figure 6-06)

1шт.

7

192-81003

LOCK WASHER,3/8"

WASHER, LOCK, , Electric shift 3/8"

14шт.

8

113-2240

BOLT,Hex, 3/8" - 16 x 2-1/8", Gr 5

Electric shift Hex, 3/8"-16 x 2 1/8", G5

6шт.

9

A168325

STUD

- manifold cover, electric shift

4шт.

10

A160836

COVER

- solenoid, electric shift

1шт.

11

425-106

NUT,3/8"-16, Cl 5

Electric shift 3/8"-16, G5

4шт.

15

REF

INSTRUCTION

MANIFOLD ASSEMBLY - duel range (See Figure 6-06), 24 speed transmission

1шт.

16

1342411C1

MANIFOLD GASKET

- manifold (Replaces A156552), duel range, 24 speed transmission

1шт.

17

92-11031

LOCK WASHER,5/16"

WASHER, LOCK, , Duel range, 24 speed transmission 5/16"

12шт.

18

413-528

BOLT,Hex, 5/16" - 18 x 1-3/4", Gr 5

- hex, 5/16 NC x 1-3/4 inch, Dual range, 24 speed transmission

6шт.

19

413-548

BOLT,Hex, 5/16" - 18 x 3", Gr 5

- hex, 5/16 x 3 inch NC, duel range, 24 speed transmission

6шт.

23

A180069

TUBE

ASSEMBLY - duel range, left, 24 speed transmission

1шт.

24

218-5066

HYD CONNECTOR,7/8" - 14 Male JIC x 3/4" - 16 Male ORB

CONNECTOR, HYD., straight, 7/8-14 flare x 3/4-16 inch O-ring boss, duel range, 24 speed transmission, Incl. Ref. 25

1шт.

25

237-6008

O-RING,0.087" Thk x 0.644" ID, -908, Cl 6, 90 Duro

8-1, 90 Duro, .644" ID x .087" Thk, Duel range, 24 speed transmission

1шт.

26

A163235

TUBE

ASSEMBLY - duel range, right, 24 speed transmission

1шт.

27

218-5062

HYD CONNECTOR,7/8"-14, 37 Degree x 7/8"-14, O-Ring

ADAPTER - straight, 7/8-14 inch flare x O-ring boss, duel range, 24 speed transmission, Includes: Ref. 28

1шт.

28

237-6010

O-RING,0.097" Thk x 0.755" ID, -910, Cl 6, 90 Duro

10-1, 90 Duro, .755" ID x .097" Thk, Duel range, 24 speed transmission

1шт.

29

86512512

PLUG,7/8" - 14 ORB

- hex, 7/8-14 inch O-ring boss (Used with 12 speed transmission), duel range, 24 speed transmission, Incl. Ref. 30

1шт.

30

237-6010

O-RING,0.097" Thk x 0.755" ID, -910, Cl 6, 90 Duro

10-1, 90 Duro, .755" ID x .097" Thk, Duel range, 24 speed transmission

1шт.

Выбрано товаров: 23