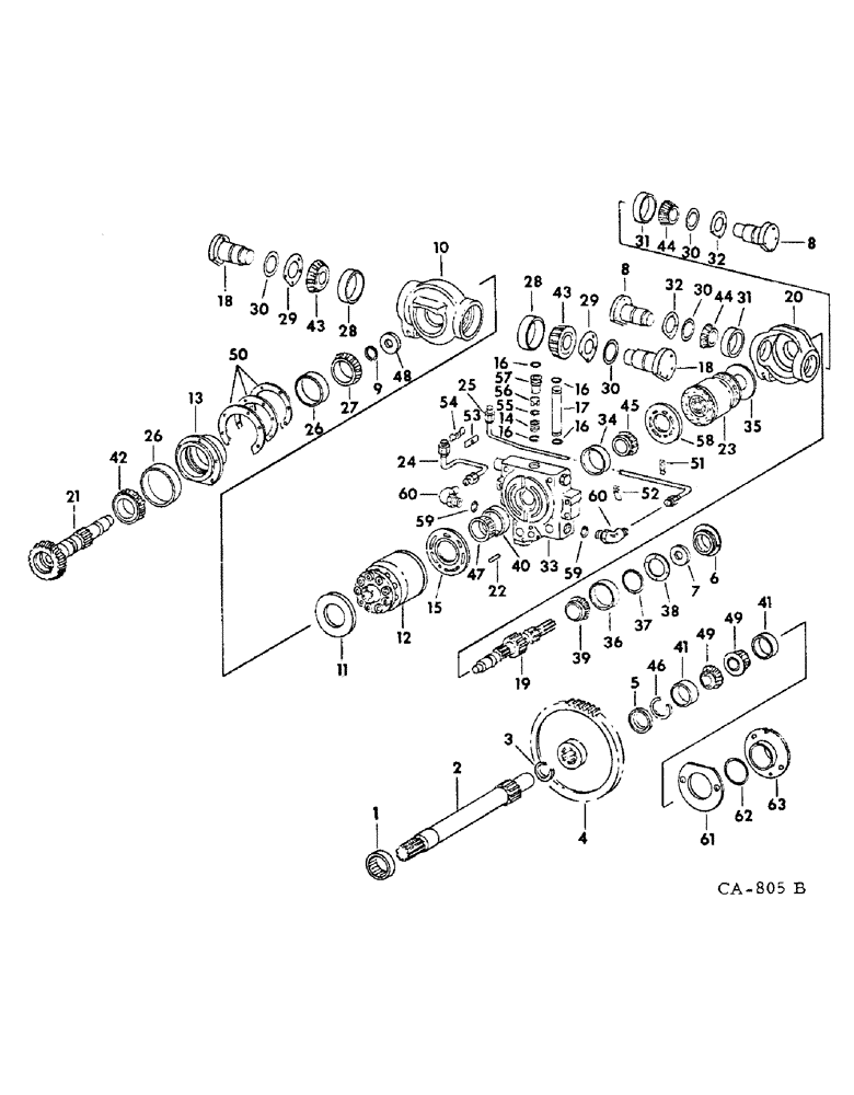
Запчасти Case IH 3488 (07-06) - DRIVE TRAIN,HYDROSTATIC DRIVE GEARS & SHAFTS,BEARINGS MOTOR & PUMP CENTER SECTION TUBES &CONNECTIONS (04) - Drive Train

Схема запчастей Case IH 3488 - (07-06) - DRIVE TRAIN,HYDROSTATIC DRIVE GEARS & SHAFTS,BEARINGS MOTOR & PUMP CENTER SECTION TUBES &CONNECTIONS (04) - Drive Train
28
22
8
55
10
49
16
32
24
4
15
41
42
31
44
37
14
39
16
43
63
25
12
7
16
18
38
2
9
29
31
36
35
30
60
11
59
40
51
50
62
45
61
30
5
19
27
49
53
23
48
30
17
32
60
30
18
54
3
8
47
52
29
6
46
34
20
13
33
28
41
43
16
16
59
26
58
26
1
21
44
57
FIT
1:1
100%

Артикул

Название

Примечание

Количество

1

876871R91

NEEDLE BEARING,1.375" ID x 1.6245" OD x 0.5"

IPTO shaft needle

1шт.

2

406345R1

SHAFT

IPTO driven

1шт.

17413R1

BOLT,Hex, 7/16"-14 x 3/4", G2, Full Thd

7/16 x 3/4 pln type 1

1шт.

188755R1

WASHER

0.469 x 1.469 x 0.090

1шт.

3

202306R1

SNAP RING,#162, Ext

RING external retaining, 1.503

1шт.

4

406344R1

GEAR

PTO driven, 58T

1шт.

5

406664R1

SPACER

PTO front brg

1шт.

6

406650R1

HUB

RETAINER input shaft front bearing oil seal

1шт.

179838

BOLT,Hex, 3/8" - 16 x 7/8", Gr 5, Full Thd

3/8 x 7/8 pln type 5

4шт.

7

406651R91

SEAL ASSY.,36.22mm ID x 57.3mm OD x 9.53mm Thk

SEAL ASSY oil

1шт.

8

406645R1

TRUNNION

pump

2шт.

179841

BOLT,Hex, 3/8" - 16 x 1 1/4", Gr 5

3/8-16 x 1-1/4 pln type 5

8шт.

9

406623R1

SNAP RING

RING retaining, output shaft bearing, 0.156

1шт.

9

406624R1

RING

retaining, output shaft bearing, 0.159

1шт.

9

406625R1

RING

retaining, output shaft bearing, 0.162

1шт.

9

406626R1

RING

retaining, output shaft bearing, 0.165

1шт.

9

406627R1

SNAP RING

RING retaining, output shaft bearing, 0.168

1шт.

9

406628R1

SNAP RING

RING retaining, output shaft bearing, 0.171

1шт.

9

406629R1

RING

retaining, output shaft bearing, 0.174

1шт.

9

406630R1

RING

retaining, output shaft bearing, 0.177

1шт.

9

406631R1

SNAP RING

RING retaining, output shaft bearing, 0.180

1шт.

9

406632R1

SNAP RING

RING retaining, output shaft bearing, 0.183

1шт.

9

406633R1

RING

retaining, output shaft bearing, 0.186

1шт.

10

406639R2

HOUSING

motor swashplate

1шт.

11

406637R1

LARGE PLATE

PLATE thrust

1шт.

12

KIT motor cylinder block, For components see list of parts under details of motor cylinder block kit listing, This group

1шт.

13

406618R1

HOUSING

output shaft rear bearing

1шт.

217911

SCREW

3/8 x 7/8 pln h/shd cap, soc

5шт.

14

534731R1

SLEEVE

tube connector

1шт.

15

71609C1

PLATE

valve, 26 series, motor

1шт.

16

66067C2

SEAL

SEAL charge tube

4шт.

17

406543R1

TUBE

charge

1шт.

538709R1

SPRING WASHER

spring

1шт.

18

406347R1

TRUNNION

motor

2шт.

179841

BOLT,Hex, 3/8" - 16 x 1 1/4", Gr 5

3/8-16 x 1-1/4 pln type 5

8шт.

19

69528C1

SHAFT

input

1шт.

20

406342R1

HOUSING

pump swashplate

1шт.

21

406341R2

SHAFT

output

1шт.

22

394825R1

DOWEL

PIN dowel

2шт.

23

KIT pump cylinder block, For components see list of parts under details of pump cylinder block kit listing, This group

1шт.

24

406547R1

TUBE

ASSY reverse pressure

1шт.

25

406545R1

TUBE

ASSY forward pressure

1шт.

26

152454R1

BEARING, CUP

BEARING output shaft rear cup

2шт.

27

406537R91

ROLLER BEARING,2.50025" ID x 5.0005" OD x 1.4415, 1.0625"

ASSY output shaft rear cone

1шт.

28

ST951

TAPERED BEARING,1.6255" ID x 3.376" OD x 1.202"

BEARING motor trunnion cup

2шт.

29

406640R91

STRIPPER PACKAGE

PACKAGE motor trunnion shim service, Consists of

1шт.

NSS

NOT SOLD SEPARAT

SHIM, 0.005

3шт.

NSS

NOT SOLD SEPARAT

SHIM, 0.007

3шт.

NSS

NOT SOLD SEPARAT

SHIM, 0.020

1шт.

30

380910R1

O-RING,0.103" Thk x 2.987" ID, -151, Cl 5, 75 Duro

trunnion sealing, 3-3/16 x 3 x 3/32

4шт.

31

ST977

TAPERED BEARING,1.7715" ID x 3.277" OD x 0.9575"

BEARING trunnion cup

2шт.

32

527403R91

STRIPPER PACKAGE

PACKAGE trunnion shim service, Consists of

1шт.

NSS

NOT SOLD SEPARAT

SHIM, 0.005

3шт.

NSS

NOT SOLD SEPARAT

SHIM, 0.007

3шт.

NSS

NOT SOLD SEPARAT

SHIM, 0.020

1шт.

33

BODY ASSY center section, For components see list of parts under details of center section body listing, This group

1шт.

20734R1

SCREW,Hex, 1/2"-13 x 2 1/2", G8

BOLT, 1/2 x 2-1/2 pln type 8

4шт.

34

530741R1

BEARING CUP

BEARING input shaft rear cup

1шт.

35

400965R3

PLATE

thrust

1шт.

36

13324D

BEARING CUP,2.391" ID x 3.001" OD x 0.952"

input shaft front cup

1шт.

37

295204R1

O-RING,0.103" Thk x 2.8" ID, -149, Cl 5, 75 Duro

2-13/16 x 3 x 3/32

1шт.

38

527404R91

STRIPPER PACKAGE

PACKAGE retainer shim service, Consists of

1шт.

NSS

NOT SOLD SEPARAT

SHIM, 0.005

2шт.

NSS

NOT SOLD SEPARAT

SHIM, 0.007

2шт.

NSS

NOT SOLD SEPARAT

SHIM, 0.020

1шт.

39

13330DB

BEARING

input shaft front cone

1шт.

40

170254R1

BEARING, CUP

BEARING output shaft front cup

1шт.

41

651817R1

BEARING CUP

BEARING PTO front cup

2шт.

41

651817R1GV

BEARING CUP

Value, Bearing Cup

2шт.

42

152453R91

ROLLER BEARING,2.625" ID x 5" OD x 1.4975"

ASSY output shaft rear cone

1шт.

43

ST791

TAPERED BEARING,1.6255" ID x 3.376" OD x 1.202"

BEARING motor trunnion cone

2шт.

44

ST2118

TAPERED BEARING,1.75" ID x 3.27" OD x 0.9375"

BEARING trunnion cone

2шт.

45

400983R91

ROLLER BEARING,1.18775" ID x 2.5317" OD x 0.8478"

BEARING input shaft rear cone

1шт.

46

336497R1

CLIP

RING brg retaining

1шт.

47

170253R91

ROLLER BEARING

BEARING output front cone

1шт.

48

406644R1

STOP

PLATE output shaft front brg lock

1шт.

389259R1

BOLT,Hex, 1/2" - 20 x 1.84", Gr 4

lock plate

1шт.

49

651818R91

ROLLER BEARING,31.77 mm ID x 16.08 mm

BEARING PTO front cone

2шт.

50

406619R91

KIT

PACKAGE output shaft rear bearing housing shim service, Consists of

1шт.

NSS

NOT SOLD SEPARAT

SHIM, 0.005

3шт.

NSS

NOT SOLD SEPARAT

SHIM, 0.007

3шт.

NSS

NOT SOLD SEPARAT

SHIM, 0.020

1шт.

51

534790R1

CLAMP

tube retaining

1шт.

357210R1

CAPSCREW,Hex, 3/8" - 16 x 3 1/4", Gr 8

BOLT, 3/8 x 3-1/4 pln type 8

1шт.

385190R1

WASHER

25/64 x 11/16 x 0.060

1шт.

614452R1

WASHER

0.406 x 1.250 x 0.090

1шт.

52

534787R1

PLATE

ASSY tube mounting

1шт.

53

534785R1

LARGE PLATE

PLATE ASSY tube mounting

1шт.

54

385093R1

ANCHOR

STRIP pipe clamp

1шт.

179814

SPACER

5/16 x 5/8 pln type 5

1шт.

55

298385R1

O-RING,0.07" Thk x 0.676" ID, -17, Cl 5, 75 Duro

11/16 x 13/16 x 1/16

1шт.

56

534732R1

CLIP

tube retaining

1шт.

57

534730R1

TUBE

center section connector

1шт.

58

71608C1

PLATE ASSY.

PLATE valve, 23 series pump

1шт.

60

224599C1

ELBOW

ASSY tube to relief valve, w/ orifice

2шт.

61

406666R1

SHIM

PTO front bearing cover, 0.005, (Or as required)

2шт.

61

406667R1

SHIM

PTO front bearing cover, 0.020, (Or as required)

1шт.

62

379457R1

O-RING,0.103" Thk x 2.175" ID, -139, Cl 5, 75 Duro

2-3/16 x 2-3/8 x 3/32

1шт.

63

406665R1

COVER

PTO front bearing

1шт.

179838

BOLT,Hex, 3/8" - 16 x 7/8", Gr 5, Full Thd

3/8 x 7/8 pln type 5

2шт.

59

369751R1

O-RING,0.072" Thk x 0.351" ID, -904, Cl 6, 90 Duro

4-1, 90 Duro, .351" ID x .072" Thk

2шт.

Выбрано товаров: 101