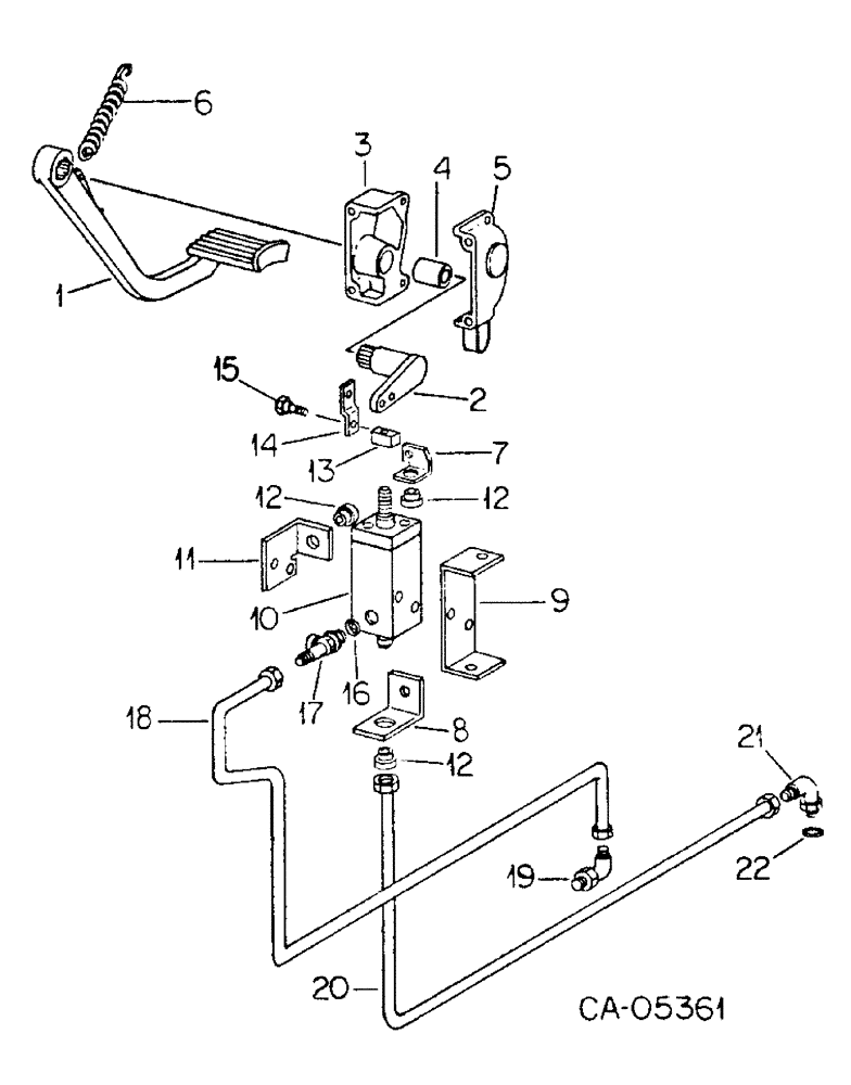
Запчасти Case IH 3488 (07-13) - DRIVE TRAIN, FOOT-N-INCH CONTROLS (04) - Drive Train

Схема запчастей Case IH 3488 - (07-13) - DRIVE TRAIN, FOOT-N-INCH CONTROLS (04) - Drive Train
14
3
13
11
17
12
19
8
9
7
5
2
21
20
12
15
6
22
4
10
1
12
18
16
FIT
1:1
100%

Артикул

Название

Примечание

Количество

1

104039C2

PEDAL

foot-n-inch

1шт.

24497R1

WASHER

0.344 x 1.250 x 0.105 znd

1шт.

179816

BOLT,Hex, 5/16" - 18 x 3/4", Gr 5

1шт.

2

104040C1

ARM

ASSY foot-n-inch

1шт.

3

120174C91

SUPPORT

ASSY pedal pivot

1шт.

4

120173C1

BUSHING,30.28mm ID x 32.56mm OD x 47.37mm L

pedal pivot

1шт.

5

104516C1

SUPPORT

control pivot

1шт.

179841

BOLT,Hex, 3/8" - 16 x 1 1/4", Gr 5

3/8-16 x 1-1/4 pln type 5

2шт.

102635

NUT,3/8"-16, G5

2шт.

179837

BOLT,Hex, 3/8" - 16 x 3/4", Gr 5

4шт.

6

104287C1

SPRING

foot-n-inch pedal return conduit, convoluted, If req'd., Furnish 4.25 in. from bulk roll marked 2643132R1

1шт.

7

1253092C1

SUPPORT

foot-n-inch valve, upper mtg

1шт.

179837

BOLT,Hex, 3/8" - 16 x 3/4", Gr 5

1шт.

120377

NUT,3/8" - 16, Gr 5

1шт.

8

104306C1

ANGLE foot-n-inch valve, lower mtg

1шт.

179837

BOLT,Hex, 3/8" - 16 x 3/4", Gr 5

1шт.

120377

NUT,3/8" - 16, Gr 5

1шт.

9

104480C1

CHANNEL

foot-n-inch adapter

1шт.

10

530331R91

LOCK VALVE

VALVE ASSY foot-n-inch, w/ dash pot, For list of components this group

1шт.

11

104506C1

SUPPORT

foot-n-inch valve, side mtg

1шт.

179850

BOLT,Hex, 3/8" - 16 x 2 3/4", Gr 5

3/8 x 2-3/4 pln type 5

2шт.

120377

NUT,3/8" - 16, Gr 5

2шт.

12

536629R1

BUSHING,10.03mm ID x 19.81mm OD x 18.29mm L

foot-n-inch valve, ISO-Mount

3шт.

536642R1

WASHER

13/32 x 1 x 0.030

3шт.

180123

BOLT,Hex, 3/8" - 16 x 1 1/8", Gr 5, Full Thd

3/8 x 1-1/8 type 5

3шт.

120377

NUT,3/8" - 16, Gr 5

3шт.

13

398766R1

UNION

BAR foot-n-inch valve adjusting

1шт.

114493

JAM NUT,Jam, 5/16"-24, G5

5шт.

14

104481C2

SUPPORT

foot-n-inch valve operating

1шт.

15

104482C1

STEP BOLT

BOLT shoulder

2шт.

9635082

NUT,5/16" - 18, Gr 5

2шт.

17

534616R1

TEE

int pipe thd two way

1шт.

18

120078C1

HYD TUBE

TUBE ASSY foot-n-inch valve pump

1шт.

19

9402863

ELBOW,90 Degree, 1/2"-20, 37 Degree x 1/8"-27, NPTF

90 deg, 5/16 C-Z hyd flared tube

1шт.

20

120079C1

HYD TUBE

TUBE ASSY control to foot-n-inch valve

1шт.

21

9410974

ELBOW,90 Degree, 7/16"-20, 37 Degree x 7/16"-20, O-Ring

90 deg, 1/4 C-Z hyd fld adj

1шт.

16

369384R1

O-RING,0.072" Thk x 0.414" ID, -905, Cl 6, 90 Duro

5-1, 90 Duro, .414" ID x .072" Thk

1шт.

22

369751R1

O-RING,0.072" Thk x 0.351" ID, -904, Cl 6, 90 Duro

4-1, 90 Duro, .351" ID x .072" Thk, 1/4 OD tube class 6

1шт.

Выбрано товаров: 38