Запчасти Case IH 3594 (6-024) - INCHING PEDAL (06) - POWER TRAIN

Схема запчастей Case IH 3594 - (6-024) - INCHING PEDAL (06) - POWER TRAIN
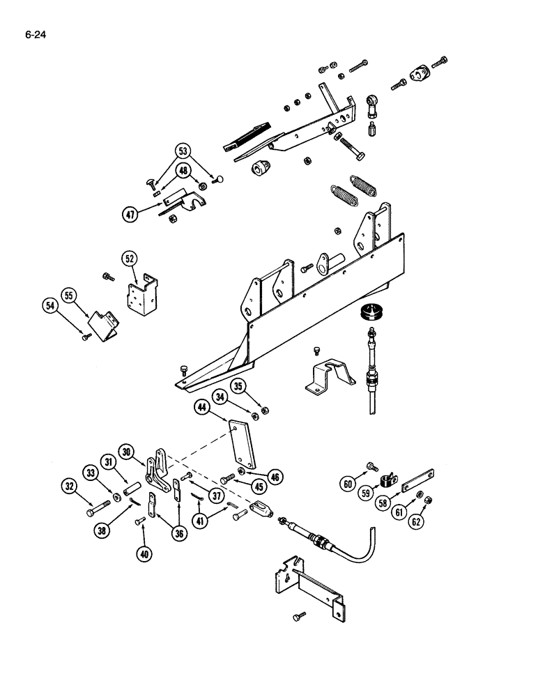
30
60
45
52
58
44
32
54
35
36
53
37
61
46
34
40
41
62
55
59
38
47
48
31
33
FIT
1:1
100%

Артикул

Название

Примечание

Количество

30

A161553

CRANK LEVER

BELLCRANK clutch spool

1шт.

31

A161043

SHAFT

pivot, bellcrank

1шт.

32

413-644

BOLT,Hex, 3/8" - 16 x 2-3/4", Gr 5

1шт.

33

95-11041

WASHER,3/8"

flat (13/32 x 13/16 x 1/16") 3/8"

1шт.

34

92-11038

LOCK WASHER,3/8"

WASHER, LOCK, 3/8"

1шт.

35

425-106

NUT,3/8"-16, Cl 5

1шт.

36

A149991

LINK

, Serial Range: bellcrank-spool

2шт.

37

427-4077

CLEVIS PIN,1/4" x .770"

PIN clevis, 1/4 x 43/64 inch

1шт.

38

432-412

COTTER PIN,1/16" x 3/4"

PIN, SPLIT (COTTER), 1/16" x 3/4"

1шт.

40

A8823

PIN,6.29mm OD x 26.99mm L

clevis, 1/4 x 21/32 inch

1шт.

41

32-612

COTTER PIN,3/32" x 3/4"

PIN, SPLIT (COTTER), 3/32" x 3/4"

2шт.

44

A161824

PLATE

clutch pedal bellcrank

1шт.

45

413-620

BOLT,Hex, 3/8" - 16 x 1-1/4", Gr 5

2шт.

46

92-11038

LOCK WASHER,3/8"

WASHER, LOCK, 3/8"

2шт.

47

A181037

BRACKET

switch actuator, P.I.N. 9944363 and after

1шт.

47

A169838

BRACKET

switch actuator, prior to P.I.N. 9944363

1шт.

48

425-144

JAM NUT,Jam, 1/4"-20, G5

hex, jam, 1/4 inch NC

4шт.

52

A169843

BRACKET

clutch switch mounting

1шт.

53

A181036

SQUARE BOLT

switch actuator, P.I.N. 9944363 and after

2шт.

53

A176066

SQUARE BOLT

BOLT switch actuator, prior to P.I.N. 9944363

2шт.

54

413-412

BOLT,Hex, 1/4" - 20 x 3/4", Gr 5

2шт.

55

A169837

COVER

clutch switch

1шт.

58

A185811

STRAP

throttle stop

1шт.

59

515-23143

CLAMP,9/16", Insul, 3/8" Bolt

cable, hose, 3/4

1шт.

60

413-412

BOLT,Hex, 1/4" - 20 x 3/4", Gr 5

1шт.

61

495-21031

WASHER,1/4"

flat, 5/16 x 3/4 x 1/16 inch

2шт.

62

425-104

NUT,1/4"-20, Cl 5

hex, 1/4 inch NC

1шт.

Выбрано товаров: 27