Запчасти Case IH 3594 (6-074) - MFD DRIVE TRAIN (06) - POWER TRAIN

Схема запчастей Case IH 3594 - (6-074) - MFD DRIVE TRAIN (06) - POWER TRAIN
23
19
5
27
25
14
6
10
1
16
24
15
26
4
14
6
11
15
3
16
17
13
2
28
22
18
FIT
1:1
100%

Артикул

Название

Примечание

Количество

1

REF

INSTRUCTION

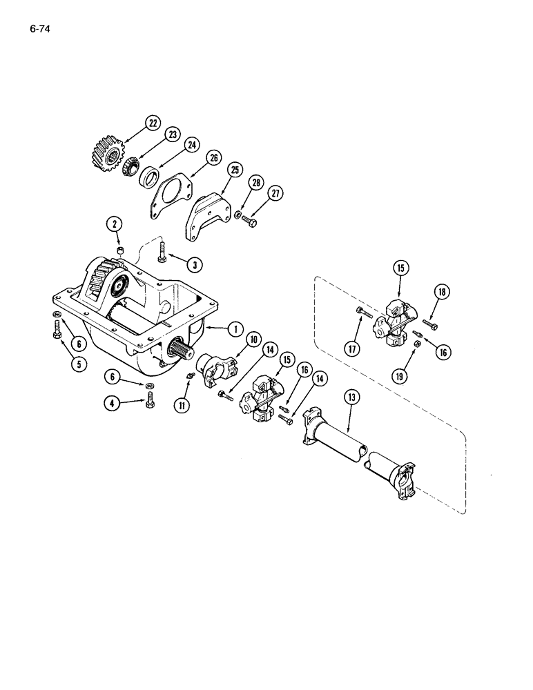
TRANSFER GEARBOX ASSEMBLY, See Figure 6-078

1шт.

2

A188330

SLEEVE

dowel, gearbox to torque tube

2шт.

3

413-836

BOLT,Hex, 1/2" - 13 x 2-1/4", Gr 5

- hex, 1/2 NC x 2-1/4 inch

1шт.

4

413-824

BOLT,Hex, 1/2" - 13 x 1-1/2", Gr 5

1шт.

5

413-828

BOLT,Hex, 1/2" - 13 x 1-3/4", Gr 5

10шт.

6

A30061

WASHER

hardened

12шт.

10

A168470

ASSEMBLY

YOKE gearbox, Includes Ref. 11

1шт.

11

219-1

LUBE NIPPLE,1/8" - 27 NPTF

FITTING grease, straight, 1/8 PT x 21/32 inch

1шт.

A179384

YOKE

DRIVE SHAFT ASSEMBLY, Includes Ref. 13 - 16

1шт.

13

A52284

TUBE ASSY.

DRIVE SHAFT TUBE ASSEMBLY

1шт.

14

A17298

BOLT,Hex, 3/8" x 1 11/16"

, Serial Range: bearing-yoke

8шт.

15

A45595

SPIDER ,U-JOINT

DRIVE SHAFT UNIVERSAL JOINT ASSEMBLY, Includes Ref. 16

2шт.

16

219-417

LUBE NIPPLE,1/4" - 28 NPTF

FITTING grease, straight, 1/4 inch NPT

1шт.

17

25774R1

BOLT,Hex, 3/8" - 24 x 2", Gr 8

hex, 3/8 NF x 2 inch, grade 8

4шт.

18

28-628

BOLT,Hex, 3/8" - 24 x 1-3/4", Gr 8

hex, 3/8 NF x 1-3/4 inch, grade 8

4шт.

19

129-524

NUT,3/8"-24, G8

4шт.

22

A168429

GEAR SHAFT

GEAR input

1шт.

23

671032R1

TAPERED BEARING,33.34mm ID x 22.33mm W

CONE bearing

1шт.

24

671033R1

BEARING, CUP

CUP bearing

1шт.

25

A168438

CARRIER

bearing input gear

1шт.

26

A168439

SHIM

bearing carrier, 0.003 inch

1шт.

26

A168440

SHIM

bearing carrier, 0.005 inch

1шт.

26

A168441

SHIM

bearing carrier, 0.010 inch

1шт.

27

26-826

BOLT,Hex, 1/2" - 13 x 1-5/8", Gr 8

hex, 1/2 NC x 1-5/8 inch, grade 8

4шт.

28

A30061

WASHER

hardened

4шт.

Выбрано товаров: 25