Запчасти Case IH 3594 (8-044) - REMOTE HYDRAULIC VALVE, THREE SECTION, WITH LOAD CHECK ON FIRST AND SECOND SECTIONS (08) - HYDRAULICS

Схема запчастей Case IH 3594 - (8-044) - REMOTE HYDRAULIC VALVE, THREE SECTION, WITH LOAD CHECK ON FIRST AND SECOND SECTIONS (08) - HYDRAULICS
21
16
8
17
16
16
22
5
15
15
17
24
18
6
17
3
16
2
17
18
4
24
16
19
1
18
23
15
20
16
7
9
15
16
18
23
16
FIT
1:1
100%

Артикул

Название

Примечание

Количество

1

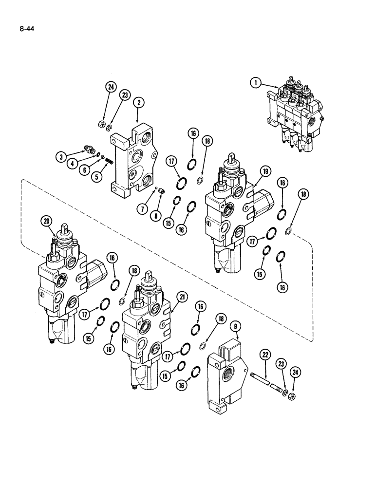
1986843C1

VALVE

REMOTE HYDRAULIC VALVE ASSEMBLY, Includes Ref. 2 - 24

1шт.

2

A47169

COVER

INLET COVER ASSEMBLY, Includes Ref. 3 - 8

1шт.

3

A47185

FITTING

inlet

1шт.

5

A47176

SPRING

valve

1шт.

6

A47214

RETAINER

spring

1шт.

7

211-206

BALL,1/4" Dia

1/4 inch, grade 50, chrome alloy steel

1шт.

8

A47202

SEAT

valve

1шт.

9

A52403

BODY

COVER end

1шт.

A47576

KIT

Valve Seal, Order components, Includes Ref. 15 - 18

4шт.

15

238-6211

O-RING,0.139" Thk x 0.796" ID, -211, Cl 6, 90 Duro

1шт.

16

238-6214

O-RING,0.139" Thk x 0.984" ID, -214, Cl 6, 90 Duro

1шт.

17

238-5119

O-RING,0.103" Thk x 0.924" ID, -119, Cl 5, 75 Duro

2шт.

18

D77566

SHIM,.0030" Thk

Control valve sections .0030" Thk

3шт.

19

REF

INSTRUCTION

REMOTE VALVE BODY ASSEMBLY, with load check and priority float, See Figures 8-046 through 8-050

1шт.

20

REF

INSTRUCTION

REMOTE VALVE BODY ASSEMBLY, with load check and float, See Figures 8-046 through 8-050

1шт.

21

REF

INSTRUCTION

REMOTE VALVE BODY ASSEMBLY, without load check, See Figure 8-052 and 8-054

1шт.

22

A147507

STUD

3/8 NC x 9-7/8 inch

3шт.

23

92-11038

LOCK WASHER,3/8"

WASHER, LOCK, 3/8"

6шт.

24

425-106

NUT,3/8"-16, Cl 5

6шт.

4

237-6006

O-RING,0.078" Thk x 0.468" ID, -906, Cl 6, 90 Duro

6-1, 90 Duro, .468" ID x .078" Thk

1шт.

Выбрано товаров: 20